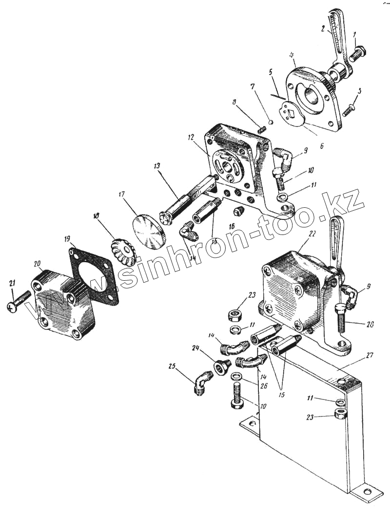
Каталог запасных частей к технике: ЛАЗ 695Б. Краны управления дверьми для водителя и кондуктора
1
2
3
4
5
6
7
8
9
9
10
10
11
11
11
12
13
14
14
14
15
15
16
17
18
19
20
21
22
23
23
24
25
26
27
28
| Позиция на иллюстрации | Заводской номер детали | Название детали | |
|---|---|---|---|
| 421011-П8 | 421011-П8 | Ниппель | |
| 421002-П2 | 421002-П2 | Гайка накидная М12Х1 | |
| 695-6505163-Б | 695-6505163-Б | Труба крана двери выпускная | |
| 1 | 301076-П13 | Болт М5Х12 | |
| 2 | 191-6505034-А | Рукоятка крана | |
| 3 | 412475-П8 | Винт М6Х16 | |
| 4 | 190-6505032 | Крышка корпуса крана верхняя | |
| 5 | 258365-П | Штифт 3Х20 | |
| 6 | 190-6505038 | Шайба-фиксатор рукоятки крана | |
| 7 | 306207-П | Шарик 5/16" | |
| 8 | 190-6505039 | Пружина фиксатора рукоятки крана | |
| 9 | 421041-П | Угольник ввертный | |
| 10 | 200262-П8 | Болт М8Х32 | |
| 11 | 252135-П8 | Шайба 8 пружинная | |
| 11 | 252135-П8 | Шайба 8 пружинная | |
| 12 | 190-6505014 | Корпус крана в сборе | |
| 13 | 190-6505035 | Ось рукоятки крана | |
| 14 | 305284-П | Угольник ввертный | |
| 15 | 190-8101034 | Переходник крана водителя и кондуктора | |
| 16 | 262542-П | Пробка КГ 1/4" | |
| 17 | 190-6505040 | Золотник крана | |
| 18 | 122-1306368 | Шайба золотника крана распорная | |
| 19 | 190-6505030-Б | Прокладка нижней крышки крана | |
| 20 | 190-6505028 | Крошка корпуса крана нижняя | |
| 21 | 412296-П8 | Винт М6Х30 | |
| 22 | 191-6505010 | Кран управления дверьми водителя в сборе | |
| 23 | 250510-П8 | Гайка М8-6Н | |
| 23 | 250510-П8 | Гайка М8-6Н | |
| 24 | 305268-П8 | Переходник 1/4" | |
| 25 | 421038-П | Угольник ввертный | |
| 26 | 252005-П8 | Шайба 8 | |
| 27 | 695Б-6505046 | Кронштейн крана водителя | |
| 28 | 201457-П8 | Болт М8х22 |
Содержащиеся в справочниках-каталогах запасные части и детали не предлагаются к продаже, а носят исключительно информационный характер