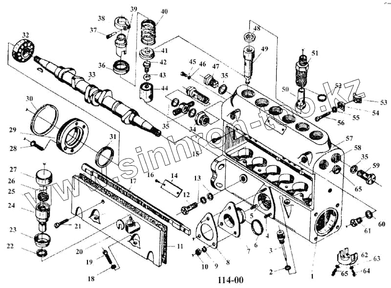
Каталог запасных частей к технике: ЛАЗ 5252. Топливный насос высокого давления двигателя D10TSLL-160E2
1
2
3
4
5
6
7
8
9
10
11
12
13
14
15
16
17
18
19
20
21
22
23
24
25
26
27
28
29
30
31
32
33
34
35
35
35
36
37
38
39
40
41
42
43
44
45
46
47
48
49
50
51
52
53
54
55
56
57
58
59
60
61
62
63
64
65
65
| Позиция на иллюстрации | Заводской номер детали | Название детали | |
|---|---|---|---|
| 1 | Р7.1.42.W1 | Крышка | |
| 2 | Р1.1.162.00 | Кольцо уплотнительное | |
| 3 | Р1.1.160.78 | Указатель уровня масла в сборе | |
| 4 | Р7.1.41.00 | Шпилька | |
| 5 | Р7.1.42.00 | Крышка | |
| 6 | КN6-35 | Кольцо уплотнительное | |
| 7 | V8.1.02.01 | Фланец | |
| 8 | Р2.1.48.00 | Лист уплотнительный | |
| 9 | 6,1 РN-65/М-82029 | Шайба пружинная | |
| 10 | М6-5 РN-58М 82146 | Гайка | |
| 11 | Р2.1.37.02 | Прокладка фланца | |
| 12 | КN4-4 | Винт | |
| 13 | КN6-4 | Кольцо уплотнительное | |
| 14 | КN15-14/М | Табличка фирменная | |
| 15 | Р2.1.70.01 | Болт регулировочный | |
| 16 | 2х8 АIРN-61/М-82952 | Кольцо уплотнительное | |
| 17 | Р2.6.06.04 | Штанга регулятора | |
| 18 | Р1.1.42.11 | Прокладка | |
| 19 | М6х25 РN-6/М-82227 | Болт | |
| 20 | Р2.1.36.83Р2.1.36.08/М | Крышка | |
| 21 | КN-24 | Болт | |
| 22 | КN6-34 | Кольцо уплотнительное | |
| 23 | Р2.1.1251.00 | Колпак пылезащитный | |
| 24 | Р2.1.12170 | Головка фильтра в сборе | |
| 25 | Р2.1.123.00 | Кольцо уплотнительное | |
| 26 | Р2.1.124.00 | Стопор | |
| 27 | Р2.1.124.00/М170 | Крышка фильтра | |
| 28 | КN4-23 | Болт М8х18 | |
| 29 | Р7.1.91.00 | Фланец центрующий | |
| 30 | КN6-32 | Кольцо уплотнительное | |
| 31 | Р1.1.101.00 | Прокладка компенсационная 0,05 | |
| 32 | 30304 DIN 720 1 | Роликоподшипник конический | |
| 33 | Р7.262.00 | Вал кулачковый | |
| 34 | Пробка | Пробка | |
| 35 | КN6-2 | Кольцо уплотнительное | |
| 36 | Р7.5.06.00 | Тарелка пружины верхняя | |
| 37 | Р1.6.13.03 | Болт стопорный | |
| 38 | Р2.6.12.03 | Деталь регулирующая | |
| 39 | Р7.6.11.00 | Втулка поворотная | |
| 40 | Р7.5.01.00 | Пружина | |
| 41 | Р7.5.05.00 | Тарелка пружины нижняя | |
| 42 | Р7.3.04.00 | Болт регулировочный | |
| 43 | Р7.3.05.00 | Прокладка 0,4 | |
| 44 | Р7.3.00.01 | Толкатель клапана в сборе | |
| 45 | М4х12 DIN 84 | Винт с цилиндрической головкой | |
| 46 | Н1.3.1300 | Прокладка 0,05 | |
| 47 | КN4-1 | Пробка | |
| 48 | Р1.7.10.10 | Прокладка | |
| 49 | FРЕ 3u-9 | Секция насосная | |
| 50 | Р1.7.26.00 | Клапан нагнетательный | |
| 51 | Р1.7.38.10 | Нипель | |
| 52 | Р1.3933 | Прокладка | |
| 53 | Р2.7.01.02 | Деталь стопорная | |
| 54 | Р2.7.01.00 | Деталь стопорная | |
| 55 | 5.1.РN-65/М-82029 | Шайба пружинная | |
| 56 | V5х20 РN-60/М-82227 | Болт | |
| 57 | Р7.1.16.10 | Корпус | |
| 58 | Р1.1.84.11 | Нипель | |
| 59 | КN4-2 | Винт полый | |
| 60 | Н1.2.16.01 | Кольцо уплотнительное | |
| 61 | Р1.75.07 | Болт | |
| 62 | Р7.2.01.00 | Подшипник промежуточный | |
| 63 | Р1.1.42.07 | Прокладка | |
| 64 | М6х10-86 РN 62/М-82302 | Болт с углублением головки под ключ | |
| 65 | Р1.1.84.11 | Нипель |
Содержащиеся в справочниках-каталогах запасные части и детали не предлагаются к продаже, а носят исключительно информационный характер