Вернуться на главную
Поиск
Каталоги запчастей к технике
Автобусы
ЛАЗ
ЛАЗ 5252
Коробка передач (модели 52528, 52528А)
Каталог запасных частей к технике: ЛАЗ 5252. Коробка передач (модели 52528, 52528А)
zoom-in
zoom-out
enlarge
shrink
circle-right
circle-left
file-text2
info
cart
Тип техники
Не выбрано
Легковые автомобили
Грузовые автомобили и прицепы
Автобусы
Сельхозтехника
Спецтехника
Двигатели
Мототехника
Марка
Не выбрано
Golden Dragon
Hyundai
Ikarus
Karosa
King Long
Neoplan
Yutong
ZF
АМАЗ
Богдан
ЗИЛ
КАВЗ
Камский автозавод
ЛАЗ
ЛЗГМП
ЛиАЗ
Нефтекамский автозавод
ПАЗ
УралАЗ
Модель
Не выбрано
ЛАЗ 4207
ЛАЗ 5252
ЛАЗ 695Б
ЛАЗ 695Н (1976)
ЛАЗ 699Р
Схема
>
Не выбрано
Установка оперения
Ветровое, заднее окна и рейсоуказатель маршрута
Дверки багажников
Каркас основания
Стеклоочиститель и стеклоомыватель
Каркас передка с облицовкой
Установка рейсоуказателей маршрута
Каркас правой боковины
Каркас левой боковины
Левая боковина
Правая боковина
Люки боковины
Установка окон
Окно боковины
Каркас задка с облицовкой
Каркас крыши
Пассажирские двери
Привод управления дверьми
Установка сидений
Сиденье одноместное
Сиденье двухместное
Сиденье двухместное
Сиденье двухместное
Система отопления
Отопитель салона
Аварийно-вентиляционные люки
Поручни
Установка зеркал
Установка брызговиков
Двигатель D10TSLL-160E2 в сборе с коробкой передач (1)
Двигатель D10TSLL-160E2 в сборе с коробкой передач (2)
Двигатель ЯМЗ-236НЕ в сборе с коробкой передач
Двигатель ЯМЗ-236А в сборе с коробкой передач
Двигатель в сборе с коробкой передач
Подвеска двигателя D10TSLL-160E2 (1)
Подвеска двигателя ЯМЗ-236НЕ и ЯМЗ-236А
Блок цилиндров D10TSLL-160E2
Блок цилиндров ЯМЗ-236НЕ и ЯМЗ-236А
Картер распределительного механизма двигателя D10TSLL-160E2
Картер маховика двигателя D10TSLL-160E2
Коленчатый вал двигателя D10TSLL-160E2
Коленчатый вал и маховик двигателя ЯМЗ-236НЕ и ЯМЗ-236А
Поршень, шатун двигателя D10TSLL-160E2
Поршень, шатун, гильза цилиндра двигателя ЯМЗ-236НЕ и ЯМЗ-236А
Головка цилиндров двигателя D10TSLL-160E2
Головка цилиндров двигателя ЯМЗ-236НЕ и ЯМЗ-236А
Газораспределительный механизм двигателя D10TSLL-160E2
Распределительный вал двигателя ЯМЗ-236НЕ и ЯМЗ-236А
Клапаны и толкатели клапанов двигателя ЯМЗ-236НЕ и ЯМЗ-236А
Кронштейн крепления компрессора двигателя D10TSLL-160E2
Привод топливного насоса высокого давления двигателя ЯМЗ-236НЕ и ЯМЗ-236А
Выпускной коллектор двигателя D10TSLL-160E2
Выпускной коллектор двигателя ЯМЗ-236НЕ и ЯМЗ-236А
Масляный насос двигателя D10TSLL-160E2
Масляный насос двигателя ЯМЗ-236НЕ и ЯМЗ-236А
Фильтр тонкой очистки масла двигателя D10TSLL-160E2
Фильтр тонкой очистки масла двигателя D10TSLL-160E2
Фильтр грубой очистки масла двигателя ЯМЗ-236НЕ и ЯМЗ-236А
Фильтр центробежной очистки масла двигателя ЯМЗ-236НЕ и ЯМЗ-236А
Водомасляный теплообменник двигателя D10TSLL-160E2
Масляный картер двигателя D10TSLL-160E2
Масляный картер двигателя ЯМЗ-236НЕ и ЯМЗ-236А
Топливный насос высокого давления двигателя D10TSLL-160E2
Радиатор масляный двигателя ЯМЗ-236НЕ и ЯМЗ-236А
Система питания двигателя ЯМЗ-236НЕ и ЯМЗ-236А
Топливный бак двигателя ЯМЗ-236НЕ и ЯМЗ-236А
Топливный бак двигателя D10TSLL-160E2
Трубопроводы топливные двигателя D10TSLL-160E2
Трубопроводы топливные двигателя D10TSLL-160E2
Трубопроводы топливные двигателя ЯМЗ-236НЕ и ЯМЗ-236А
Фильтр грубой очистки топлива двигателя D10TSLL-160E2
Фильтр грубой очистки топлива двигателя ЯМЗ-236НЕ и ЯМЗ-236А
Фильтр тонкой очистки топлива двигателя D10TSLL-160E2
Фильтр тонкой очистки топлива двигателя D10TSLL-160E2
Фильтр тонкой очистки топлива двигателя ЯМЗ-236НЕ и ЯМЗ-236А
Топливный насос высокого давления в сборе с регулятором числа оборотов двигателя D10TSLL-160E2
Топливный насос низкого давления двигателя D10TSLL-160E2
Топливный насос низкого давления двигателя ЯМЗ-236НЕ и ЯМЗ-236А
Топливный насос высокого давления двигателя D10TSLL-160E2
Топливный насос высокого давления двигателя ЯМЗ-236НЕ и ЯМЗ-236А
Регулятор числа оборотов двигателя D10TSLL-160E2
Регулятор числа оборотов двигателя ЯМЗ-236НЕ и ЯМЗ-236А
Регулятор числа оборотов двигателя ЯМЗ-236НЕ и ЯМЗ-236А
Муфта опережения впрыска топлива двигателя ЯМЗ-236НЕ и ЯМЗ-236А
Форсунки двигателя D10TSLL-160E2
Форсунки двигателя ЯМЗ-236НЕ и ЯМЗ-236А
Управление подачей топлива
Управление подачей топлива двигателя ЯМЗ-236НЕ и ЯМЗ-236А
Установка системы питания двигателя D10TSLL-160E2 воздухом
Установка системы питания двигателя ЯМЗ-236А воздухом
Установка системы питания двигателя ЯМЗ-236НЕ воздухом
Фильтр воздушный двигателя ЯМЗ-236НЕ и ЯМЗ-236А
Впускной коллектор двигателя D10TSLL-160E2
Впускной коллектор двигателя ЯМЗ-236НЕ и ЯМЗ-236А
Турбокомпрессор двигателя D10TSLL-160E2
Турбокомпрессор двигателя D10TSLL-160E2
Система выпуска отработавших газов двигателя D10TSLL-160E2
Система выпуска отработавших газов двигателя ЯМЗ-236НЕ и ЯМЗ-236А
Установка системы охлаждения двигателя D10TSLL-160E2
Установка системы охлаждения двигателя ЯМЗ-236НЕ и ЯМЗ-236А
Установка расширительного бачка
Радиатор двигателя D10TSLL-160E2 (внешний вид)
Радиатор двигателя D10TSLL-160E2
Кожух вентилятора
Вентилятор и его привод
Муфта вентилятора двигателя D10TSLL-160E2
Водяной насос двигателя D10TSLL-160E2
Водяной насос двигателя ЯМЗ-236НЕ и ЯМЗ-236А
Термостат двигателя ЯМЗ-236НЕ и ЯМЗ-236А
Трубопровод системы охлаждения двигателя D10TSLL-160E2
Натяжное устройство двигателя D10TSLL-160E2
Опора натяжная
Опора натяжная двигателя ЯМЗ-236НЕ и ЯМЗ-236А
Сцепление (модели 52528, 52528А)
Сцепление (модели 52527, 52527-01)
Механизм и привод управления сцеплением (модель 52527)
Усилитель привода управления сцеплением (модели 52528, 52528А)
Усилитель привода управления сцеплением (модели 52527, 52527-01)
Установка усилителя привода управления сцеплением (модели 52527, 52528, 52528А)
Коробка передач (модель 52527)
Коробка передач (модель 52527)
Механизм коробки передач (модель 52527)
Механизм коробки передач (модель 52527)
Механизм коробки передач (модель 52527)
Механизм переключения передач (модель 52527)
Механизм переключения передач (модель 52527)
Привод управления механизмом переключения передач (модели 52527, 52528, 52528А)
Привод управления механизмом переключения передач (модели 52527, 52528, 52528А)
Гидромеханическая передача ГМП "Львов" модели 218.17
Коробка передач (модели 52528, 52528А)
Механизм коробки передач (модели 52528, 52528А)
Механизм переключения передач (модели 52528, 52528А)
Механизм переключения передач (модели 52528, 52528А)
Привод управления механизмом переключения передач (модели 52528, 52528А)
Карданный вал
Мост задний
Картер заднего моста
Главная передача и дифференциал
Картер заднего моста, полуось
Колесный редуктор
Бампер передний
Бампер задний
Передняя подвеска
Рессоры передние
Амортизатор
Реактивные штанги передней подвески
Подвеска задняя
Реактивные штанги задней подвески
Регулятор положения кузова передней подвески
Регулятор положения кузова задней подвески
Ось передняя и поворотные кулаки
Тяги рулевые
Тяги рулевые
Колесо переднее
Ступица передних колес
Ступица задних колес
Держатель запасного колеса
Управление рулевое
Колонка рулевого управления
Угловой редуктор рулевого управления
Механизм рулевого управления
Система гидроусиления руля
Гидроусилитель рулевого механизма
Распределитель гидроусилителя
Бачок гидроусилителя
Насос гидроусилителя
Крепление насоса гидроусилителя
Трубопроводы и шланги гидроусилителя
Тормозная система
Тормоза передние
Тормоза задние
Привод тормозного крана
Кран тормозной
Трубопроводы тормозной системы
Баллоны воздушные
Установка адсорбера и трубопроводов соединения
Клапан защитный одинарный
Клапан слива конденсата
Клапан контрольного вывода
Камера тормозная
Камера тормозная задняя
Кран тормозной обратного действия
Клапан ускорительный
Клапан перепускной двухмагистральный
Тормоз вспомогательный
Клапан автоматического слива конденсата
Компрессор и его привод двигателя D10TSLL-160E2
Компрессор А29.14.000М двигателя ЯМЗ-236НЕ и ЯМЗ-236А
Принципиальная схема электрооборудования
Принципиальная схема электрооборудования
Установка генератора (модели 52527, 52527-01)
Генератор
Аккумуляторные батареи
Стартер, внешний вид (модели 52527, 52527-01)
Стартер
Внешние световые приборы
Щит распределительный
Щит мотоотсека
Панель приборов
Панель приборов
Панель щитка приборов правая
Панель щитка приборов средняя
Панель щитка приборов левая
Инструмент и принадлежности
1
2
2
3
3
4
5
6
7
8
9
10
11
12
13
14
15
16
17
18
19
20
21
22
22
23
24
25
26
27
28
29
29
29
30
30
31
32
33
34
35
36
37
38
39
40
40
41
42
43
44
45
46
47
48
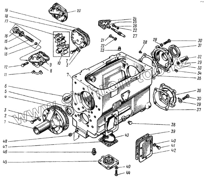
Позиция на иллюстрации
Заводской номер детали
Название детали
1
236-1701040-А
Крышка подшипника
2
201499-П29
Болт М10х30
3
312581-П29
Шайба
4
236-1701042-А
Прокладка
5
236-1701230
Манжета с пружиной
6
200-170188
Втулка дроссельная
7
236-1701015-Б
Картер коробки передач
8
236-1701015
Корпус масляного насоса
9
236-1704029-А
Прокладка
10
236-1704040-А2
Шестерня ведущая
11
236-1704078-А
Планка стопорная
12
310013-П29
Болт
13
200-1702083
Шарик
14
200-1704027
Пружина клапана
15
312326-П34
Шайба
16
236-1704026
Пробка клапана
17
236-1704030
Шестерня ведомая
18
236-1701070
Основание масляного насоса
19
236-1704017-А2
Прокладка
20
236-1704010
Насос масляный в сборе
21
201457-П29
Болт
22
252135-П2
Шайба 8 пружинная
23
236-1702182
Штифт верхний установочный
24
236-3802069-Б
Прокладка
25
236-3802024
Втулка привода спидометра
26
310224-П29
Болт
27
236-3802034-Б
Шестерня привода спидометра
28
236-3802074
Штифт упорный
29
252137-П2
Шайба 12 пружинная
30
201544-П29
Болт
31
210-1701210-А
Манжета с пружиной в сборе
32
200372-П29
Болт
33
236-1701205-Б4
Крышка заднего подшипника вторичного вала
34
316105-П29
Пробка
35
236У-1701203
Прокладка
36
236-1701074-А2
Крышка заднего подшипника промежуточного вала
37
236-1701075-А
Прокладка
38
316121-П29
Пробка уровня смазки
39
200-1701021-А
Прокладка
40
252136-П2
Шайба 10 пружинная
41
201497-П29
Болт М10х1,5х25
42
236-1701020
Крышка люка отбора мощности
43
236-1704050-Б
Сетка заборника
44
201497-П29
Болт М10х1,5х25
45
236-1704054-Б
Крышка заборника
46
238Н-1721255
Пробка сливная с магнитом
47
236-1704056-А
Прокладка
48
262518-П2
Пробка КГ3/8"
Содержащиеся в справочниках-каталогах запасные части и детали не предлагаются к продаже, а носят исключительно информационный характер
Дополнительная информация
×
Название:
Номер:
Примечание: