Вернуться на главную
Поиск
Каталоги запчастей к технике
Автобусы
ЛАЗ
ЛАЗ 5252
Коробка передач (модель 52527)
Каталог запасных частей к технике: ЛАЗ 5252. Коробка передач (модель 52527)
zoom-in
zoom-out
enlarge
shrink
circle-right
circle-left
file-text2
info
cart
Тип техники
Не выбрано
Легковые автомобили
Грузовые автомобили и прицепы
Автобусы
Сельхозтехника
Спецтехника
Двигатели
Мототехника
Марка
Не выбрано
Golden Dragon
Hyundai
Ikarus
Karosa
King Long
Neoplan
Yutong
ZF
АМАЗ
Богдан
ЗИЛ
КАВЗ
Камский автозавод
ЛАЗ
ЛЗГМП
ЛиАЗ
Нефтекамский автозавод
ПАЗ
УралАЗ
Модель
Не выбрано
ЛАЗ 4207
ЛАЗ 5252
ЛАЗ 695Б
ЛАЗ 695Н (1976)
ЛАЗ 699Р
Схема
>
Не выбрано
Установка оперения
Ветровое, заднее окна и рейсоуказатель маршрута
Дверки багажников
Каркас основания
Стеклоочиститель и стеклоомыватель
Каркас передка с облицовкой
Установка рейсоуказателей маршрута
Каркас правой боковины
Каркас левой боковины
Левая боковина
Правая боковина
Люки боковины
Установка окон
Окно боковины
Каркас задка с облицовкой
Каркас крыши
Пассажирские двери
Привод управления дверьми
Установка сидений
Сиденье одноместное
Сиденье двухместное
Сиденье двухместное
Сиденье двухместное
Система отопления
Отопитель салона
Аварийно-вентиляционные люки
Поручни
Установка зеркал
Установка брызговиков
Двигатель D10TSLL-160E2 в сборе с коробкой передач (1)
Двигатель D10TSLL-160E2 в сборе с коробкой передач (2)
Двигатель ЯМЗ-236НЕ в сборе с коробкой передач
Двигатель ЯМЗ-236А в сборе с коробкой передач
Двигатель в сборе с коробкой передач
Подвеска двигателя D10TSLL-160E2 (1)
Подвеска двигателя ЯМЗ-236НЕ и ЯМЗ-236А
Блок цилиндров D10TSLL-160E2
Блок цилиндров ЯМЗ-236НЕ и ЯМЗ-236А
Картер распределительного механизма двигателя D10TSLL-160E2
Картер маховика двигателя D10TSLL-160E2
Коленчатый вал двигателя D10TSLL-160E2
Коленчатый вал и маховик двигателя ЯМЗ-236НЕ и ЯМЗ-236А
Поршень, шатун двигателя D10TSLL-160E2
Поршень, шатун, гильза цилиндра двигателя ЯМЗ-236НЕ и ЯМЗ-236А
Головка цилиндров двигателя D10TSLL-160E2
Головка цилиндров двигателя ЯМЗ-236НЕ и ЯМЗ-236А
Газораспределительный механизм двигателя D10TSLL-160E2
Распределительный вал двигателя ЯМЗ-236НЕ и ЯМЗ-236А
Клапаны и толкатели клапанов двигателя ЯМЗ-236НЕ и ЯМЗ-236А
Кронштейн крепления компрессора двигателя D10TSLL-160E2
Привод топливного насоса высокого давления двигателя ЯМЗ-236НЕ и ЯМЗ-236А
Выпускной коллектор двигателя D10TSLL-160E2
Выпускной коллектор двигателя ЯМЗ-236НЕ и ЯМЗ-236А
Масляный насос двигателя D10TSLL-160E2
Масляный насос двигателя ЯМЗ-236НЕ и ЯМЗ-236А
Фильтр тонкой очистки масла двигателя D10TSLL-160E2
Фильтр тонкой очистки масла двигателя D10TSLL-160E2
Фильтр грубой очистки масла двигателя ЯМЗ-236НЕ и ЯМЗ-236А
Фильтр центробежной очистки масла двигателя ЯМЗ-236НЕ и ЯМЗ-236А
Водомасляный теплообменник двигателя D10TSLL-160E2
Масляный картер двигателя D10TSLL-160E2
Масляный картер двигателя ЯМЗ-236НЕ и ЯМЗ-236А
Топливный насос высокого давления двигателя D10TSLL-160E2
Радиатор масляный двигателя ЯМЗ-236НЕ и ЯМЗ-236А
Система питания двигателя ЯМЗ-236НЕ и ЯМЗ-236А
Топливный бак двигателя ЯМЗ-236НЕ и ЯМЗ-236А
Топливный бак двигателя D10TSLL-160E2
Трубопроводы топливные двигателя D10TSLL-160E2
Трубопроводы топливные двигателя D10TSLL-160E2
Трубопроводы топливные двигателя ЯМЗ-236НЕ и ЯМЗ-236А
Фильтр грубой очистки топлива двигателя D10TSLL-160E2
Фильтр грубой очистки топлива двигателя ЯМЗ-236НЕ и ЯМЗ-236А
Фильтр тонкой очистки топлива двигателя D10TSLL-160E2
Фильтр тонкой очистки топлива двигателя D10TSLL-160E2
Фильтр тонкой очистки топлива двигателя ЯМЗ-236НЕ и ЯМЗ-236А
Топливный насос высокого давления в сборе с регулятором числа оборотов двигателя D10TSLL-160E2
Топливный насос низкого давления двигателя D10TSLL-160E2
Топливный насос низкого давления двигателя ЯМЗ-236НЕ и ЯМЗ-236А
Топливный насос высокого давления двигателя D10TSLL-160E2
Топливный насос высокого давления двигателя ЯМЗ-236НЕ и ЯМЗ-236А
Регулятор числа оборотов двигателя D10TSLL-160E2
Регулятор числа оборотов двигателя ЯМЗ-236НЕ и ЯМЗ-236А
Регулятор числа оборотов двигателя ЯМЗ-236НЕ и ЯМЗ-236А
Муфта опережения впрыска топлива двигателя ЯМЗ-236НЕ и ЯМЗ-236А
Форсунки двигателя D10TSLL-160E2
Форсунки двигателя ЯМЗ-236НЕ и ЯМЗ-236А
Управление подачей топлива
Управление подачей топлива двигателя ЯМЗ-236НЕ и ЯМЗ-236А
Установка системы питания двигателя D10TSLL-160E2 воздухом
Установка системы питания двигателя ЯМЗ-236А воздухом
Установка системы питания двигателя ЯМЗ-236НЕ воздухом
Фильтр воздушный двигателя ЯМЗ-236НЕ и ЯМЗ-236А
Впускной коллектор двигателя D10TSLL-160E2
Впускной коллектор двигателя ЯМЗ-236НЕ и ЯМЗ-236А
Турбокомпрессор двигателя D10TSLL-160E2
Турбокомпрессор двигателя D10TSLL-160E2
Система выпуска отработавших газов двигателя D10TSLL-160E2
Система выпуска отработавших газов двигателя ЯМЗ-236НЕ и ЯМЗ-236А
Установка системы охлаждения двигателя D10TSLL-160E2
Установка системы охлаждения двигателя ЯМЗ-236НЕ и ЯМЗ-236А
Установка расширительного бачка
Радиатор двигателя D10TSLL-160E2 (внешний вид)
Радиатор двигателя D10TSLL-160E2
Кожух вентилятора
Вентилятор и его привод
Муфта вентилятора двигателя D10TSLL-160E2
Водяной насос двигателя D10TSLL-160E2
Водяной насос двигателя ЯМЗ-236НЕ и ЯМЗ-236А
Термостат двигателя ЯМЗ-236НЕ и ЯМЗ-236А
Трубопровод системы охлаждения двигателя D10TSLL-160E2
Натяжное устройство двигателя D10TSLL-160E2
Опора натяжная
Опора натяжная двигателя ЯМЗ-236НЕ и ЯМЗ-236А
Сцепление (модели 52528, 52528А)
Сцепление (модели 52527, 52527-01)
Механизм и привод управления сцеплением (модель 52527)
Усилитель привода управления сцеплением (модели 52528, 52528А)
Усилитель привода управления сцеплением (модели 52527, 52527-01)
Установка усилителя привода управления сцеплением (модели 52527, 52528, 52528А)
Коробка передач (модель 52527)
Коробка передач (модель 52527)
Механизм коробки передач (модель 52527)
Механизм коробки передач (модель 52527)
Механизм коробки передач (модель 52527)
Механизм переключения передач (модель 52527)
Механизм переключения передач (модель 52527)
Привод управления механизмом переключения передач (модели 52527, 52528, 52528А)
Привод управления механизмом переключения передач (модели 52527, 52528, 52528А)
Гидромеханическая передача ГМП "Львов" модели 218.17
Коробка передач (модели 52528, 52528А)
Механизм коробки передач (модели 52528, 52528А)
Механизм переключения передач (модели 52528, 52528А)
Механизм переключения передач (модели 52528, 52528А)
Привод управления механизмом переключения передач (модели 52528, 52528А)
Карданный вал
Мост задний
Картер заднего моста
Главная передача и дифференциал
Картер заднего моста, полуось
Колесный редуктор
Бампер передний
Бампер задний
Передняя подвеска
Рессоры передние
Амортизатор
Реактивные штанги передней подвески
Подвеска задняя
Реактивные штанги задней подвески
Регулятор положения кузова передней подвески
Регулятор положения кузова задней подвески
Ось передняя и поворотные кулаки
Тяги рулевые
Тяги рулевые
Колесо переднее
Ступица передних колес
Ступица задних колес
Держатель запасного колеса
Управление рулевое
Колонка рулевого управления
Угловой редуктор рулевого управления
Механизм рулевого управления
Система гидроусиления руля
Гидроусилитель рулевого механизма
Распределитель гидроусилителя
Бачок гидроусилителя
Насос гидроусилителя
Крепление насоса гидроусилителя
Трубопроводы и шланги гидроусилителя
Тормозная система
Тормоза передние
Тормоза задние
Привод тормозного крана
Кран тормозной
Трубопроводы тормозной системы
Баллоны воздушные
Установка адсорбера и трубопроводов соединения
Клапан защитный одинарный
Клапан слива конденсата
Клапан контрольного вывода
Камера тормозная
Камера тормозная задняя
Кран тормозной обратного действия
Клапан ускорительный
Клапан перепускной двухмагистральный
Тормоз вспомогательный
Клапан автоматического слива конденсата
Компрессор и его привод двигателя D10TSLL-160E2
Компрессор А29.14.000М двигателя ЯМЗ-236НЕ и ЯМЗ-236А
Принципиальная схема электрооборудования
Принципиальная схема электрооборудования
Установка генератора (модели 52527, 52527-01)
Генератор
Аккумуляторные батареи
Стартер, внешний вид (модели 52527, 52527-01)
Стартер
Внешние световые приборы
Щит распределительный
Щит мотоотсека
Панель приборов
Панель приборов
Панель щитка приборов правая
Панель щитка приборов средняя
Панель щитка приборов левая
Инструмент и принадлежности
1
2
5
6
7
8
9
10
10
11
12
13
14
16
17
18
19
20
21
22
22
23
24
25
26
27
28
29
30
31
32
33
34
35
Позиция на иллюстрации
Заводской номер детали
Название детали
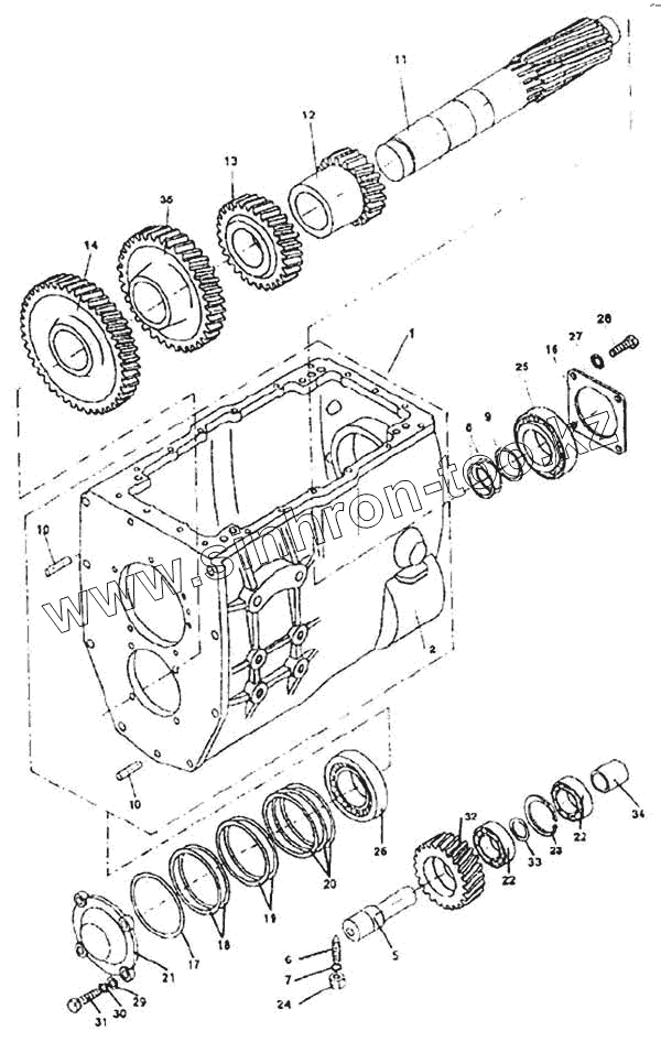
1
11У1.1701010
Картер коробки передач
2
11У1.1701015
Картер коробки передач
5
11У4.1701092
Ось шестерни промежуточной
6
11У1.1701094
Стопор оси шестерни промежуточной
7
11У1.1701095
Шайба
8
11У1.1701076
Шайба регулировочная
9
11У1.1701077
Шайба регулировочная
10
11У1.1701263
Штифт
11
11У1.1701051
Вал промежуточный КП
12
11У1.1701052
Шестерня 2-ой передачи промежуточного вала
13
11У1.1701053
Шестерня 3-ей передачи промежуточного вала
14
11У1.1701056
Шестерня привода промежуточного вала
16
11У1.1701078
Пластина
17
11У1.1701062
Шайба установочная
18
11У1.1701063
Шайба регулировочная
19
11У1.1701064
Шайба регулировочная
20
11У1.1701065
Шайба регулировочная
21
11У1.1701061
Крышка переднего подшипника промежуточного вала
22
11У1.1701099
Подшипник 6306А
23
11У1.1701097
Кольцо упорное
24
11У1.1701096
Гайка стопорная
25
11У1.1701073
Подшипник 30310А
26
11У1.1701066
Подшипник 3021ЗА
27
Шайба
Шайба
28
Болт М12-6gх25
Болт М12-6gх25
29
Шайба 12
Шайба 12
30
Шайба 12Т
Шайба 12Т
31
Болт М12-6gх30
Болт М12-6gх30
32
11У1.1701082
Шестерня промежуточная
33
11У1.1701098
Кольцо промежуточное
34
11У1.1701093
Втулка
35
11У1.1701059
Шестерня 4-ой передачи промежуточного вала
Содержащиеся в справочниках-каталогах запасные части и детали не предлагаются к продаже, а носят исключительно информационный характер
Дополнительная информация
×
Название:
Номер:
Примечание: