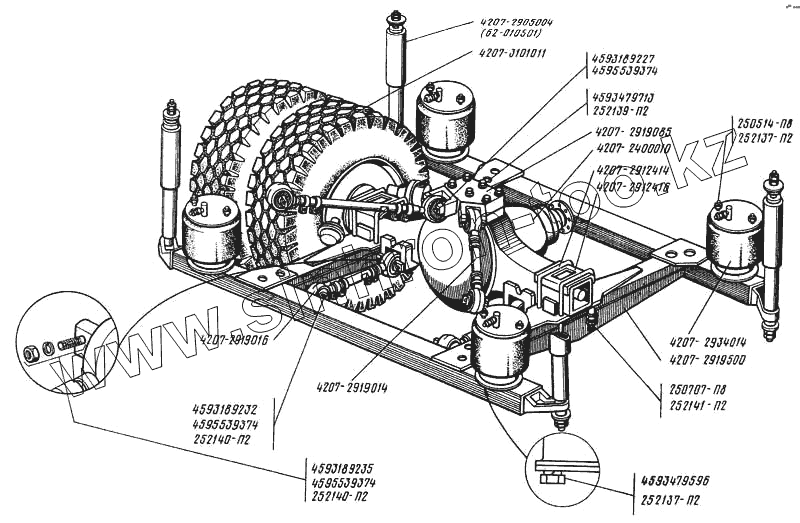
Каталог запасных частей к технике: ЛАЗ 4207. Задняя подвеска
4207-2400010
62-010501
4207-2919016
4207-2919014
252141-П2
252140-П2
252140-П2
252139-П2
252137-П2
252137-П2
4207-2912414
4207-2919500
4207-2912416
4207-2905004
4207-2919085
4207-3101011
250707-П8
45 9555 9374
45 9555 9374
45 9555 9374
250514-П8
45 9318 9227
45 9318 9235
45 9318 9232
45 9347 9713
45 9317 9343
4207-2934014
| Позиция на иллюстрации | Заводской номер детали | Название детали | |
|---|---|---|---|
| 4207-2400010 | 4207-2400010 | Мост задний с тормозными камерами в сборе | |
| 62-010501 | 62-010501 | Амортизатор передней подвески в сборе | |
| 4207-2919136 | 4207-2919136 | Штифт | |
| 4207-2919016 | 4207-2919016 | Штанга задней подвески нижняя в сборе | |
| 4207-2919014 | 4207-2919014 | Штанга задней подвески верхняя в сборе | |
| 252141-П2 | 252141-П2 | Шайба 20 пружинная | |
| 252140-П2 | 252140-П2 | Шайба 18 пружинная | |
| 252139-П2 | 252139-П2 | Шайба 16 пружинная | |
| 252137-П2 | 252137-П2 | Шайба 12 пружинная | |
| 4207-2912414 | 4207-2912414 | Стремянка | |
| 4207-2919500 | 4207-2919500 | Рама пневмобаллонов в сборе | |
| 4207-2912416 | 4207-2912416 | Накладка | |
| 4207-2905004 | 4207-2905004 | Амортизатор передней подвески (62-01050-1 ВНР) в сборе | |
| 4207-2919085 | 4207-2919085 | Кронштейн верхних реактивных штанг | |
| 4207-3101011 | 4207-3101011 | Колесо в сборе | |
| 250707-П8 | 250707-П8 | Гайка М20х1,5 | |
| 45 9555 9374 | 45 9555 9374 | Гайка М18х1,5 | |
| 250514-П8 | 250514-П8 | Гайка М12х1,75 | |
| 45 9318 9227 | 45 9318 9227 | Болт М18х1,5х65 | |
| 45 9318 9235 | 45 9318 9235 | Болт М18х1,5х130 | |
| 45 9318 9232 | 45 9318 9232 | Болт М18х1,5х100 | |
| 45 9347 9713 | 45 9347 9713 | Болт М16х1,5х55 | |
| 45 9317 9343 | 45 9317 9343 | Болт М12х25 | |
| 4207-2934014 | 4207-2934014 | Баллон задней пневматической подвески в сборе |
Содержащиеся в справочниках-каталогах запасные части и детали не предлагаются к продаже, а носят исключительно информационный характер