Вернуться на главную
Поиск
Каталоги запчастей к технике
Автобусы
ЛАЗ
ЛАЗ 4207
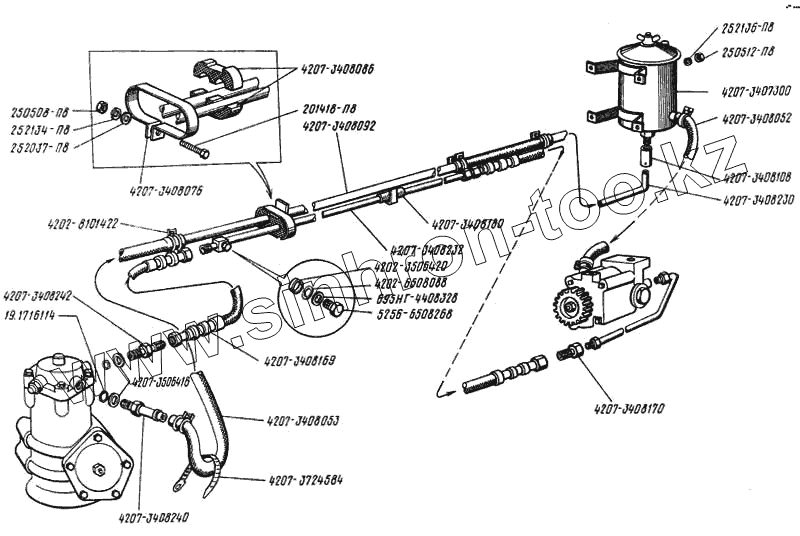
Трубопроводы гидроусилителя рулевого управления
Каталог запасных частей к технике: ЛАЗ 4207. Трубопроводы гидроусилителя рулевого управления
zoom-in
zoom-out
enlarge
shrink
circle-right
circle-left
file-text2
info
cart
Тип техники
Не выбрано
Легковые автомобили
Грузовые автомобили и прицепы
Автобусы
Сельхозтехника
Спецтехника
Двигатели
Мототехника
Марка
Не выбрано
Golden Dragon
Hyundai
Ikarus
Karosa
King Long
Neoplan
Yutong
ZF
АМАЗ
Богдан
ЗИЛ
КАВЗ
Камский автозавод
ЛАЗ
ЛЗГМП
ЛиАЗ
Нефтекамский автозавод
ПАЗ
УралАЗ
Модель
Не выбрано
ЛАЗ 4207
ЛАЗ 5252
ЛАЗ 695Б
ЛАЗ 695Н (1976)
ЛАЗ 699Р
Схема
>
Не выбрано
Установка оперения
Каркас основания
Панели пола
Мягкий настил пола
Панель багажников отсеков, уплотнение
Ковры, подножки, люки
Крыша люка пола, опора люка
Стеклоочиститель и стеклоомыватель
Каркас передка с облицовкой
Каркас левой боковины
Каркас правой боковины
Левая боковина
Правая боковина
Дверки багажников
Дверки
Панели багажных отсеков, аккумуляторного и инструментального ящиков
Каркас задка с облицовкой
Каркас мотоотсека с обивкой
Нижние панели обшивки мотоотсека
Дверка мотоотсека и панели обивки
Дверка мотоотсека
Каркас крыши
Облицовка и обивка крыши
Аварийно-вентиляционные люки
Пассажирские двери
Пассажирские двери
Дверь пассажирская передняя
Дверь пассажирская задняя
Механизм привода дверей
Сиденье водителя
Сиденье двухместное
Сиденье заднее и откидное
Установка сидений и ремней безопасности
Принудительная вентиляция
Принудительная вентиляция
Система отопления (номенклатура отсутствует)
Система отопления (номенклатура отсутствует)
Отопитель передний
Отопитель салона (номенклатура отсутствует)
Привод управления отопителем
Кожух воздухозаборника, шторка
Установка зеркал
Поручни
Шторы кабины водителя
Шторки салона
Ящик для мелких вещей водителя, аптечка
Установка занавесок
Установка рейсоуказателей
Установка багажных полок
Установка гардероба
Установка брызговиков задних колес
Двигатель в сборе и коробка передач
Силовой агрегат с демонтированными агрегатами
Подвеска двигателя и коробки передач
Блок цилиндров
Головка цилиндров
Поршень и шатун
Вал коленчатый
Маховик
Вал распределительный, клапаны и толкатели
Коллектор выпускной
Картер масляный двигателя
Масляный насос двигателя
Насос масляный
Фильтр грубой очистки масла
Фильтр-теплообменник (установка)
Фильтр-теплообменник
Вентиляция картера двигателя
Фильтр центробежный очистки масла (вариант)
Привод агрегатов
Привод ТНВД
Установка топливного бака
Трубопроводы системы питания
Трубопроводы топливные (схема соединений), электрофакельный подогреватель
Фильтр грубой очистки топлива
Насос топливный низкого давления
Привод управления регулятором
Привод управления регулятором
Цилиндр пневматический
Клапан пневмоэлектрический
Клапан пневмоэлектрический
Воздушный фильтр
Регулятор частоты вращения
Пружина главная регулятора частоты вращения
Насос топливный высокого давления
Форсунка
Коллектор впускной
Фильтр тонкой очистки топлива
Муфта опережения впрыска топлива
Насос ручной топливоподкачивающий
Глушитель
Система выпуска газа
Трубопроводы с кожухом и кронштейнами
Радиатор с кожухом и кронштейнами
Система охлаждения
Трубопроводы двигателя, термостаты
Водяной насос
Муфта включения вентилятора
Опора натяжная
Обод с натяжным устройством
Клапан включения муфты вентилятора, воздухопровод
Установка расширительного бачка
Картер сцепления
Сцепление
Привод выключения сцепления
Усилитель привода сцепления
Коробка передач
Коробка передач
Механизм переключения передач
Рычаг переключения передач
Крышка механизма управления переключением передач (номенклатура отсутствует)
Тяга управления переключения передач
Вал карданный
Мост задний
Буфер передний
Буфер задний
Передняя подвеска
Задняя подвеска
Штанга передней и задней подвесок
Установка регуляторов положения кузова
Регулятор положения кузова
Ось передняя
Ось передняя, поворотные кулаки
Тяга сошки рулевого механизма
Поперечная рулевая тяга
Колесо, удлинитель вентиля
Ступица переднего колеса, тормозной барабан
Установка запасного колеса, держатель и лебедка
Управление рулевое
Колонка рулевого управления
Гидроусилитель руля
Трубопроводы гидроусилителя рулевого управления
Тормозная система
Тормоз передний
Механизм разжимной
Клин
Привод тормозного крана
Трубопроводы пневмосистемы
Соединение трубопроводов
Соединение трубопроводов
Соединение трубопроводов
Компрессор
Воздухоочиститель и трубопроводы компрессора
Воздушные ресиверы
Привод слива конденсата, клапан слива конденсата
Клапан автоматического слива конденсата
Защитные панели ресиверов
Ручной тормозной кран, кран пневматический
Кран тормозной обратного действия
Клапан двухмагистральный перепускной
Электрооборудование
Электрооборудование
Установка генератора
Аккумуляторные батареи
Стартер и выключатель стартера
Пневматический сигнал
Щит распределительный
Монтажная схема
Внешние световые приборы
Щит распределительный мотоотсека
Панель щитка приборов левая
Панель щитка приборов левая. Монтажная схема
Панель щитка приборов средняя
Панель щитка приборов средняя. Монтажная схема
Панель щитка приборов правая
Панель щитка приборов правая. Монтажная схема
Электрооборудование и радиооборудование
Инструмент в сумке
Инструмент и принадлежности в багажнике
Противоугонное устройство
Схема установки подшипников
Автобусы ЛАЗ-4207, 4206
5256-6508268
252134-П8
4207-3408242
695НГ-4408328
4207-3408052
252037-П8
252136-П8
4202-8101422
4207-3408230
4207-3408092
4207-3408169
4207-3408086
4207-3407300
4207-3408170
4202-3506416
4207-3408240
4207-3408108
4207-3724584
19-1716114
4202-6508088
250508-П8
250512-П8
201418-П8
Позиция на иллюстрации
Заводской номер детали
Название детали
5256-6508268
5256-6508268
Пробка
252134-П8
252134-П8
Шайба 6 пружинная
4207-3408242
4207-3408242
Ниппель
695НГ-4408328
695НГ-4408328
Прокладка
4207-3408052
4207-3408052
Шланг
252037-П8
252037-П8
Шайба 6 пружинная
252136-П8
252136-П8
Шайба 10 пружинная
4202-8101422
4202-8101422
Хомут стяжной в сборе
4207-3408230
4207-3408230
Трубка в сборе
4207-3408092
4207-3408092
Трубка
4207-3408169
4207-3408169
Рукав высокого давления
4207-3408086
4207-3408086
Прокладка
4207-3407300
4207-3407300
Бачок насоса гидроусилителя
4207-3408170
4207-3408170
Переходник
4202-3506416
4202-3506416
Обойма
4207-3408240
4207-3408240
Ниппель
4207-3408108
4207-3408108
Муфта
4207-3724584
4207-3724584
Лента стяжная
19-1716114
19-1716114
Кольцо 014-018-25-2-1
4202-6508088
4202-6508088
Кольцо уплотнительное
250508-П8
250508-П8
Гайка М6-6Н
250512-П8
250512-П8
Гайка М10-6Н
201418-П8
201418-П8
Болт М6х16
Содержащиеся в справочниках-каталогах запасные части и детали не предлагаются к продаже, а носят исключительно информационный характер
Дополнительная информация
×
Название:
Номер:
Примечание: