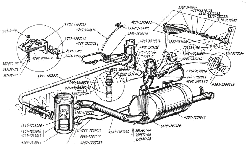
Каталог запасных частей к технике: ЛАЗ 4207. Система выпуска газа
Г-100-3570210
5320-1203020
4207-1202010
4207-1203240
4207-3570094
4207-3570178
4207-3570158
4207-1203033
4207-1203027
4207-3570174
4207-1203017
695М-3724395
4207-1203089
695В-6108206
5320-3570032
262136-П8
252137-П8
252005-П8
252135-П8
677М-3506360-01
4207-3570188
258394-П8
4202-3506208
252136-П8
699А-1203017
5320-3570033
4207-3570208
201561-П29
201462-П8
4207-3570085
5320-3570034
695-3513026
250512-П8
250523-П
250510-П8
4207-1201010
4207-3513022
4207-3570082
4202-6508088
201505-П8
4207-3570014
4207-1202017
4207-1203040
4207-1203052
5320-3570039
740-1108054
4202-3506420
4207-1201068
4207-1202052
4207-1202052
4207-1202036
| Позиция на иллюстрации | Заводской номер детали | Название детали | |
|---|---|---|---|
| Г-100-3570210 | Г-100-3570210 | Цилиндр пневматический диаметром 35х65 | |
| 5320-1203020 | 5320-1203020 | Прокладка фланца | |
| 5320-3570033 | 5320-3570033 | Пружина | |
| 4207-1202010 | 4207-1202010 | Резонатор выхлопа в сборе | |
| 4207-1203240 | 4207-1203240 | Рукав с фланцами в сборе | |
| 4207-3570094 | 4207-3570094 | Рычаг | |
| 4207-3570178 | 4207-3570178 | Тройник переходной | |
| 4207-3570158 | 4207-3570158 | Труба от клапана к пневмоцилиндру передняя в сборе | |
| 4207-1203033 | 4207-1203033 | Труба приемная глушителя левая в сборе | |
| 4207-1203027 | 4207-1203027 | Труба приемная глушителя правая в сборе | |
| 4207-3570174 | 4207-3570174 | Трубка от клапана к пневмоцилиндру в сборе | |
| 4207-1203017 | 4207-1203017 | Фланец трубы глушителя | |
| 695М-3724395 | 695М-3724395 | Хомут в сборе | |
| 4207-1203089 | 4207-1203089 | Хомут крепления приемной трубы | |
| 695В-6108206 | 695В-6108206 | Переходник | |
| 5320-3570032 | 5320-3570032 | Шайба | |
| 262136-П8 | 262136-П8 | Шайба 10 ОТ | |
| 252137-П8 | 252137-П8 | Шайба 12 | |
| 252005-П8 | 252005-П8 | Шайба 8 | |
| 252135-П8 | 252135-П8 | Шайба 8 пружинная | |
| 677М-3506360-01 | 677М-3506360-01 | Шланг гибкий тормозной камеры в сборе | |
| 4207-3570188 | 4207-3570188 | Шпилька | |
| 258394-П8 | 258394-П8 | Штифт 4х25 | |
| 4202-3506208 | 4202-3506208 | Штуцер | |
| 252136-П8 | 252136-П8 | Шайба 10 пружинная | |
| 699А-1203017 | 699А-1203017 | Фланец трубы глушителя | |
| 5320-3570033 | 5320-3570033 | Пружина | |
| 4207-3570208 | 4207-3570208 | Кольцо А20 | |
| 201561-П29 | 201561-П29 | Болт М12х25 | |
| 201462-П8 | 201462-П8 | Болт М8х35 | |
| 4207-3570085 | 4207-3570085 | Вал заслонки | |
| 4207-3570084 | 4207-3570084 | Вал заслонки в сборе | |
| 5320-3570034 | 5320-3570034 | Втулка | |
| 695-3513026 | 695-3513026 | Гайка крепления тройника | |
| 250512-П8 | 250512-П8 | Гайка М10-6Н | |
| 250523-П | 250523-П | Гайка М10х1,25 | |
| 250510-П8 | 250510-П8 | Гайка М8-6Н | |
| 4207-1201010 | 4207-1201010 | Глушитель выхлопа в сборе | |
| 4207-3513022 | 4207-3513022 | Днище воздушного баллона | |
| 4207-3570082 | 4207-3570082 | Заслонка выхлопа | |
| 4202-6508088 | 4202-6508088 | Кольцо уплотнительное | |
| 201505-П8 | 201505-П8 | Болт М10х45 | |
| 4207-3570014 | 4207-3570014 | Корпус вспомогательного тормоза с заслонкой в сборе | |
| 4207-1202017 | 4207-1202017 | Корпус резонатора | |
| 4207-1203040 | 4207-1203040 | Кронштейн в сборе | |
| 4207-1203052 | 4207-1203052 | Кронштейн передний в сборе | |
| 5320-3570039 | 5320-3570039 | Крышка | |
| 740-1108054 | 740-1108054 | Наконечник тяги рычага управления регулятором | |
| 4202-3506420 | 4202-3506420 | Обойма | |
| 4207-1201068 | 4207-1201068 | Патрубок в сборе | |
| 4207-1202052 | 4207-1202052 | Патрубок резонатора правый | |
| 4207-1202062 | 4207-1202062 | Патрубок резонатора левый | |
| 4207-1202052 | 4207-1202052 | Патрубок резонатора правый | |
| 4207-1202036 | 4207-1202036 | Перегородка резонатора |
Содержащиеся в справочниках-каталогах запасные части и детали не предлагаются к продаже, а носят исключительно информационный характер