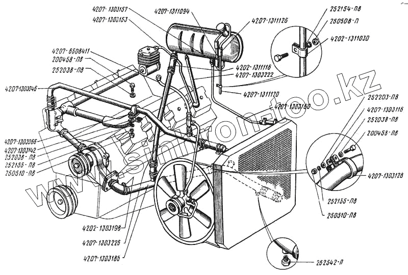
Каталог запасных частей к технике: ЛАЗ 4207. Система охлаждения
4207-1311120
200458-П8
4207-1311126
4202-1311116
4207-1303157
252155-П8
252155-П8
252038-П8
252038-П8
252038-П8
252154-П8
4202-1303198
4202-1311030
4207-1303066
4207-1303046
4207-1303160
4207-1303153
4207-1311094
4202-6508411
4207-1303226
262542-П
4207-1303116
4207-1303142
250510-П8
250510-П8
250508-П8
200458-П8
| Позиция на иллюстрации | Заводской номер детали | Название детали | |
|---|---|---|---|
| 4207-1311120 | 4207-1311120 | Трубка пароотводящая | |
| 200458-П8 | 200458-П8 | Болт М8х25 | |
| 4207-1311126 | 4207-1311126 | Шланг | |
| 258038-П8 | 258038-П8 | Шплинт 3,2х16 | |
| 4202-1311116 | 4202-1311116 | Шланг переливного трубопровода | |
| 4207-1303157 | 4207-1303157 | Шланг | |
| 252155-П8 | 252155-П8 | Шайба 8 | |
| 252038-П8 | 252038-П8 | Шайба 8 | |
| 252154-П8 | 252154-П8 | Шайба 6 | |
| 252000-П8 | 252000-П8 | Шайба 3 | |
| 4202-1303198 | 4202-1303198 | Хомут стяжной в сборе | |
| 4202-1311030 | 4202-1311030 | Хомут в сборе | |
| 4207-1303066 | 4207-1303066 | Хомут | |
| 4207-1303046 | 4207-1303046 | Труса радиатора подводящая в сборе | |
| 4207-1303160 | 4207-1303160 | Трубка радиатора пароотводящая | |
| 201454-П29 | 201454-П29 | Болт М8-6gх16 | |
| 4207-1303153 | 4207-1303153 | Трубка отвода из компрессора нижняя в сборе | |
| 4207-1311094 | 4207-1311094 | Труба смотровая | |
| 4202-6508411 | 4202-6508411 | Труба в сборе | |
| 4207-1303226 | 4207-1303226 | Труба | |
| 4202-1309047 | 4202-1309047 | Прокладка кожуха | |
| 4207-1309150 | 4207-1309150 | Прокладка | |
| 262542-П | 262542-П | Пробка КГ 1/4" | |
| 4207-1309158 | 4207-1309158 | Планка | |
| 4207-1303116 | 4207-1303116 | Кронштейн крепления подводящей трубы | |
| 4207-1303142 | 4207-1303142 | Кронштейн | |
| 4207-1309013 | 4207-1309013 | Кожух вентилятора в сборе | |
| 250510-П8 | 250510-П8 | Гайка М8-6Н | |
| 250508-П8 | 250508-П8 | Гайка М6-6Н | |
| 200458-П8 | 200458-П8 | Болт М8х25 |
Содержащиеся в справочниках-каталогах запасные части и детали не предлагаются к продаже, а носят исключительно информационный характер