Каталог запасных частей к технике: ЛАЗ 4207. Отопитель передний
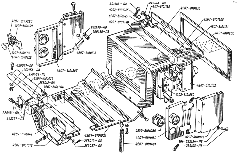
4207-6101023
4207-8101088
4207-8101121
4202-8101035
4207-8101204
4202-8101060
4207-8101506
4207-8101208
4207-8101042
252037-П8
252037-П8
252153-П2
252134-П8
252134-П8
4207-8101491
258012-П8
258012-П8
252130-П8
4207-8101185
220051-П8
220051-П8
220077-П8
220103-П8
250458-П8
250464-П8
250464-П8
4207-8109226
4207-8109228
4207-8101034
201416-П8
4207-8101021
4207-8101132
4207-8101199
4207-8101145
4207-8101116
| Позиция на иллюстрации | Заводской номер детали | Название детали | |
|---|---|---|---|
| 4207-8101196 | 4207-8101196 | Фиксатор | |
| 4207-8101401 | 4207-8101401 | Отопитель салона левый в сборе | |
| 4207-8101400 | 4207-8101400 | Отопитель салона правый в сборе | |
| 4207-6101023 | 4207-6101023 | Панель кожуха переднего отопителя в сборе | |
| 4207-8101088 | 4207-8101088 | Патрубок | |
| 4207-8101121 | 4207-8101121 | Петля крышки в сборе | |
| 4202-8101035 | 4202-8101035 | Прижим | |
| 4207-8101204 | 4207-8101204 | Прок далека | |
| 4207-8101046 | 4207-8101046 | Прокладка | |
| 4202-8101060 | 4202-8101060 | Радиатор переднего отопителя | |
| 4207-8101506 | 4207-8101506 | Ролик | |
| 12.3729000 | 12.3729000 | Сопротивление добавочное 12.3729 | |
| 4207-8101208 | 4207-8101208 | Уплотнитель | |
| 4207-8101042 | 4207-8101042 | Ось заслонки в сборе | |
| 252000-П8 | 252000-П8 | Шайба 3 | |
| 252037-П8 | 252037-П8 | Шайба 6 пружинная | |
| 252153-П2 | 252153-П2 | Шайба 5 пружинная | |
| 252134-П8 | 252134-П8 | Шайба 6 пружинная | |
| 252134-П8 | 252134-П8 | Шайба 6 пружинная | |
| 699Р-8402186 | 699Р-8402186 | Шайба крепежная | |
| 4207-8101491 | 4207-8101491 | Шланг | |
| 258012-П8 | 258012-П8 | Шплинт 2х12 | |
| МЭ237-3730000 | МЭ237-3730000 | Электродвигатель МЭ-237 | |
| 252130-П8 | 252130-П8 | Шайба пружинная | |
| 4207-8101185 | 4207-8101185 | Пружина левая | |
| 4207-8101020 | 4207-8101020 | Кожух переднего отопителя в сборе | |
| 220004-П8 | 220004-П8 | Винт М3х10 | |
| 220051-П8 | 220051-П8 | Винт М4х10 | |
| 220077-П8 | 220077-П8 | Винт М5х10 | |
| 242469-П29 | 242469-П29 | Винт М5х8 | |
| 220103-П8 | 220103-П8 | Винт М6х12 | |
| 250458-П8 | 250458-П8 | Гайка М3 | |
| 250464-П8 | 250464-П8 | Гайка М5 | |
| 250464-П8 | 250464-П8 | Гайка М5 | |
| 4207-8127046 | 4207-8127046 | Жгут в сборе | |
| 4207-8109226 | 4207-8109226 | Зажим | |
| 4207-8109228 | 4207-8109228 | Заклепка специальная | |
| 4207-8101034 | 4207-8101034 | Заслонка | |
| 201416-П8 | 201416-П8 | Болт М6х12 | |
| 4207-8101017 | 4207-8101017 | Кожух в сборе | |
| 4207-8101021 | 4207-8101021 | Кожух переднего отопителя в сборе | |
| 4207-8101409 | 4207-8101409 | Кожух радиатора левый в сборе | |
| 4207-8101408 | 4207-8101408 | Кожух радиатора правый в сборе | |
| 697Р-8104384 | 697Р-8104384 | Колесо вентилятора в сборе | |
| 4207-8101434 | 4207-8101434 | Корпус в сборе | |
| 4207-8101132 | 4207-8101132 | Корпус с вентиляторами в сборе | |
| 4207-8101199 | 4207-8101199 | Кронштейн | |
| 4207-8101145 | 4207-8101145 | Кронштейн в сборе | |
| 4207-8101117 | 4207-8101117 | Крышка | |
| 4207-8101116 | 4207-8101116 | Крышка в сборе |
Содержащиеся в справочниках-каталогах запасные части и детали не предлагаются к продаже, а носят исключительно информационный характер