Каталог запасных частей к технике: ЛАЗ 4207. Коробка передач
5320-1602560
1/59703/21
1/59703/21
1/13070/21
870024
1/12880/21
1/55400/23
1/03776/03
14.1702022
141.1701242-20
14.1702090
1/58962/11
1/43285/01
1/43289/40
14.1701313
14.1701315
14.1701314
14.1701205
14.1701074
14.1702015
14.1701020
14.1701020
14.1701310
14.1701312
14.1702129
14.1701442
45 9939 1005
14.1702014
14.1701075
14.1701203
14.1701021
14.1701021
1/02826/60
14.1702127
14.1702106
14.1701350
14.1702132
14.1701444
141.1701240
1/02570/60
870637-П2
1/05168/73
1/05168/73
1/05168/73
870632
864723
14.1702100
1/35464/21
870760
1/05170/73
1/55409/21
1/05170/73
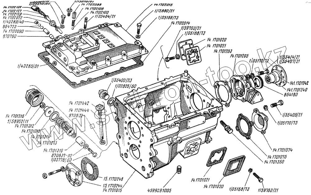
| Позиция на иллюстрации | Заводской номер детали | Название детали | |
|---|---|---|---|
| 5320-1602560 | 5320-1602560 | Бачок главного цилиндра привода сцепления в сборе | |
| 1/59703/21 | 1/59703/21 | Болт М10х1,25х16 крышки люка | |
| 1/13070/21 | 1/13070/21 | Болт М10х1,25х40 | |
| 870024 | 870024 | Болт М10х1,25х40 верхней крышки | |
| 1/12880/21 | 1/12880/21 | Болт М10х1,25х60 верхней крышки | |
| 1/55400/23 | 1/55400/23 | Болт М12х1,25х16 заглушки резьбовых отверстий | |
| 4207-1602212 | 4207-1602212 | Болт специальный | |
| 1/03776/03 | 1/03776/03 | Винт магнита | |
| 4207-1602810 | 4207-1602810 | Втулка | |
| 4207-1302573 | 4207-1302573 | Втулка пальца толкателя | |
| 14.1702022 | 14.1702022 | Втулка предохранителя включения первой передачи заднего хода | |
| 141.1701242-20 | 141.1701242-20 | Втулка распорная | |
| 695Б-1602012 | 695Б-1602012 | Втулка ступицы педали сцепления | |
| 14.1702090 | 14.1702090 | Втулка шарика замка штоков | |
| 1/58962/11 | 1/58962/11 | Гайка М6 | |
| 1/21647/21 | 1/21647/21 | Гайка М10х1,25 | |
| 5320-1602510-10 | 5320-1602510-10 | Главный цилиндр управления сцеплением в сборе | |
| 5320-1602513 | 5320-1602513 | Главный цилиндр управления сцеплением | |
| 5320-1602525 | 5320-1602525 | Держатель пружины | |
| 1/43285/01 | 1/43285/01 | Заглушка чашечная диаметром 16 | |
| 1/43289/40 | 1/43289/40 | Заглушка чашечная диаметром 25 верхней крышки | |
| 14.1731015 | 14.1731015 | Картер коробки передач | |
| 14.1701010 | 14.1701010 | Картер коробки передач в сборе | |
| 14.1701313 | 14.1701313 | Кожух магнита | |
| 14.1702172 | 14.1702172 | Колпак корпуса сапуна | |
| 14.1701315 | 14.1701315 | Кольцо запорное магнита | |
| 14.1701314 | 14.1701314 | Кольцо пружинное магнита | |
| 14.17000100 | 14.17000100 | Коробка передач с картером сцепления в сборе | |
| 14.1700025 | 14.1700025 | Коробка передач с транспортными деталями в сборе | |
| 14.1702171 | 14.1702171 | Корпус сапуна | |
| 4207-1602050 | 4207-1602050 | Кронштейн педали сцепления в сборе | |
| 14.1701205 | 14.1701205 | Крышка заднего подшипника | |
| 14.1701074 | 14.1701074 | Крышка заднего подшипника промежуточного вала | |
| 14.1702015 | 14.1702015 | Крышка коробки передач верхняя | |
| 14.1702013 | 14.1702013 | Крышка коробки передач верхняя в сборе | |
| 14.1701020 | 14.1701020 | Крышка люка отбора мощности | |
| 14.1701310 | 14.1701310 | Магнит | |
| 14.1701308 | 14.1701308 | Магнит с основанием в сборе | |
| 14.1701340 | 14.1701340 | Манжета в сборе | |
| 5320-1602517 | 5320-1602517 | Манжета поршня | |
| 14.1702010 | 14.1702010 | Механизм переключения передач в сборе | |
| 14.1702005-10 | 14.1702005-10 | Механизм переключения передач с опорой рычага в сборе | |
| 695М-1602048 | 695М-1602048 | Накладка площадки педали | |
| 14.1702200-10 | 14.1702200-10 | Опора рычага переключения передач в сборе | |
| 14.1702206 | 14.1702206 | Опора рычага переключения передач со шпильками в сборе | |
| 14.1701312 | 14.1701312 | Основание магнита | |
| 695-1602055-Б | 695-1602055-Б | Ось педали сцепления | |
| 4207-1602013 | 4207-1602013 | Педаль сцепления | |
| 4207-1602009 | 4207-1602009 | Педаль сцепления в сборе | |
| 4207-1602008 | 4207-1602008 | Педаль сцепления с кронштейном и главным цилиндром в сборе | |
| 4207-1602203 | 4207-1602203 | Пластина | |
| 4207-1602040 | 4207-1602040 | Площадка педали сцепления в сборе | |
| 5320-1609510 | 5320-1609510 | Пневмогидравлический усилитель привода управления сцеплением в сборе | |
| 5320-1602515 | 5320-1602515 | Поршень главного цилиндра | |
| 14.1702129 | 14.1702129 | Предохранитель включения первой передачи и заднего хода | |
| 5320-1602529 | 5320-1602529 | Пробка главного цилиндра | |
| 870884 | 870884 | Пробка КГ1/8" | |
| 1/030007/71 | 1/030007/71 | Пробка М16х1,5 верхней крышки | |
| 14.1701442 | 14.1701442 | Пробка резьбовая указателя уровня масла | |
| 45 9939 1005 | 45 9939 1005 | Пробка сливная | |
| 14.1701306 | 14.1701306 | Пробка сливная с магнитом в сборе | |
| 14.1702014 | 14.1702014 | Прокладка верхней крышки | |
| 14.1701075 | 14.1701075 | Прокладка крышки заднего | |
| 14.1701203 | 14.1701203 | Прокладка крышки заднего подшипника | |
| 14.1701021 | 14.1701021 | Прокладка крышки люка | |
| 5320-1602531 | 5320-1602531 | Прокладка пробки | |
| 1/02826/60 | 1/02826/60 | Прокладка пробки 12х1,8х0,5 | |
| 14.1702122 | 14.1702122 | Прокладка фланца верхней крышки | |
| 5320-1602518 | 5320-1602518 | Пружина главного цилиндра | |
| 14.1701346 | 14.1701346 | Пружина манжеты | |
| 695-1602065 | 695-1602065 | Пружина оси педали сцепления распорная | |
| 14.1702127 | 14.1702127 | Пружина предохранители включения первой передачи и заднего хода | |
| 14.1702106 | 14.1702106 | Пружина стопорная шарика | |
| 14.1701350 | 14.1701350 | Рым болт | |
| 4207-1602021 | 4207-1602021 | Сальник педали сцепления | |
| 14.1702170 | 14.1702170 | Сапун коробки передач в сборе | |
| 14.1702173 | 14.1702173 | Сетка сапуна | |
| 14.1702132 | 14.1702132 | Стакан пружины предохранителя включения первой передачи и заднего хода | |
| 14.1702088 | 14.1702088 | Стакан стопорного шарика | |
| 14.1701444 | 14.1701444 | Стержень указателя уровня масла | |
| 5320-1602569 | 5320-1602569 | Толкатель второго-третьего цилиндра | |
| 5320-1602568 | 5320-1602568 | Толкатель поршня главного цилиндра в сборе | |
| 4207-1602161 | 4207-1602161 | Трубка | |
| 4207-1602153 | 4207-1602153 | Трубка в сборе | |
| 14.1701440 | 14.1701440 | Указатель уровня масла в сборе | |
| 141.1701240 | 141.1701240 | Фланец крепления кардана к вторичному валу | |
| 695М-1108072 | 695М-1108072 | Хомут в сборе | |
| 4207-1602165 | 4207-1602165 | Хомут крепления бачка | |
| 5320-1602543 | 5320-1602543 | Чехол защитный главного цилиндра | |
| 1/02570/60 | 1/02570/60 | Шайба уплотнительная 16х22х1,5 | |
| 870851 | 870851 | Шайба 10 замковая | |
| 870637-П2 | 870637-П2 | Шайба магнита | |
| 695М-1602063 | 695М-1602063 | Шайба оси педали сцепления | |
| 695М-1602062 | 695М-1602062 | Шайба оси педали сцепления упорная | |
| 1/26386/01 | 1/26386/01 | Шайба плоская 10х18 | |
| 1/05168/73 | 1/05168/73 | Шайба 10 пружинная | |
| 870632 | 870632 | Шайба уплотнительная пробки указателя | |
| 864723 | 864723 | Шарик Б У 9,525 мм Н знака штоков | |
| 14.1702100 | 14.1702100 | Шарик БУ 12,7 мм Н | |
| 4207-1602575 | 4207-1602575 | Шланг гибкий | |
| 42021-1602590 | 42021-1602590 | Шланг гибкий привода выключения сцепления | |
| 1/35464/21 | 1/35464/21 | Шпилька М10х1,25х20х28 | |
| 870760 | 870760 | Штифт замка штоков | |
| 14.1702184 | 14.1702184 | Штифт установочный | |
| 1/03389/26 | 1/03389/26 | Штифт цилиндрический 10х25 | |
| 4207-1602821 | 4207-1602821 | Штуцер | |
| 4207-1602206 | 4207-1602206 | Штуцер гидросистемы сцепления | |
| 4207-1602571 | 4207-1602571 | Эксцентрик толкателя | |
| 1/05170/73 | 1/05170/73 | Шайба 12 пружинная | |
| 1/55409/21 | 1/55409/21 | Болт М12х1,25х55 | |
| 1/05170/73 | 1/05170/73 | Шайба 12 пружинная |
Содержащиеся в справочниках-каталогах запасные части и детали не предлагаются к продаже, а носят исключительно информационный характер