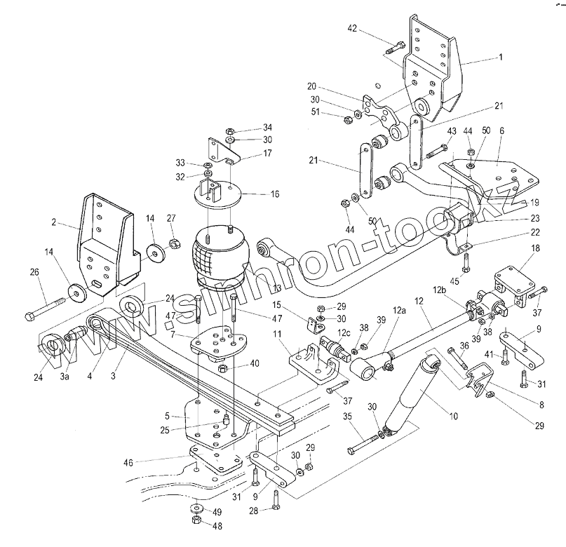
Каталог запасных частей к технике: King Long Автобус XMQ-6129Y5. FRONT SUSPENSION
1
2
3
3a
4
5
6
7
8
9
9
10
11
12
12a
12b
12c
13
14
14
15
16
17
18
19
20
21
21
22
23
24
24
25
26
27
28
29
29
29
30
30
30
30
30
31
31
32
33
34
35
36
37
37
38
38
39
39
40
41
42
43
44
44
45
46
47
47
48
49
50
50
51
| Позиция на иллюстрации | Заводской номер детали | Название детали | |
|---|---|---|---|
| 229400630 | 229400630 | Front air suspension | |
| 1 | 229000094 | Frame bracket | |
| 2 | 229000095 | Frame bracket | |
| 3 | 229000096 | Leaf spring assembly | |
| 3a | 229000097 | Rubber bushing | |
| 4 | 229000098 | Clamping plate | |
| 5 | 229000099 | Location pad | |
| 6 | 229000101 | Location pad | |
| 7 | 229000102 | Lower mounting plate, air spring | |
| 8 | 229000103 | Upper bracket, absorber | |
| 9 | 229000104 | Lower bracket, absorber | |
| 10 | 229000105 | Absorber | |
| 11 | 229000106 | Left bracket, torsion bar | |
| 12 | 229000107 | Torsion assembly | |
| 12a | 229000108 | Left joint , torsion bar | |
| 12b | 229000109 | Right joint , torsion bar | |
| 12c | 229000111 | Bushing | |
| 13 | 229000112 | Air spring | |
| 14 | 229000113 | Adjusting block | |
| 15 | 229002223 | Support plate | |
| 16 | 229000115 | Upper mounting plate, air spring | |
| 17 | 229001476 | Gusset plate | |
| 18 | 229000117 | Right bracket, torsion bar | |
| 19 | 229000118 | Stabilizer anti-roll bar | |
| 20 | 229000878 | Connecting rod | |
| 21 | 229000122 | Connecting rod plate | |
| 22 | 229000123 | Clip | |
| 23 | 229000124 | Bushing | |
| 24 | 229000330 | Washer | |
| 25 | 229000126 | Dowel pin | |
| 26 | 229002305 | Bolt | |
| 27 | 229002310 | Nut | |
| 28 | 229000129 | Hexagon bolt | |
| 29 | 229000131 | Locknut | |
| 30 | 229000132 | Washer | |
| 31 | 229000133 | Hexagon bolt | |
| 32 | 229000134 | Washer | |
| 33 | 229000135 | Nut | |
| 34 | 229000136 | Nut | |
| 35 | 229000137 | Hexagon bolt | |
| 36 | 229002312 | Bolt | |
| 37 | 229002311 | Bolt | |
| 38 | 229000141 | Washer | |
| 39 | 229000147 | Hexagon nut | |
| 40 | 229000143 | Locknut | |
| 41 | 229000144 | Hexagon bolt | |
| 42 | 229002190 | Bolt | |
| 43 | 229002314 | Bolt | |
| 44 | 229002090 | Nut | |
| 45 | 229002315 | Bolt | |
| 46 | 229001475 | Front axle plate | |
| 47 | 229000363 | Bolt | |
| 48 | 229002275 | Hex flange locknut | |
| 49 | 229000373 | Plain washer | |
| 50 | 229000374 | Plain washer | |
| 51 | 229000740 | Hex flange locknut | |
| 518012401 | 518012401 | Bolt | |
| 518016401 | 518016401 | Bolt | |
| 518016501 | 518016501 | Bolt | |
| 532012009 | 532012009 | Nut | |
| 533016002 | 533016002 | Nut |
Содержащиеся в справочниках-каталогах запасные части и детали не предлагаются к продаже, а носят исключительно информационный характер