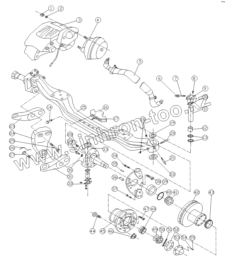
Каталог запасных частей к технике: King Long Автобус XMQ-6127J. FRONT AXLE 30ZDS08F-00005
1
2
3
4
5
6
7
8
9
10
11
12
13
14
15
16
17
18
19
20
21
22
23
24
25
26
27
28
29
30
31
32
33
34
35
| Позиция на иллюстрации | Заводской номер детали | Название детали | |
|---|---|---|---|
| 1 | Q341B16 | Hexagon nut | |
| 2 | Q40316 | Spring washer | |
| 3 | 3501ZDS04A-010/015 | Left/right clip | |
| 4 | 3519ZDS07A-010-A/015 | Left/right air chamber | |
| 5 | 33ZDS01C-03050 | Tie rod assy | |
| 6 | G107MSZ374-4 | Straight grease nipple | |
| 7 | 700.51-3102-046 | Oil pipe | |
| 8 | Q150B0820-0H1 | Hexagon bolt-dust cap | |
| 9 | 702.20-3102-041 | Upper dust cap | |
| 10 | 840.00-3102-042 | Sealing washer | |
| 11 | 702.20-3101-003 | King pin | |
| 12 | 832.05-3102-004 | Bushing | |
| 13 | 840.00-3102-023 | Oil seal assy | |
| 14 | Q151B20150-0H1 | Bolt- pull rod seat | |
| 15 | 30ZDS08B-01010 | Front axle | |
| 16 | 702.20-3101-015 | Pull rod seat | |
| 17 | A20X45GB/T119 | Locating pin -Pull rod seat | |
| 18 | 832.00-3101-005 | Hexagon bolt-lock pin | |
| 19 | 702.01-3102-024-027 | Adjusting gasket | |
| 20 | 832.45-3101-007 | Lock pin | |
| 21 | 832.45-3101-008 | Lock pin | |
| 22 | BFSB353323/HA3 | Thrust bearing assy | |
| 23 | 30ZDS01A-01041 | Trapezoidal arm, left | |
| 24 | 702.20-3102-053 | Steering knuckle arm | |
| 25 | 932.00-3102-054 | Locking screw | |
| 26 | Q50512375 | Locking wire | |
| 27 | 932.00-3102-054 | Locking screw | |
| 28 | 832.05-3141-096 | Plug | |
| 29 | 702.20-3102-032 | Limiting bolt | |
| 30 | Q351B16-3 | Locking nut-Limiting bolt | |
| 31 | 30ZDS01A-01042 | Trapezoidal arm, right | |
| 32 | 840.00-3102-041 | Lower dust cap | |
| 33 | 702.20-3102-005/002 | Left/right steering knuckle | |
| 34 | 702.20-3141-006 | Hexagon flange bolt-fixing brake | |
| 35 | A16X45GB/T119 | Locating pin |
Содержащиеся в справочниках-каталогах запасные части и детали не предлагаются к продаже, а носят исключительно информационный характер