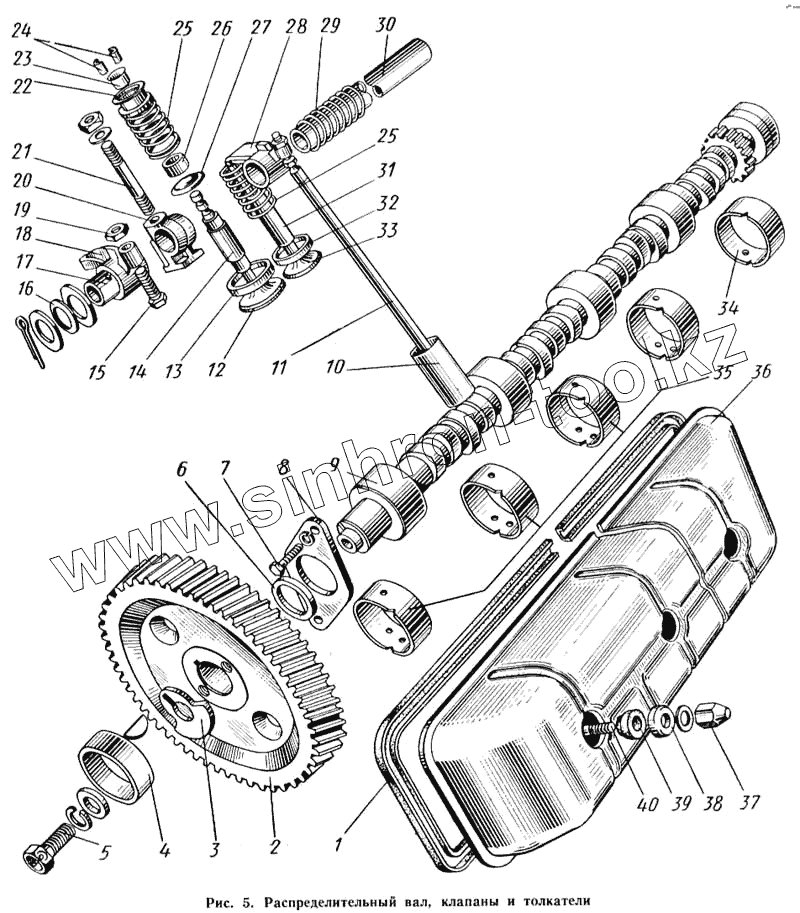
Каталог запасных частей к технике: КАВЗ-685. Распределительный вал, клапаны и толкатели
1
2
3
4
5
6
7
8
9
10
11
12
13
14
15
16
17
18
19
20
21
22
23
24
25
25
26
27
28
29
30
31
32
33
34
35
36
37
38
39
40
| Позиция на иллюстрации | Заводской номер детали | Название детали | |
|---|---|---|---|
| 258054-П | 258054-П | Шплинт 4Х30 | |
| 250513-П | 250513-П | Гайка М10Х1 | |
| 260417-П | 260417-П | Шпонка 5Х22 шестерни распределительного вала сегментная | |
| 252135-П2 | 252135-П2 | Шайба пружинная 8 | |
| 252157-П2 | 252157-П2 | Шайба пружинная 12 | |
| 293527-П | 293527-П | Шайба 23 | |
| 252007-П | 252007-П | Шайба 12,5 | |
| 293324-П13 | 293324-П13 | Шайба 11 | |
| 66-1106104 | 66-1106104 | Тяга рычага ручного привода топливного насоса | |
| К126Б-1107010 | К126Б-1107010 | Карбюратор в сборе (66-1107010-А) | |
| ВК-13-1106205 | ВК-13-1106205 | Комплект запасных деталей топливного насоса | |
| 66-1106169 | 66-1106169 | Кронштейн зажима тяги рычага ручного привода топливного насоса в сборе | |
| 13-1007082-ВР | 13-1007082-ВР | Седло впускного клапана вставное, увеличенное на 0,25 мм | |
| 293324-П | 293324-П | Шайба 11 | |
| 21-1007080-ВР | 21-1007080-ВР | Седло выпускного клапана вставное, увеличенное на 0,25 мм | |
| 13-1007098-Б | 13-1007098-Б | Ось с коромыслами и стойками в сборе | |
| 1 | 13-1007245 | Прокладка крышки коромысел | |
| 2 | 13-1006020 | Шестерня распределительного вала | |
| 3 | 13-1106185 | Эксцентрик привода топливного насоса | |
| 4 | 13-1106186 | Балансир эксцентрика привода топливного насоса | |
| 5 | 66-1006060 | Болт крепления шестерни распределительного вала и привода центробежного датчика в сборе | |
| 6 | 11-6255 | Кольцо распределительного вала распорное | |
| 7 | 201456-П2 | Болт М8Х20 упорного фланца | |
| 8 | 11-6252 | Фланец распределительного вала упорный | |
| 9 | 13-1006015 | Вал распределительный | |
| 10 | 21-1007055-А2 | Толкатель клапана | |
| 11 | 66-1007175 | Штанга толкателя клапана в сборе | |
| 12 | 13-1007010-Б | Клапан впускной | |
| 13 | 13-1007082-РП | Седло впускного клапана вставное, увеличенное на 0,05 мм | |
| 14 | 13-1007033-В | Втулка впускного клапана направляющая | |
| 15 | 21-1007075-Б | Винт клапанов регулировочный | |
| 16 | 21-1007135 | Шайба оси коромысел пружинная | |
| 17 | 13-1007121 | Втулка-коромысла | |
| 18 | 13-1007114-А | Коромысло клапана со втулкой в сборе | |
| 19 | 12-1007076 | Гайка регулировочного винта | |
| 20 | 13-1007105-В | Стойка оси коромысел | |
| 21 | 291815-П | Шпилька М10-М10Х1Х80 стойки оси коромысел | |
| 22 | 21-1007025-Б2 | Тарелка пружины клапана | |
| 23 | 21-1007026-А | Втулка тарелки пружины клапана | |
| 24 | 11-6512 | Сухарь клапана | |
| 25 | 21-1007020-Б | Пружина клапана | |
| 26 | 21-1007014-Б | Колпачок впускного клапана маслоотражательный | |
| 27 | 13-1007022-В | Шайба пружины клапана опорная | |
| 28 | 13-1007112 | Коромысло с регулировочным винтом в сборе | |
| 29 | 21-1007161-Б | Пружина коромысел распорная | |
| 30 | 13-1007100-Б | Ось коромысел с заглушками в сборе | |
| 31 | 13-1007038-В | Втулка выпускного клапана направляющая | |
| 32 | 21-1007080-РП | Седло выпускного клапана вставное, увеличенное на 0,05 мм | |
| 33 | 21-1007015-А2 | Клапан выпускной | |
| 34 | 12-1006024 | Втулка распределительного вала задняя | |
| 35 | 13-1006024-А4 | Втулка распределительного вала | |
| 36 | 66-1007230 | Крышка коромысел в сборе | |
| 37 | 13-1007246 | Гайка крепления крышки коромысел | |
| 38 | 13-1007244-Б | Шайба крышки коромысел специальная | |
| 39 | 13-1007243-Б | Прокладка крышки коромысел уплотнительная | |
| 40 | 291778-П | Шпилька М10-М10Х1Х112 стойки оси коромысел |
Содержащиеся в справочниках-каталогах запасные части и детали не предлагаются к продаже, а носят исключительно информационный характер