Каталог запасных частей к технике: КАВЗ-685. Пусковое оборудование
1
2
3
4
5
6
7
7
8
9
10
10
10
11
12
13
14
15
16
17
18
19
20
21
22
23
24
25
26
27
28
28
28
28
29
30
31
32
33
34
34
35
36
37
38
39
39
39
40
41
42
43
44
45
46
47
48
49
50
51
52
53
54
55
56
57
58
59
60
61
62
63
64
65
66
67
68
69
70
71
72
73
74
75
76
77
78
79
80
81
82
83
84
85
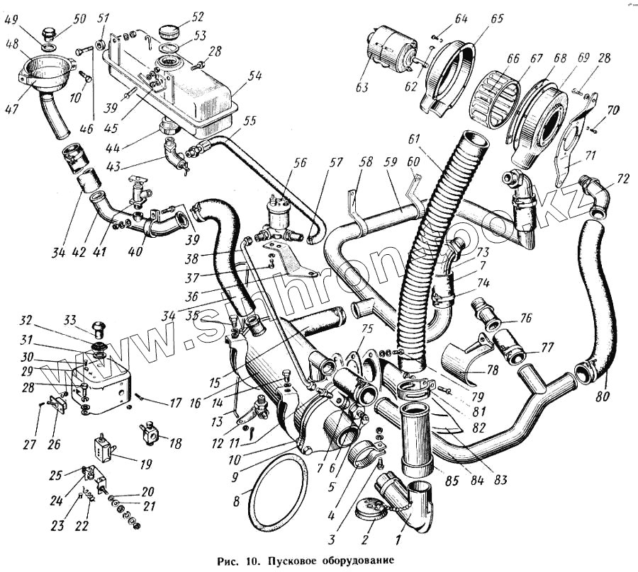
| Позиция на иллюстрации | Заводской номер детали | Название детали | |
|---|---|---|---|
| 13-1016012 | 13-1016012 | Валик привода распределителя с упорной втулкой в сборе | |
| 53-1015550 | 53-1015550 | Вентилятор пускового подогревателя в сборе | |
| 53-1015545 | 53-1015545 | Вентилятор пускового подогревателя с кронштейном в сборе | |
| 251082-П8 | 251082-П8 | Гайка М4 | |
| 251082-П8 | 251082-П8 | Гайка М4 | |
| 251084-П8 | 251084-П8 | Гайка М5 | |
| 251084-П8 | 251084-П8 | Гайка М5 | |
| 250508-П8 | 250508-П8 | Гайка М6 | |
| 250508-П8 | 250508-П8 | Гайка М6 | |
| 250608-П8 | 250608-П8 | Гайка М6 | |
| 251106-П | 251106-П | Гайка М8 кронштейна крепления пускового подогревателя | |
| 53-1015552 | 53-1015552 | Корпус вентилятора пускового подогревателя в сборе | |
| 13-1016010 | 13-1016010 | Привод распределителя в сборе | |
| 297580-П8 | 297580-П8 | Пряжка хомутика | |
| 297580-П8 | 297580-П8 | Пряжка хомутика | |
| 53-1015570 | 53-1015570 | Пульт управления пусковым подогревателем в сборе | |
| 53-1015346-Б | 53-1015346-Б | Трубка воздухоподводного шланга пускового подогревателя со шлангом в сборе | |
| 252002-П8 | 252002-П8 | Шайба 4,2 | |
| 252004-П2 | 252004-П2 | Шайба 6,5 | |
| 252004-П29 | 252004-П29 | Шайба 6 | |
| 252004-П8 | 252004-П8 | Шайба 6,5 | |
| 293173-П8 | 293173-П8 | Шайба 6,5 | |
| 293246-П8 | 293246-П8 | Шайба 6,5 | |
| 293277-П8 | 293277-П8 | Шайба 8,5 | |
| 293280-П8 | 293280-П8 | Шайба 9 | |
| 252152-П2 | 252152-П2 | Шайба пружинная 4 | |
| 252152-П2 | 252152-П2 | Шайба пружинная 4 | |
| 252152-П2 | 252152-П2 | Шайба пружинная 4 | |
| 252134-П2 | 252134-П2 | Шайба 6 пружинная | |
| 252134-П8 | 252134-П8 | Шайба пружинная 6 | |
| 252154-П2 | 252154-П2 | Шайба пружинная 6 | |
| 252154-П2 | 252154-П2 | Шайба пружинная 6 | |
| 252135-П2 | 252135-П2 | Шайба пружинная 8 | |
| 258001-П | 258001-П | Шплинт 1,5Х12 | |
| 258025-П | 258025-П | Шплинт 2,5Х20 | |
| 297575-П8 | 297575-П8 | Шплинт пряжки хомутика | |
| 297575-П8 | 297575-П8 | Шплинт пряжки хомутика | |
| 1 | 53-1017339-Б | Патрубок пускового подогревателя воздухоподводной в сборе | |
| 2 | 53-1015342 | Крышка воздушного патрубка пускового подогревателя в сборе | |
| 3 | 201422-П8 | Болт М6Х25 крепления хомута воздухоподводного патрубка пускового подогревателя | |
| 4 | 53-1015349 | Хомут крепления воздухоподводного патрубка пускового подогревателя | |
| 5 | 53-1015847 | Свеча горелки пускового подогревателя в сборе | |
| 6 | 53-1015845 | Гайка свечи пускового подогревателя поджимая | |
| 7 | 69-1015048 | Шланг отводных и подводных труб пускового подогревателя | |
| 8 | 53-1015850 | Набивка теплообменника пускового подогревателя уплотнительная | |
| 9 | 53-1015800 | Горелка пускового подогревателя в сборе | |
| 10 | 201421-П8 | Болт М6Х22 крепления воронки к хомуту | |
| 10 | 201421-П8 | Болт М6Х22 крепления воронки к хомуту | |
| 11 | 53-1015855 | Штуцер | |
| 12 | 51-1305040 | Краник пускового подогревателя сливной в сборе | |
| 13 | 53-1305025 | Рычаг управления сливным краником пускового подогревателя | |
| 14 | 201458-П8 | Болт М8Х25 крепления пускового подогревателя на раме | |
| 15 | 53-1015049 | Шланг отводной трубы пускового подогревателя | |
| 16 | 53-1015700 | Теплообменник пускового подогревателя в сборе | |
| 17 | 220081-П8 | Винт М5Х18 крепления предохранителя | |
| 18 | 12-3722220 | Предохранитель электрической цепи пускового подогревателя в сборе ПР2-Б | |
| 19 | 20-3709010-Б2 | Переключатель вентилятора и электромагнитного клапана в сборе П305 | |
| 20 | 53-1015599 | Шайба изоляционная малая | |
| 21 | 53-1015597 | Шайба изоляционная | |
| 22 | 53-1015590 | Спираль пульта управления контрольная | |
| 23 | 242471-П29 | Винт М5Х12 крепления контрольной спирали- | |
| 24 | 53-1015582 | Корпус контрольной спирали в сборе | |
| 25 | 53-1015593 | Болт крепления контрольной спирали | |
| 26 | 40Г3714190 | Выключатель свечи накаливания пускового подогревателя в сборе (ВК45) | |
| 27 | 220051-П8 | Винт М4Х10 крепления крышки насоса | |
| 28 | 201416-П8 | Болт М6Х12 крепления кронштейна вентилятора к щитку кабины | |
| 28 | 201416-П8 | Болт М6Х12 крепления кронштейна вентилятора к щитку кабины | |
| 28 | 201416-П8 | Болт М6Х12 крепления кронштейна вентилятора к щитку кабины | |
| 29 | 53-1015575 | Корпус пульта управления пусковым подогревателем в сборе | |
| 30 | 220048-П8 | Винт М4Х6 крепления корпуса контрольной спирали | |
| 31 | 21-3709038 | Шайба прокладочная | |
| 32 | 21-3709030 | Гайка переключателя | |
| 33 | 51-3709051-Б | Ручка тяги переключателя в сборе | |
| 34 | 53-1015063 | Шланг наливной трубы пускового подогревателя | |
| 35 | 201457-П8 | Болт М8Х22 крепления пускового подогревателя на раме | |
| 36 | 53-1015655-Б | Кронштейн крепления магнитного клапана | |
| 37 | 222522-П | Винт М6Х10 | |
| 38 | 53-1015418 | Трубка магнитного клапана подогревателя топливная в сборе | |
| 39 | 210031-П8 | Болт М8Х14 крепления бачка опрыскивателя | |
| 39 | 210031-П8 | Болт М8Х14 крепления бачка опрыскивателя | |
| 40 | 53-1015054 | Скоба крепления наливной трубы пускового подогревателя | |
| 41 | 21-1305010 | Краник наливной трубы пускового подогревателя контрольный в сборе | |
| 42 | 53-1015055 | Труба пускового подогревателя наливная с фланцем в сборе | |
| 43 | 53-1015502 | Краник топливный в сборе | |
| 44 | 63-1015480 | Фильтр топливопровода пускового подогревателя заборный со штуцером в сборе | |
| 45 | 53-1015499 | Кронштейн крепления топливного бачка пускового подогревателя переходный | |
| 46 | 210037-П8 | Болт М6Х28 крепления топливного бачка пускового подогревателя | |
| 47 | 53-1015375 | Хомут крепления воронки пускового подогревателя | |
| 48 | 53-1015050 | Воронка пускового подогревателя наливная со штуцером в сборе | |
| 49 | 293469-П | Шайба 18 | |
| 50 | 296497-П | Пробка М18Х 1,5 наливной трубы пускового подогревателя | |
| 51 | 53-1015498 | Втулка топливного бачка пускового подогревателя переходная | |
| 52 | 53-1015468 | Пробка топливного бачка пускового подогревателя | |
| 53 | 53-1015479-А | Прокладка топливного бачка пускового подогревателя | |
| 54 | 53-1015450 | Бачок пускового подогревателя топливный в сборе | |
| 55 | 53-1015425-Б | Шланг топливного бачка пускового подогревателя в сборе | |
| 56 | 53-1015650 | Клапан пускового подогревателя электромагнитный в сборе | |
| 57 | 297581-П8 | Лента хомутика тяги привода замка капота стяжная | |
| 58 | 53-1015019 | Скоба крепления отводной трубы пускового подогревателя левая | |
| 59 | 53-1015080 | Труба пускового подогревателя отводная в сборе | |
| 60 | 53-1015079 | Скоба крепления отводной трубы пускового подогревателя правая | |
| 61 | 52-8101436 | Шланг пускового подогревателя воздухоподводной | |
| 62 | 30-5303045 | Буфер электродвигателя вентилятора | |
| 63 | 66-8102080 | Электродвигатель вентилятора пускового подогревателя (МЭ202) | |
| 64 | 224570-П8 | Винт М4Х8 | |
| 65 | 30-8102016 | Корпус вентилятора пускового подогревателя | |
| 66 | 242210-П8 | Винт М5Х10 крепления ротора | |
| 67 | 30-8102030-А | Ротор вентилятора в сборе | |
| 68 | 30-8102026 | Прокладка корпуса вентилятора пускового подогревателя | |
| 69 | 30-8102020 | Крышка корпуса вентилятора пускового подогревателя в сборе | |
| 70 | 290277-П8 | Болт М4Х8 тяги | |
| 71 | 53-1015555 | Кронштейн вентилятора пускового подогревателя | |
| 72 | 53-1015066 | Штуцер пускового подогревателя подводной правый | |
| 73 | 53-1015082 | Штуцер пускового подогревателя отводной | |
| 74 | 297586-П8 | Лента хомутиков для шлангов стяжная | |
| 75 | 53-1016393 | Прокладка газоотводного патрубка пускового подогревателя | |
| 76 | 53-1015085 | Штуцер пускового подогревателя подводной левый | |
| 77 | 060-149645 | Шланг подводного штуцера пускового подогревателя | |
| 78 | 53-1015069 | Экран шланга подводной трубы пускового подогревателя | |
| 79 | 201418-П8 | Болт М8Х16 крепления фланца газоотводного патрубка | |
| 80 | 53-1015048 | Шланг подводной трубы пускового подогревателя промежуточный | |
| 81 | 220086-П8 | Винт М5Х30 крепления хомута | |
| 82 | 288014-П8 | Хомутик крепления воздухопроводного шланга к патрубку | |
| 83 | 53-1015035 | Конец направляющей газоотводного патрубка в сборе | |
| 84 | 53-1015076 | Труба пускового подогревателя подводная в сборе | |
| 85 | 53-1015347 | Труба воздухоподводного шланга пускового подогревателя |
Содержащиеся в справочниках-каталогах запасные части и детали не предлагаются к продаже, а носят исключительно информационный характер