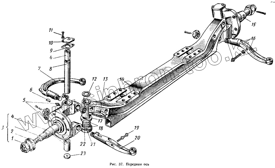
Каталог запасных частей к технике: КАВЗ-685. Ось передняя
1
2
3
4
4
5
6
6
7
8
9
10
11
12
13
14
15
16
17
18
19
20
21
22
23
| Позиция на иллюстрации | Заводской номер детали | Название детали | |
|---|---|---|---|
| 258069-П | 258069-П | Шплинт 5Х35 | |
| 250613-П8 | 250613-П8 | Гайка М10 | |
| 258070-П | 258070-П | Шплинт 5Х40 | |
| 258069-П | 258069-П | Шплинт 5Х35 | |
| 252154-П2 | 252154-П2 | Шайба пружинная 6 | |
| 252137-П2 | 252137-П2 | Шайба пружинная 12 | |
| 53-3000012 | 53-3000012 | Ось передняя с тормозами в сборе | |
| 53-3000015 | 53-3000015 | Ось передняя в сборе | |
| ВК-53-3000101 | ВК-53-3000101 | Комплект для ремонта передней оси | |
| 251016-П8 | 251016-П8 | Гайка М22Х1,5 рычага поворотного кулака к продольной рулевой тяге прорезная | |
| 251016-П8 | 251016-П8 | Гайка М22Х1,5 рычага поворотного кулака к продольной рулевой тяге прорезная | |
| 250507-П8 | 250507-П8 | Гайка М12Х125 | |
| 1 | 292961-П | Гайка М24Х1,5 поворотного кулака | |
| 2 | 51-3001044-А | Втулка сальника ступицы переднего колеса | |
| 3 | 53-3001013-А | Кулак поворотный левый в сборе | |
| 4 | 53-3001016 | Втулка шкворня поворотного кулака | |
| 5 | 264020-П8 | Пресс-масленка К1/8" поворотного кулака | |
| 6 | 260417-П | Шпонка 5Х22 шестерни распределительного вала сегментная | |
| 6 | 260417-П | Шпонка 5Х22 шестерни распределительного вала сегментная | |
| 7 | 53-3001035 | Рычаг поворотного кулака к продольной рулевой тяге | |
| 8 | 53-3001019-А | Шкворень поворотного кулака | |
| 9 | 53-3001052 | Прокладка крышки шкворня | |
| 10 | 53-3001040 | Крышка шкворня | |
| 11 | 201415-П8 | Болт М6Х10 | |
| 12 | 51-3001022 | Шайба поворотного кулака регулировочная | |
| 13 | 51-3001025-А | Штифт шкворня поворотного кулака стопорный | |
| 14 | 53-3001010 | Балка передней оси | |
| 15 | 53-3001012-А | Кулак поворотный правый в сборе | |
| 16 | 53-3001030 | Рычаг рулевой трапеции правый | |
| 17 | 51-3001021 | Колпак упорного подшипника шкворня поворотного кулака защитный | |
| 18 | 52-3001029 | Шайба шкворня поворотного кулака упорная | |
| 19 | 290811-П8 | Болт М10Х1Х35 ограничения поворота кулака | |
| 20 | 53-3001031 | Рычаг рулевой трапеции левый | |
| 21 | 52-3001027 | Обойма подшипника шкворня поворотного кулака | |
| 22 | 52-3001028 | Шайба шкворня поворотного кулака упорная средняя | |
| 23 | 296990-П | Заглушка 38 шкворня |
Содержащиеся в справочниках-каталогах запасные части и детали не предлагаются к продаже, а носят исключительно информационный характер