Каталог запасных частей к технике: КАВЗ-685. Оперение
1
2
3
4
4
5
6
7
8
8
9
10
11
12
12
12
12
12
12
12
12
12
12
13
14
15
16
17
18
19
20
21
22
23
24
25
26
27
28
29
30
31
32
33
34
35
36
37
38
39
40
41
42
43
44
45
46
47
47
48
49
50
51
52
53
54
| Позиция на иллюстрации | Заводской номер детали | Название детали | |
|---|---|---|---|
| 685-8405082 | 685-8405082 | Бобышка | |
| 685-8405052 | 685-8405052 | Болт | |
| 220082-П29 | 220082-П29 | Винт М5Х20 | |
| 220105-П29 | 220105-П29 | Винт М6Х16 | |
| 220107-П29 | 220107-П29 | Винт М6 Х20 | |
| 221107-П29 | 221107-П29 | Винт М6Х20 | |
| 250512-П8 | 250512-П8 | Гайка М10 | |
| 250512-П8 | 250512-П8 | Гайка М10 | |
| 250977-П8 | 250977-П8 | Гайка М12Х1,25 | |
| 250559-П8 | 250559-П8 | Гайка М14Х 1,5 штыря | |
| 250634-П8 | 250634-П8 | Гайка М14Х1,5 крепления привода | |
| 250561-П29 | 250561-П29 | Гайка М16 | |
| 250564-П29 | 250564-П29 | Гайка М20 | |
| 292655-П8 | 292655-П8 | Гайка М4 тяги привода замка капота | |
| 250763-П29 | 250763-П29 | Гайка М5 | |
| 250508-П29 | 250508-П29 | Гайка М6Х1 | |
| 250508-П29 | 250508-П29 | Гайка М6Х1 | |
| 250508-П8 | 250508-П8 | Гайка М6 | |
| 250510-П8 | 250510-П8 | Гайка М8 | |
| 250510-П8 | 250510-П8 | Гайка М8 | |
| 250867-П8 | 250867-П8 | Гайка М8Х1 | |
| 685-8405044 | 685-8405044 | Дно подножки | |
| 21-8406012-Б | 21-8406012-Б | Замок капота в сборе | |
| А9-8402000-Б | А9-8402000-Б | Застежка капота | |
| 52-8402010 | 52-8402010 | Капот в сборе (комплект) | |
| 685-8405025 | 685-8405025 | Кожух подножки | |
| 685-8405040 | 685-8405040 | Корпус подножки | |
| 685-8405020 | 685-8405020 | Корпус подножки в сборе | |
| 685-8404020 | 685-8404020 | Крыло заднего колеса | |
| 297581-П8 | 297581-П8 | Лента хомутика тяги привода замка капота стяжная | |
| 685-8405058 | 685-8405058 | Лист верхней задней подножки | |
| 685-8405018 | 685-8405018 | Лист верхней задней подножки в сборе | |
| 685-8405048 | 685-8405048 | Лист нижней задней подножки | |
| 651-5101107-В | 651-5101107-В | Лист подножки вертикальный | |
| 651-5101105-В | 651-5101105-В | Лист подножки верхний | |
| 685-8405027 | 685-8405027 | Лист подножки нижний | |
| 685-8405062 | 685-8405062 | Накладка | |
| 685-8405032 | 685-8405032 | Накладка в сборе | |
| 685г8405054 | 685г8405054 | Направляющая втулка | |
| М685-8400010 | М685-8400010 | Оперение передка в сборе | |
| 685-8405078 | 685-8405078 | Опора балки | |
| 685-8405046 | 685-8405046 | Опора подножки | |
| 685-8405042 | 685-8405042 | Основание подножки | |
| 685-8404026 | 685-8404026 | Отделочный профиль крыла заднего колеса | |
| 298318-П2 | 298318-П2 | Пистон крепления заднего уплотнителя капота | |
| 685-8405072 | 685-8405072 | Пластина | |
| 685-8405031 | 685-8405031 | Поворотное устройство левое в сборе | |
| 685-8405030 | 685-8405030 | Поворотное устройство правое в сборе | |
| 685-8405012 | 685-8405012 | Подножка в сборе | |
| 685-8405014 | 685-8405014 | Подножка верхняя в сборе | |
| 685-8405016 | 685-8405016 | Подножка нижняя задняя в сборе | |
| 52-8403060 | 52-8403060 | Прокладка переднего крыла на кабине | |
| 52-8403034 | 52-8403034 | Прокладка переднего крыла передняя | |
| 685-8405068 | 685-8405068 | Раскос | |
| 685-8405076 | 685-8405076 | Ребро жесткости | |
| 685-8405064 | 685-8405064 | Стенка боковая | |
| 685-8405066 | 685-8405066 | Стенка нижняя | |
| 685-8405070 | 685-8405070 | Стойка в сборе | |
| 685-8405086 | 685-8405086 | Трубка | |
| 293353-П8 | 293353-П8 | Шайба 12,5 | |
| 252004-П29 | 252004-П29 | Шайба 6 | |
| 252004-П8 | 252004-П8 | Шайба 6,5 | |
| 252037-П8 | 252037-П8 | Шайба 6,5 | |
| 252005-П8 | 252005-П8 | Шайба 8,5 | |
| 252038-П8 | 252038-П8 | Шайба 8,5 | |
| 252038-П8 | 252038-П8 | Шайба 8,5 | |
| 252038-П8 | 252038-П8 | Шайба 8,5 | |
| 293296-П8 | 293296-П8 | Шайба 9 | |
| 252136-П2 | 252136-П2 | Шайба пружинная 10 | |
| 252156-П2 | 252156-П2 | Шайба пружинная 10 | |
| 252178-П8 | 252178-П8 | Шайба пружинная 14 | |
| 252133-П29 | 252133-П29 | Шайба пружинная 5 | |
| 252153-П2 | 252153-П2 | Шайба пружинная 5 | |
| 252134-П2 | 252134-П2 | Шайба 6 пружинная | |
| 252134-П29 | 252134-П29 | Шайба пружинная 6 | |
| 252134-П29 | 252134-П29 | Шайба пружинная 6 | |
| 252154-П2 | 252154-П2 | Шайба пружинная 6 | |
| 252135-П2 | 252135-П2 | Шайба пружинная 8 | |
| 252135-П2 | 252135-П2 | Шайба пружинная 8 | |
| 252135-П8 | 252135-П8 | Шайба пружинная 8 | |
| 252155-П2 | 252155-П2 | Шайба пружинная 8 | |
| 252155-П2 | 252155-П2 | Шайба пружинная 8 | |
| 293270-П8 | 293270-П8 | Шайба пружинная 8 | |
| 293270-П8 | 293270-П8 | Шайба пружинная 8 | |
| 293270-П8 | 293270-П8 | Шайба пружинная 8 | |
| 293270-П8 | 293270-П8 | Шайба пружинная 8 | |
| 258015-П | 258015-П | Шплинт 2Х25 | |
| 258041-П | 258041-П | Шплинт 3Х30 | |
| 258055-П7 | 258055-П7 | Шплинт 4Х36 | |
| 258087-П7 | 258087-П7 | Шплинт 6,3Х60 | |
| 297575-П8 | 297575-П8 | Шплинт пряжки хомутика | |
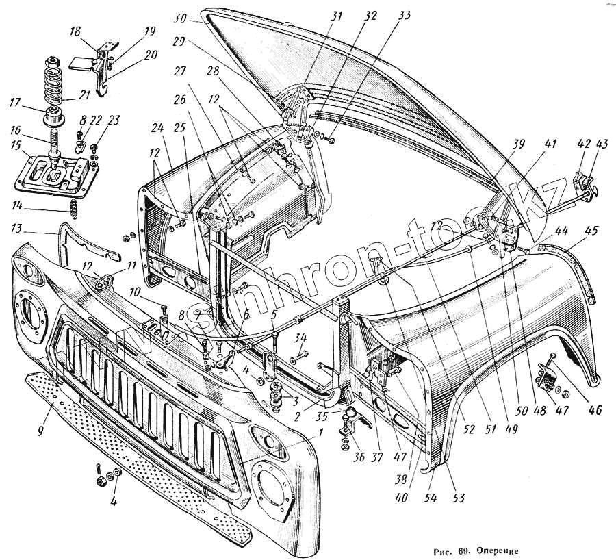
| 1 | 53-8401110 | Облицовка радиатора в сборе | |
| 2 | 53-8401050-Б | Рамка радиатора в сборе | |
| 3 | 81-8401070 | Прокладка подвески рамки радиатора | |
| 4 | 76-8403038 | Буфер облицовки радиатора | |
| 5 | 290941-П8 | Болт М12Х1,25Х50 крепления рамки радиатора к раме | |
| 6 | 52-8401173 | Кронштейн облицовки радиатора боковой левый | |
| 7 | 21-8406190 | Скоба крепления тяги привода замка капота к кузову | |
| 8 | 224622-П8 | Винт М6Х10 крепления скобы | |
| 9 | 53-8401412 | Брызговик облицовки радиатора | |
| 10 | 290277-П8 | Болт М4Х8 тяги | |
| 11 | 52-8401172 | Кронштейн облицовки радиатора боковой правый | |
| 12 | 201456-П8 | Болт М8Х 20 крепления брызговика к кронштейну | |
| 12 | 201456-П8 | Болт М8Х 20 крепления брызговика к кронштейну | |
| 12 | 201456-П8 | Болт М8Х 20 крепления брызговика к кронштейну | |
| 12 | 201456-П8 | Болт М8Х 20 крепления брызговика к кронштейну | |
| 12 | 201456-П8 | Болт М8Х 20 крепления брызговика к кронштейну | |
| 12 | 201456-П8 | Болт М8Х 20 крепления брызговика к кронштейну | |
| 12 | 201456-П8 | Болт М8Х 20 крепления брызговика к кронштейну | |
| 12 | 201456-П8 | Болт М8Х 20 крепления брызговика к кронштейну | |
| 13 | 52-8403034-А | Прокладка переднего крыла передняя | |
| 14 | 21-8406044 | Пружина щеколды замка капота | |
| 15 | 21-8406014-Б | Корпус замка капота в сборе | |
| 16 | 21-8406080 | Штырь капота | |
| 17 | 30-8402626 | Фланец пружины штыря капота | |
| 18 | 13А-5301738 | Пружина крючка-предохранителя капота | |
| 19 | 224597-П8 | Винт М5Х10 крепления крючка | |
| 20 | 52-8406100 | Крючок-предохранитель капота в сборе | |
| 21 | 30-8402624 | Пружина штыря капота | |
| 22 | 21-8406194 | Скоба крепления тяги привода замка капота к замку | |
| 23 | 224624-П8 | Винт М6Х14 крепления замка капота | |
| 24 | 52-8403012 | Крыло переднее правое в сборе | |
| 25 | 53-8401550 | Распорка облицовки радиатора в сборе | |
| 26 | А-35392 | Прокладка | |
| 27 | 53-8403270-Б | Брызговик переднего крыла правый | |
| 28 | 52-8402220-А | Опора капота боковая в сборе | |
| 29 | 201454-П8 | Болт М8Х 16 крепления петли к капоту | |
| 30 | 52-8402012 | Капот в сборе | |
| 31 | 53-8407012 | Петля капота правая в сборе | |
| 32 | 53-8403340 | Угольник брызговика переднего крыла задний правый в сборе | |
| 33 | 201455-П8 | Болт М8Х 18 крепления петли к кузову | |
| 34 | 205424-П8 | Болт М8Х1Х35 крепления облицовки к рамке радиатора | |
| 35 | 21-2902654 | Упор рамки радиатора | |
| 36 | 201496-П8 | Болт М10Х22 крепления кронштейна к раме | |
| 37 | 53-8403271-Б | Брызговик переднего крыла левый | |
| 38 | 201420-П8 | Болт М6Х20 крепления держателя брызговика к распорке облицовки | |
| 39 | 52-8402054 | Уплотнитель капота задний | |
| 40 | 53-8401551 | Распорка облицовки радиатора левая в сборе | |
| 41 | 21-8407070-Б | Пружина петли капота | |
| 42 | 52-8406162 | Кронштейн привода замка капота | |
| 43 | 53-8406150 | Привод замка капота в сборе | |
| 44 | 201497-П8 | Болт М10Х25 крепления растяжки к кронштейну петли капота | |
| 45 | 52-8403060-А | Прокладка переднего крыла на кабине | |
| 46 | 210034-П8 | Болт М6Х20 крепления держателя брызговика к щитку передка | |
| 47 | 52-8403332-А | Держатель брызговика переднего крыла в сборе | |
| 48 | 53-8403341 | Угольник брызговика переднего крыла задний левый в сборе | |
| 49 | 32-8402670 | Втулка привода замка капота | |
| 50 | 53-8407013 | Петля капота левая в сборе | |
| 51 | 52-8401096 | Растяжка рамки радиатора | |
| 52 | 297580-П8 | Пряжка хомутика | |
| 53 | 20-3506046 | Прокладка стяжной ленты хомутика | |
| 54 | 52-8403013 | Крыло переднее левое в сборе |
Содержащиеся в справочниках-каталогах запасные части и детали не предлагаются к продаже, а носят исключительно информационный характер