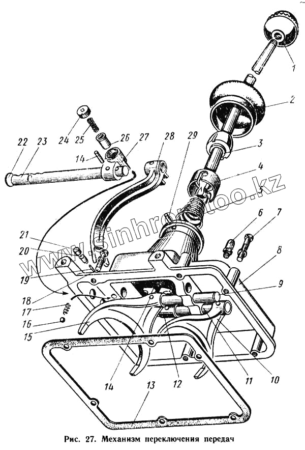
Каталог запасных частей к технике: КАВЗ-685. Механизм переключения передач
1
2
3
4
5
6
7
8
9
10
11
12
13
14
14
14
15
16
17
18
19
20
21
22
23
24
25
26
27
28
29
| Позиция на иллюстрации | Заводской номер детали | Название детали | |
|---|---|---|---|
| 252136-П2 | 252136-П2 | Шайба пружинная 10 | |
| 52-1702094 | 52-1702094 | Головка включения заднего хода в сборе | |
| 1 | 51-1703088 | Рукоятка рычага переключения передач в сборе | |
| 2 | 52-1702128 | Колпак верхней крышки коробки передач защитный | |
| 3 | 52-1702120 | Рычаг переключения передач | |
| 4 | 52-1702126 | Колпак рычага переключения передач | |
| 5 | 52-1702122 | Пружина рычага переключения передач | |
| 6 | 298429-П | Сапун в сборе | |
| 7 | 201505-П8 | Болт М10Х45 крепления верхней крышки коробки передач | |
| 8 | 52-1702015 | Крышка коробки передач верхняя | |
| 9 | 52-1702041 | Шток переключения третьей и четвертой передач | |
| 10 | 52-1702024 | Вилка переключения первой и второй передач | |
| 11 | 52-1702060 | Шток переключения первой и второй передач | |
| 12 | 52-1702025-А | Головка штока переключения первой и второй передач | |
| 13 | 52-1702016 | Прокладка верхней крышки коробки передач | |
| 14 | 258948-П8 | Штифт вилок механизма переключения передач | |
| 14 | 258948-П18 | Штифт вилки переключения третьей и четвертой передач | |
| 15 | 52-1702027 | Вилка переключения третьей и четвертой передач | |
| 16 | 263014-П | Шарик 3/8" фиксатора механизма переключений передач | |
| 17 | ААА-7234 | Пружина стопорного шарика механизма переключения передач | |
| 18 | 201497-П8 | Болт М10Х25 крепления растяжки к кронштейну петли капота | |
| 19 | 52-1702075 | Палец штока переключения третьей и четвертой передач стопорный | |
| 20 | 52-1702080 | Плунжер штоков переключения передач стопорный | |
| 21 | 52-1702089 | Заглушка отверстия плунжеров штоков переключения передач | |
| 22 | 260307-П | Заглушка 20 верхней крышки коробки передач | |
| 23 | 52-1702042 | Шток переключения передачи заднего хода | |
| 24 | 52-1702099 | Стопор пружины предохранителя включения заднего хода | |
| 25 | 52-1702098 | Пружина предохранителя включения заднего хода | |
| 26 | 52-1702097 | Предохранитель включения заднего хода | |
| 27 | 52-1702095-А | Головка штока заднего хода | |
| 28 | 52-1702092 | Вилка включения заднего хода | |
| 29 | 258639-П18 | Штифт 6Х 15 рычага переключения передач установочный |
Содержащиеся в справочниках-каталогах запасные части и детали не предлагаются к продаже, а носят исключительно информационный характер