Каталог запасных частей к технике: КАВЗ-685. Коробка передач
1
2
3
4
5
5
6
7
8
9
10
11
12
13
14
15
16
17
18
19
20
21
22
23
24
25
26
27
28
29
30
31
32
33
34
35
35
36
36
37
38
39
40
41
42
43
44
45
46
47
48
48
49
50
51
52
53
54
55
56
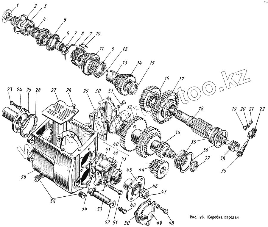
| Позиция на иллюстрации | Заводской номер детали | Название детали | |
|---|---|---|---|
| 52-1701105-Б | 52-1701105-Б | Вал коробки передач вторичный | |
| 201283-П | 201283-П | Болт М10Х28 крепления задней крышки коробки передач | |
| 252155-П2 | 252155-П2 | Шайба пружинная 8 | |
| 252156-П2 | 252156-П2 | Шайба пружинная 10 | |
| 252156-П2 | 252156-П2 | Шайба пружинная 10 | |
| 252136-П2 | 252136-П2 | Шайба пружинная 10 | |
| 252136-П2 | 252136-П2 | Шайба пружинная 10 | |
| 252153-П2 | 252153-П2 | Шайба пружинная 5 | |
| 52-1701116 | 52-1701116 | Муфта переключения третьей и четвертой передач скользящая со ступицей (комплект) | |
| 52-1700010 | 52-1700010 | Коробка передач в сборе | |
| 52-1701128 | 52-1701128 | Комплект шестерни третьей передачи с блокирующим кольцом синхронизатора (после притирки конусов) | |
| 52-1701022 | 52-1701022 | Комплект первичного вала с блокирующим кольцом синхронизатора (после притирки конусов) | |
| 52-1701100 | 52-1701100 | Вал коробки передач вторичный в сборе | |
| 51-1701240-Д | 51-1701240-Д | Фланец вторичного вала коробки передач | |
| 1 | 52-1701034 | Гайка крепления подшипника первичного вала | |
| 2 | 52-1701033 | Кольцо подшипника первичного вала коробки передач упорное | |
| 3 | 150209К | Подшипник первичного вала коробки передач | |
| 4 | 52-1701030 | Вал коробки передач первичный | |
| 5 | 52-1701164 | Кольцо третьей и четвертой передач синхронизатора блокирующее | |
| 6 | 52-1701182 | Ролик переднего подшипника вторичного вала коробки передач | |
| 7 | 52-1701095 | Гайка вторичного вала коробки передач стопорная | |
| 8 | 52-1701170 | Пружина синхронизатора | |
| 9 | 52-1701119 | Ступица скользящей муфты синхронизатора третьей и четвертой передач | |
| 10 | 21А-1701171 | Сухарь синхронизатора | |
| 11 | 52-1701118 | Муфта синхронизатора третьей и четвертой передач скользящая | |
| 12 | 52-1701120 | Стопор втулки шестерни третьей передачи | |
| 13 | 52-1701115 | Втулка шестерни третьей передачи | |
| 14 | 52-1701113 | Шестерня третьей передачи вторичного вала в сборе | |
| 15 | 52-1701104 | Шайба шестерни второй передачи вторичного вала упорная | |
| 16 | 52-1701111 | Шестерня второй передачи вторичного вала в сборе | |
| 17 | 52-1701110 | Шестерня первой передачи и заднего хода | |
| 18 | 52-1701105 | Вал коробки передач вторичный | |
| 19 | 51-3802031 | Стопор штуцера гибкого вала привода к спидометру | |
| 20 | 252154-П2 | Шайба пружинная 6 | |
| 21 | 290490-П8 | Болт М6Х12 крепления стопора штуцера ведомой шестерни привода к спидометру | |
| 22 | 51-3802030 | Штуцер гибкого вала привода к спидометру | |
| 23 | 201457-П8 | Болт М8Х22 крепления пускового подогревателя на раме | |
| 24 | 51-1601190-А | Скоба оттяжной пружины муфты подшипника выключения сцепления | |
| 25 | 52-1701040 | Крышка подшипника первичного вала коробки передач | |
| 26 | 52-1701042 | Прокладка крышки подшипника первичного вала коробки передач | |
| 27 | 52-1701016 | Грязеуловитель коробки передач | |
| 28 | 220075-П | Винт М5Х7 крепления грязеуловителя | |
| 29 | 52-1701021 | Прокладка крышки люка коробки передач | |
| 30 | 52-1701020 | Крышка люка коробки передач | |
| 31 | 201495-П | Болт М10Х20 крепления крышки люка коробки передач | |
| 32 | 52-1701068-А | Заглушка переднего подшипника промежуточного вала коробки передач | |
| 33 | 52-1701064 | Подшипник промежуточного вала коробки передач передний в сборе | |
| 34 | 52-1701050 | Блок шестерен промежуточного вала коробки передач | |
| 35 | 150307К | Подшипник вторичного вала коробки передач задний | |
| 35 | 150307К | Подшипник вторичного вала коробки передач задний | |
| 36 | 20-1701034 | Кольцо заднего подшипника вторичного вала коробки передач упорное | |
| 36 | 20-1701034 | Кольцо заднего подшипника вторичного вала коробки передач упорное | |
| 37 | 52-1701079 | Гайка заднего подшипника промежуточного вала коробки передач стопорная | |
| 38 | 52-3802033 | Шестерня привода к спидометру ведущая | |
| 39 | 52-3802034 | Шестерня привода к спидометру ведомая | |
| 40 | 52-1701200 | Крышка заднего подшипника вторичного вала коробки передач в сборе | |
| 41 | 52-1701205 | Крышка заднего подшипника вторичного вала коробки передач | |
| 42 | 51-3508055 | Палец рычага привода центрального тормоза | |
| 43 | 51-1701210-А2 | Сальник вторичного вала коробки передач с пружиной в сборе | |
| 44 | 52-1701080 | Блок шестерен заднего хода коробки передач в сборе | |
| 45 | 52-1701240 | Фланец вторичного вала коробки передач | |
| 46 | 51-2402064 | Шайба гайки вторичного вала коробки передач | |
| 47 | 52-1701247 | Гайка М22 вторичного вала коробки передач | |
| 48 | 201497-П | Болт М10Х25 крышки заднего подшипника промежуточного вала коробки передач | |
| 49 | 52-1701070 | Крышка заднего подшипника промежуточного вала коробки передач | |
| 50 | 524701075 | Прокладка крышки заднего подшипника промежуточного вала коробки передач | |
| 51 | 201510-П8 | Болт М10Х65 крепления задней крышки коробки передач | |
| 52 | 52-1701092 | Пластина оси заднего хода коробки передач упорная | |
| 53 | 52-1701090 | Ось блока шестерен заднего хода коробки передач | |
| 54 | 52-1701203 | Прокладка крышки заднего подшипника вторичного вала коробки передач | |
| 55 | А-24457 | Пробка наливного и сливного отверстий картера коробки передач | |
| 56 | 52-1701015 | Картер коробки передач |
Содержащиеся в справочниках-каталогах запасные части и детали не предлагаются к продаже, а носят исключительно информационный характер