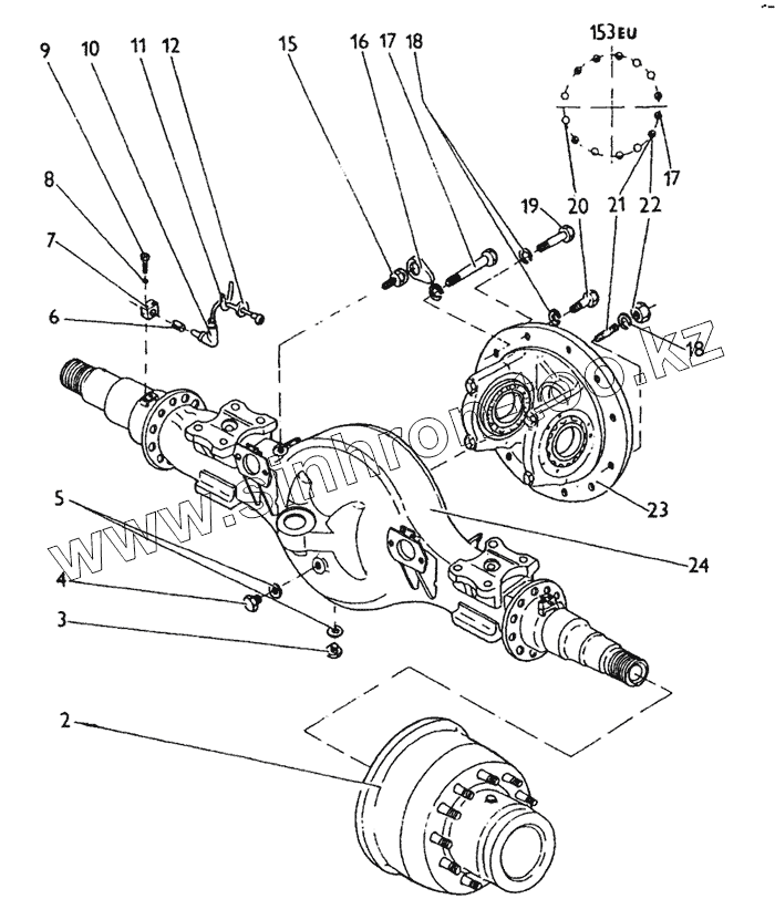
Каталог запасных частей к технике: Karosa C 734. Задний мост (ось) DETVA
442 90112 0013
2
3
4
5
6
7
8
9
10
11
12
15
16
17
17
18
18
19
20
21
22
23
24
| Позиция на иллюстрации | Заводской номер детали | Название детали | |
|---|---|---|---|
| 442 90112 0013 | 442 90112 0013 | Задний мост i=4,89 (DОN 7115) | |
| 2 | 442 17263 059 4 | Колесная единица левая и правая половины | |
| 3 | [Пробка с магнитом М30х1,5 СSN 02 1914 15] | Пробка с магнитом М30х1,5 СSN 02 1914 15 | |
| 4 | [Пробка М30х1,5 СSN 02 1915 15] | Пробка М30х1,5 СSN 02 1915 15 | |
| 5 | [Кольцо уплотнительное 30х36 6SN 02 9310.3] | Кольцо уплотнительное 30х36 6SN 02 9310.3 | |
| 6 | 2 260 410 790 | Уплотнительная клетка ВОSСН | |
| 7 | 442 12896 235 4 | Кронштейн датчика (АБС) | |
| 8 | [Шайба 6 СSN 02 1741 05] | Шайба 6 СSN 02 1741 05 | |
| 9 | [Болт М6х40 СSN 02 1103.25] | Болт М6х40 СSN 02 1103.25 | |
| 10 | 0 265 050 014 | Датчик оборотов ВОSСН | |
| 11 | [Изоляционная трубка 041.9х0,5-50 СSN 34 6551] | Изоляционная трубка 041.9х0,5-50 СSN 34 6551 | |
| 12 | 273121 100 134 | Резиновый переходник № фасона 7433 смесь 33056 | |
| 15 | 2 813.1.42.81.1 | Воздухоотводный клапан | |
| 16 | 533 05404 330 1 | Воздухоотводная наставка | |
| 17 | [Болт М16х110 СSN 02 1101.75] | Болт М16х110 СSN 02 1101.75 | |
| 18 | [Шайба КR 16 СSN 02 1741.05] | Шайба КR16 СSN 02 1741.05 | |
| 19 | [Болт М16х70 СSN 02 1101.75] | Болт М16х70 СSN 02 1101.75 | |
| 20 | [Болт М16х50 СSN02 1101.75] | Болт М16х50 СSN02 1101.75 | |
| 21 | 442 00101 340 1 | Болт М16х45 | |
| 22 | 442 00101 342 1 | Гайка М16 | |
| 23 | А63200V1530489 | Распределитель RОСКWЕLL 153ЕU | |
| 24 | 442 90101 300 3 | Мост оси RОСКWЕLL |
Содержащиеся в справочниках-каталогах запасные части и детали не предлагаются к продаже, а носят исключительно информационный характер