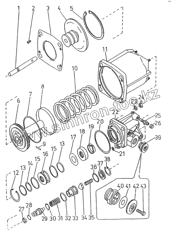
Каталог запасных частей к технике: Karosa C 734. Усилитель сцепления
443 613 200 704
1
2
3
4
5
6
7
8
9
10
11
12
13
13
14
15
15
16
17
18
19
20
21
22
23
24
25
26
27
28
29
30
31
32
33
34
35
36
37
38
39
40
41
42
43
| Позиция на иллюстрации | Заводской номер детали | Название детали | |
|---|---|---|---|
| 443 613 200 704 | 443 613 200 704 | Усилитель сцепления | |
| 1 | 443 06 1301 010 | Кнопка | |
| 2 | [Болт М3х10 СSN 02 1151.25] | Болт М3х10 СSN 02 1151.25 | |
| 3 | 443 06 3205 060 | Крышка | |
| 4 | 443 96 2503 433 | Пылезащитная манжета | |
| 5 | 311 733 101 000 | Кольцо стопорное 100 СSN 02 2931 | |
| 6 | 443 96 0642 004 | Поршень в комплекте | |
| 7 | 443 96 2503 447 | Кольцо | |
| 8 | 443 96 2000 429 | Кольцо уплотнительное | |
| 9 | 315 877 260 210 | Штифт 3х28 СSN02 2156 | |
| 10 | 315 116 115 570 | Пружина | |
| 11 | 443 96 0640 004 | Цилиндр в комплекте | |
| 12 | 311 733 100 400 | Кольцо стопорное 40 СSN 02 2931 | |
| 13 | 443 96 2503 436 | Кольцо | |
| 14 | 443 96 2000 420 | Кольцо опорное | |
| 15 | 443 96 2503 437 | Кольцо | |
| 16 | 443 96 2405 023 | Направляющая | |
| 17 | 443 96 2000 419 | Прокладка | |
| 18 | 443 96 2503 436 | Кольцо | |
| 19 | 443 96 2030 004 | Направляющее поршневое кольцо | |
| 20 | 273 111 014 334 | Кольцо 65х3 СSN 02 9281.2 | |
| 21 | 273 111 014 014 | Кольцо 6х2 СSN 02 9281.2 | |
| 22 | 443 96 0640 005 | Корпус усилителя в к-те | |
| 23 | 311 214 000 082 | Шайба 8 СSN 02 1740.05 | |
| 24 | 311 120 114 080 | Гайка М8 СSN 02 1401 25 | |
| 25 | 443 96 2421 052 | Воэдухоотводный винт | |
| 26 | 273 125 991 501 | Головка воздухоотводного винта | |
| 27 | 443 96 2503 439 | Манжета d10/d18 | |
| 28 | 443 96 2503 440 | Кольцо | |
| 29 | 443 96 2433 011 | Выпускной механизм | |
| 30 | 443 96 2503 441 | Кольцо | |
| 31 | 3,15116Е+11 | Пружина | |
| 32 | 443 96 2503 442 | Кольцо | |
| 33 | 443 96 2405 024 | Седло | |
| 34 | 443 96 0643 002 | Заслонка | |
| 35 | 315116 115 580 | Пружина | |
| 36 | 443 96 2503 443 | Кольцо | |
| 37 | 443 96 2200 002 | Пробка | |
| 38 | 311 733 100 300 | Кольцо стопорное 30 СSN 02 2931 | |
| 39 | 443 96 0640 002 | Выхлоп | |
| 40 | 443 96 2223 014 | Корпус выхлопа | |
| 41 | 443 96 2000 421 | Клапан | |
| 42 | 443 96 2503 435 | Крышка | |
| 43 | 309 203 000 408 | Болт М4х8 СSN 02 1103.25 |
Содержащиеся в справочниках-каталогах запасные части и детали не предлагаются к продаже, а носят исключительно информационный характер