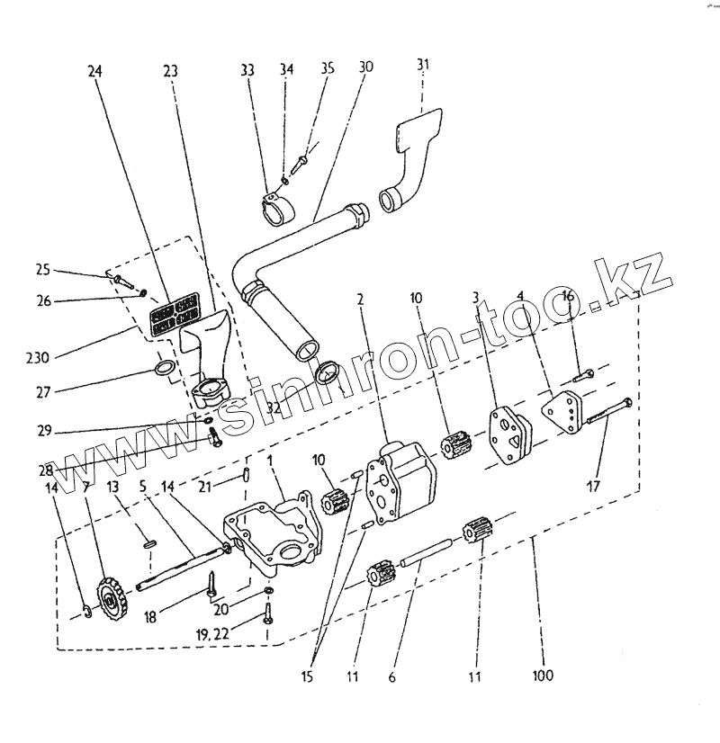
Каталог запасных частей к технике: Karosa C 734. Маслонасос, всасывающий трубопровод маслонасоса
1
2
3
4
5
6
7
10
10
11
11
13
14
14
15
16
17
18
19
20
21
22
23
24
25
26
27
28
29
30
31
32
33
34
35
100
100
| Позиция на иллюстрации | Заводской номер детали | Название детали | |
|---|---|---|---|
| 1 | 442 11062 010 5 | Передний корпус насоса | |
| 2 | 442 11062 003 5 | Задний корпус насоса | |
| 3 | 442 11073 006 5 | Крышка корпуса насоса | |
| 4 | 442 11364 004 5 | Кожух | |
| 5 | 442 11762 002 5 | Вал насоса | |
| 6 | 442 15002 005 5 | Цапфа насоса | |
| 7 | 442 11224 002 6 | Насосное колесо | |
| 10 | 442 11227 006 5 | Колесо с шлицем | |
| 11 | 442 11227 008 5 | Колесо | |
| 13 | 442 15173 002 5 | Пружина 6х4х16 СSN 30 1382 12 | |
| 14 | [Кольцо стопорное 20 СSN 02 2925 1] | Кольцо стопорное 20 СSN 02 2925 1 | |
| 15 | [Штифт 8х20 СSN 02 2150 2] | Штифт 8х20 СSN 02 2150 2 | |
| 16 | [Болт М8х90 СSN 02 1101 55] | Болт М8х90 СSN 02 1101 55 | |
| 17 | [Болт М8х110 СSN 02 1101.55] | Болт М8х110 СSN 02 1101.55 | |
| 18 | [Болт М10х20 СSN 02 1115] | Болт М10х20 СSN 02 1115 | |
| 19 | [Болт М8х35 СSN 02 1101.55] | Болт М8х35 СSN 02 1101.55 | |
| 20 | [Шайба 8,4 СSN 02 1702 15] | Шайба 8,4 СSN 02 1702 15 | |
| 21 | 311 515 008 020 | Штифт 8х20 СSN 02 2150 2 | |
| 22 | [Болт М8х95 СSN 02 1101 55] | Болт М8х95 СSN 02 1101 55 | |
| 23 | 442 11270 0054 5 | Всасывающий фильтр | |
| 24 | 442 11284 005 5 | Втулка всасывающего фильтра | |
| 25 | [Болт М6х16 СSN 02 1103.55] | Болт М6х16 СSN 02 1103.55 | |
| 26 | [Шайба 6,4 СSN 02 1726.05] | Шайба 6,4 СSN 02 1726.05 | |
| 27 | [Кольцо 40х32 СSN 02 9280 9] | Кольцо 40х32 СSN 02 9280 9 | |
| 28 | [Болт М8х75 СSN 02 110155] | Болт М8х75 СSN 02 110155 | |
| 29 | [Шайба 8,4 СSN 02 1702 15] | Шайба 8,4 СSN 02 1702 15 | |
| 30 | 442 17021 030 5 | Всасывающий трубопровод в комплекте | |
| 31 | 442 17018 013 5 | Всасывающий фильтр в комплекте | |
| 32 | 319 419 540 220 | Кольцо уплотнительное 30х38 СSN 02 9310.3 | |
| 33 | 442 15447 007 5 | Хомут всасывающего трубопровода | |
| 34 | [Шайба 8,4 СSN 02 1702 15] | Шайба 8,4 СSN 02 1702 15 | |
| 35 | [Болт М8х16 СSN 02.11031103.55] | Болт М8х16 СSN 02.11031103.55 | |
| 100 | 442 17020 008 5 | Масляный насос в комплекте | |
| 230 | 442 17021 034 5 | Всасывающий фильтр в комплекте |
Содержащиеся в справочниках-каталогах запасные части и детали не предлагаются к продаже, а носят исключительно информационный характер