Каталог запасных частей к технике: Karosa C 734. Крышки и уплотнения II
1
1
2
3
4
5
5
6
6
7
9
10
10
11
12
13
16
17
18
19
20
21
22
23
24
25
25
26
26
26
27
28
29
30
31
32
32
33
34
35
36
37
38
39
40
41
42
44
45
46
47
48
49
50
51
52
53
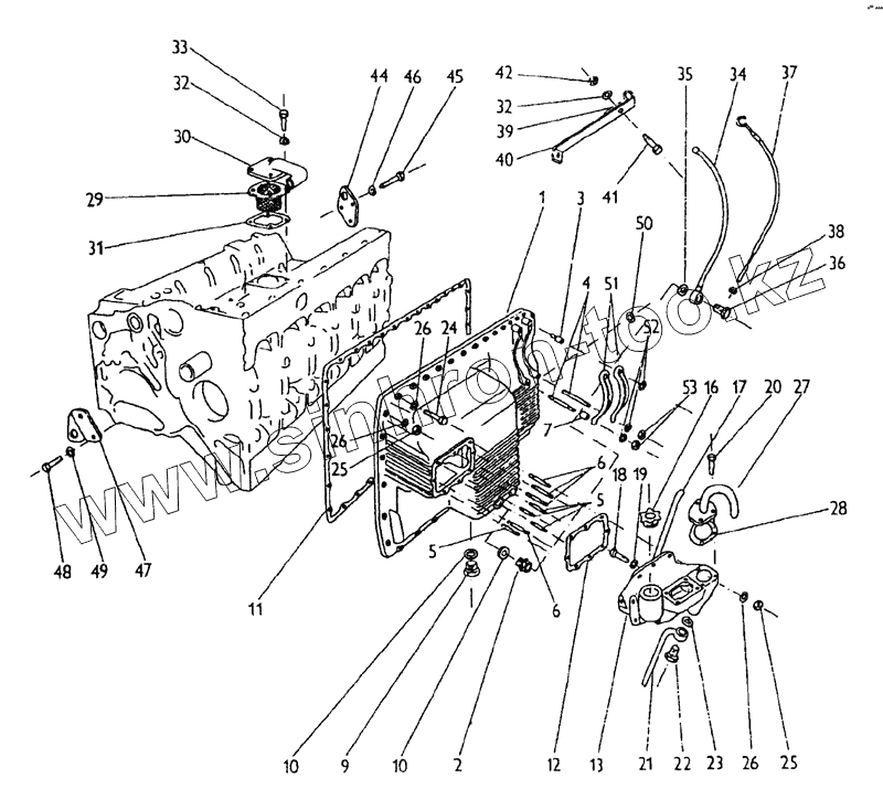
| Позиция на иллюстрации | Заводской номер детали | Название детали | |
|---|---|---|---|
| 1 | 442 11015 008 5 | Поддон картера двигателя | |
| 1 | 442 17026 100 5 | Поддон картера двигателя | |
| 2 | 442 15367 007 5 | Редуктор | |
| 3 | 442 15286 005 5 | Гайка | |
| 4 | 442 15221 087 5 | Болт М10х45 СSN 02 1178.55 | |
| 5 | 442 15221 043 5 | Болт М8х25 СSN 02 1178.55 | |
| 6 | 442 15221 042 5 | Болт М8х30 СSN 02 1178.55 | |
| 7 | 442 15077 012 5 | Трубка распорная | |
| 9 | [Пробка М30х1,5 СSN 02 1914.21] | Пробка М30х1,5 СSN 02 1914.21 | |
| 10 | [Кольцо уплотнительное 30х38 СSN 02 9310.3] | Кольцо уплотнительное 30х38 СSN 02 9310.3 | |
| 11 | 442 15401 107 5 | Уплотнение поддона картера двигателя | |
| 12 | 442 15401 036 5 | Уплотнение крышки поддона картера двигателя | |
| 13 | 442 11135 031 5 | Кронштейн генератора переменного тока и центрифуги | |
| 16 | 442 15134 003 5 | Пробка заливной горловины | |
| 17 | 442 17043 007 5 | Трубка в комплекте | |
| 18 | [Болт М8х20 СSN 02 1103.5] | Болт М8х20 СSN 02 1103.5 | |
| 19 | [Шайба 8,4 СSN 02 1702.15] | Шайба 8,4 СSN 02 1702.15 | |
| 20 | [Болт М6х16 СSN 02 1103.55] | Болт М6х16 СSN 02 1103.55 | |
| 21 | 442 17043 006 5 | Трубка отвода масла из отделителя в комплекте | |
| 22 | 442 15370 005 5 | Проточный винт | |
| 23 | [Кольцо уплотнительное 16х20 СSN 02 9310.3] | Кольцо уплотнительное 16х20 СSN 02 9310.3 | |
| 24 | [Болт М8х35 СSN 02 1101.75] | Болт М8х35 СSN 02 1101.75 | |
| 25 | [Гайка М8 СSN 02 1401 55] | Гайка М8 СSN 02 1401 55 | |
| 26 | [Шайба 8,4 СSN 02 1702 15] | Шайба 8,4 СSN 02 1702 15 | |
| 27 | 442 17653 009 5 | Крышка отделителя в комплекте | |
| 28 | 442 15401 110 5 | Уплотнение | |
| 29 | 442 17018 005 5 | Сетчатый фильтр в комплекте | |
| 30 | 442 13311 021 5 | Заливная горловина | |
| 31 | 442 15401 094 5 | Уплотнение | |
| 32 | [Шайба 8,4 СSN 02 1702.15] | Шайба 8,4 СSN 02 1702.15 | |
| 33 | [Болт М8х25 СSN 02 1103.55] | Болт М8х25 СSN 02 1103.55 | |
| 34 | 442 17681 187 5 | Ведущая трубка указателя уровня масла в комплекте | |
| 35 | [Кольцо уплотнительное 16х20 СSN 02 9310.3] | Кольцо уплотнительное 16х20 СSN 02 9310.3 | |
| 36 | 442 15370 005 5 | Проточный винт | |
| 37 | 442 17046 041 5 | Указатель уровня масла в комплекте | |
| 38 | 442 15417 009 5 | Кольцо 4х16х3 | |
| 39 | 442 15448 035 5 | Хомут (скоба) | |
| 40 | 442 15448 064 5 | Хомут (скоба) | |
| 41 | [Болт М8х16 СSN 02 1103.55] | Болт М8х16 СSN 02 1103.55 | |
| 42 | [Гайка М8 СSN 02 1401.55] | Гайка М8 СSN 02 1401.55 | |
| 44 | 442 12897 039 5 | Задняя грузовая петля | |
| 45 | [Болт М10х45 СSN 02 1101.55] | Болт М10х45 СSN 02 1101.55 | |
| 46 | [Шайба 10.5 СSN 02 1702 15] | Шайба 10,5 СSN 02 1702 15 | |
| 47 | 442 11042 004 5 | Передняя грузовая петля | |
| 48 | [Болт М12х25 СSN 02 1103.55] | Болт М12х25 СSN 02 1103.55 | |
| 49 | [Шайба 13 СSN 02 1702.15] | Шайба 13 СSN 02 1702.15 | |
| 50 | 442 15101 005 5 | Прокладка включателя | |
| 51 | 442 21133 002 5 | Зажимная крышка включателя | |
| 52 | [Шайба 10,5 СSN 02 1702.15] | Шайба 10,5 СSN 02 1702.15 | |
| 53 | [Гайка М10 СSN 02 1401.55] | Гайка М10 СSN 02 1401.55 |
Содержащиеся в справочниках-каталогах запасные части и детали не предлагаются к продаже, а носят исключительно информационный характер