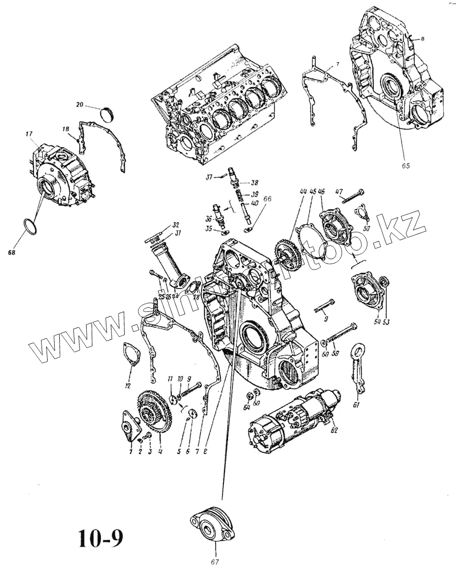
Каталог запасных частей к технике: Камский автозавод 5297. Установка картера маховика
1
2
3
4
5
6
7
7
8
8
9
9
10
11
12
17
18
20
25
26
28
31
32
34
35
36
37
38
39
40
44
45
46
47
50
53
54
59
60
60
61
62
64
65
66
67
68
| Позиция на иллюстрации | Заводской номер детали | Название детали | |
|---|---|---|---|
| 1 | 740.1029128 | Ось ведущей шестерни распределительного вала | |
| 2 | 1/35433/21 | Шпилька М8х1,25х16х20 | |
| 3 | 1/59707/31 | Болт М10х1,25-6gх25 | |
| 4 | 740.1029114 | Шестерня ведущая в сборе | |
| 5 | 870768 | Штифт цилиндрический 5х13 | |
| 6 | 740.1029142 | Шайба упорная | |
| 7 | 740.1002314-10 | Прокладка картера маховика | |
| 8 | 7405.1002310 | Картер маховика в сборе | |
| 9 | 1/55415/31 | Болт М12х1,25-6gх90 | |
| 10 | 870852 | Шайба замковая 12 | |
| 11 | 740.1029140 | Шайба упорная в сборе | |
| 12 | 740.3407032 | Прокладка насоса гидроусилителя руля | |
| 14 | 1/21647/21 | Гайка М10х1,25-6Н | |
| 17 | 740.1002260 | Крышка блока цилиндров передняя в сборе | |
| 18 | 740.1002265-10 | Прокладка передней крышки блока | |
| 20 | 740.1002524-01 | Заглушка отверстия распределительного вала | |
| 25 | 1/60440/21 | Болт М8-6gх40 | |
| 26 | 1/26013/73 | Шайба 8 волнистая | |
| 28 | 7405.1009145 | Прокладка масланаливной горловины | |
| 31 | 5320-1311105 | Прокладка крышки | |
| 32 | 5320-1311103-01 | Пробка наливной горловины | |
| 34 | 7405.1009138 | Патрубок маслоналивной с сеткой в сборе | |
| 35 | 1/02634/60 | Прокладка 22х28х1,5 | |
| 36 | 740.1005440 | Фиксатор маховика в сборе | |
| 37 | 870758 | Штифт 6х36 | |
| 38 | 740.1005444 | Корпус фиксатора | |
| 39 | 740.1005446 | Пружина фиксатора | |
| 40 | 740.1005442 | Фиксатор | |
| 44 | 7405.1029120 | Шестерня ведомая привода топливного насоса в сборе | |
| 45 | 740.1029178 | Прокладка корпуса подшипника | |
| 46 | 740.1029175 | Корпус заднего подшипника в сборе | |
| 47 | 1/59718/21 | Болт М10х1,25-6gх100 | |
| 50 | 740.3813856 | Прокладка датчика | |
| 53 | 740.1029240 | Манжета в сборе | |
| 54 | 740.1029176 | Корпус заднего подшипника | |
| 59 | 1/58643/31 | Болт М16х1,5-6gх130 | |
| 60 | 1/05172/77 | Шайба 16 пружинная | |
| 61 | 740.1002358 | Рым-болт задний | |
| 62 | СТ142Б1-3708000 | Стартер в сборе ТУ 37.003.1375-88 | |
| 64 | 1/21641/11 | Гайка М16х1,5-6Н | |
| 65 | 740.1005160-01 | Манжета в сборе | |
| 66 | 864204 | Кольцо уплотнительное | |
| 67 | 740.1029170 | Корпус подшипника в сборе | |
| 68 | 740.1318166-01 | Манжета с пружиной в сборе |
Содержащиеся в справочниках-каталогах запасные части и детали не предлагаются к продаже, а носят исключительно информационный характер