Каталог запасных частей к технике: Ikarus 260.50. Вилка переключения передач

zoom-in zoom-out enlarge shrink circle-right circle-left file-text2 info cart
1
2
3
3
5
6
8
10
16
18
19
20
22
22
22
22
22
23
23
23
23
23
23
23
23
24
24
24
24
24
24
24
24
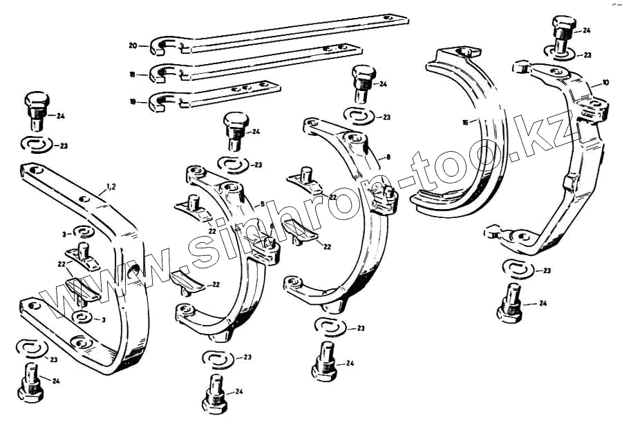
Позиция на иллюстрации Заводской номер детали Название детали
1 1299-306-231 Вилка переключения передач
2 1299-306-232 Вилка переключения передач
3 1299-393-081 Диск
4 1299-206-250 Вилка переключения передач в сборе
5 1299-306-274 Вилка переключения передач
6 1299-393-124 Палец
7 1299-206-202 Вилка переключения передач в сборе
8 1299-306-230 Вилка переключения передач
9 1299-206-248 Вилка переключения передач
10 1299-306-273 Вилка переключения передач
16 1299-306-275 Скользящая вилка
18 1299-206-249 Тяга
19 1299-306-185 Тяга
20 1299-206-181 Тяга
22 1299-334-495 Ползун
23 1299-392-019 Стопорное кольцо
24 1299-306-812 Болт крепления вилки
Содержащиеся в справочниках-каталогах запасные части и детали не предлагаются к продаже, а носят исключительно информационный характер