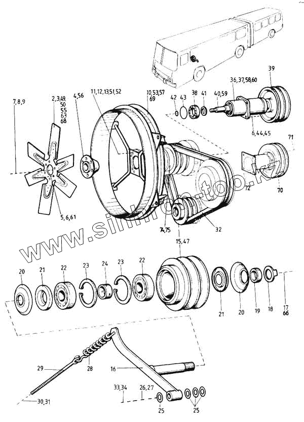
Каталог запасных частей к технике: Ikarus 260.50. Вентилятор и его привод
2
3
4
5
6
6
7
8
9
10
11
12
13
15
16
17
18
19
20
20
21
21
22
22
23
23
24
25
25
26
27
28
29
30
31
32
33
34
36
37
38
39
40
41
42
43
44
45
47
49
50
51
52
53
55
56
57
58
59
60
61
63
66
68
69
70
71
72
74
75
| Позиция на иллюстрации | Заводской номер детали | Название детали | |
|---|---|---|---|
| 1 | 280.03-1330-000А | Вентилятор в сборе | |
| 2 | 280.03-1330-020 | Вентилятор в частичном сборе | |
| 3 | 280.03-1330-021 | Вентилятор полный | |
| 4 | 250.00-1330-021 | Ступица вентилятора | |
| 5 | МSZ 2467-8.8 | Болт М10х35В | |
| 6 | МSZ КGSТ 2665 | Шайба пружинная 6К-2 | |
| 7 | МSZ 2290-8 | Гайка шестигранная 14х1,5 | |
| 8 | МSZ КGSТ 2665 | Шайба пружинная 6К-2 | |
| 9 | МSZ 311/1 | Шпонка сегментная 4х7,5 | |
| 10 | 280.03-1330-001 | Кольцо вентилятора, полное | |
| 11 | МSZ 2467-8.8 | Болт М10х35В | |
| 12 | МSZ 2255-6 | Гайка шестигранная М10 | |
| 13 | МSZ КGSТ 2665 | Шайба пружинная 6К-2 | |
| 14 | 280.05-1333-010А | Рычаг для натяжения ремня в частичном сборе | |
| 15 | 280.05-1333-002А | Шкив клиноремённой передачи | |
| 16 | 280.05-1333-003 | Рычаг для натяжения ремня полный | |
| 17 | МSZ 2291 | Гайка шестигранная М16х1,5 | |
| 18 | 3.90803-0802 | Стопорная пластина | |
| 19 | 3.91701-0810 | Распорное кольцо | |
| 20 | 3.91606-0801 | Пылезащитный колпак | |
| 21 | 280.05-1333-005 | Кольцо "НИЛОШ" | |
| 21 | 3.96504-0003 | Кольцо "НИЛОШ" | |
| 22 | МSZ 7603 | Шарикоподшипник радиальный однорядный 6204-Z С3Н | |
| 23 | МSZ 231 | Пружинное стопорное кольцо 45 | |
| 24 | 3.90714-0803 | Распорное кольцо | |
| 25 | 280.04-1333-009 | Фуговочная прокладка | |
| 26 | МSZ 2261-06 | Гайка шестигранная М3 | |
| 27 | МSZ 2260-8 | Гайка шестигранная М6 | |
| 28 | 280.00-1333-019 | Затяжная пружина | |
| 29 | 280.00-1333-021 | Затяжный винт, полный | |
| 30 | МSZ 2202-С35 | Шайба сферическая М8 | |
| 31 | МSZ 2260-6 | Гайка шестигранная М3 | |
| 32 | DIN 7753 ВL.3 | Клиноремень 12,5х950 | |
| 33 | 280.04-1333-002 | Штифт с резъбой | |
| 34 | МSZ КGSТ 280 | Шайба М3 | |
| 35 | 280.03-1330-000Е | Вентилятор в сборе | |
| 36 | 280.07-1330-030В | Коспус привода вентилятора в частичном сборе | |
| 37 | 280.07-1330-031А | Корпус подшипника полный | |
| 38 | 6305 МSZ 7S03 | Шаровой подшпник | |
| 39 | 280.06-1330-007 | Шкив клиноремённой передачи | |
| 40 | 280.07-1330-021В | Вал вентилятора | |
| 41 | 280.07-1330-022 | Распорное кольцо | |
| 42 | МSZ 232 | Кольцо стопорное наружное 14 | |
| 43 | МSZ 231 | Пружинное стопорное кольцо 45 | |
| 44 | МSZ 2467-8.8 | Болт М10х35В | |
| 45 | МSZ 2255-6 | Гайка шестигранная М10 | |
| 46 | 280.05-1333-010В | Рычаг для натяжения ремня в частичном сборе | |
| 47 | 280.05-1333-002В | Шкив клиноременной передачи | |
| 48 | 280.06-1330-000А | Вевтилятор в сборе | |
| 49 | 280.05-1330-020 | Вентилятор в частичной сборе | |
| 50 | 280.05-1330-021 | Вентилятор, полный | |
| 51 | МSZ 2463-8.8 | Болт с шестигранной головкой М10х12 | |
| 52 | МSZ 2260 | Гайка шестигранная М6 | |
| 53 | 280.06-1330-001В | Кольцо вентилятора, полное | |
| 54 | 280.07-1330-0000 | Вентилятор в сборе | |
| 55 | SК.61.509.000 | Вентилятор в сборе | |
| 56 | 190.00-1330-016 | Ступица вентилятора | |
| 57 | 280.07-1330-004 | Кольцо вентилятора полное | |
| 58 | 280.07-1330-0300 | Корпус привода вентилятора в частичном сборе | |
| 59 | 280.07-1330-0210 | Вал вентилятора | |
| 60 | 280.07-1330-0318 | Корпус подшипника полный | |
| 61 | МSZ 2463-8.8 | Болт с шестигранной головкой М10х12 | |
| 62 | 280.07-1330-0000 | Вентилятор в сборе | |
| 63 | SК61.346.008 | Вентилятор в сборе | |
| 64 | 280.03-1330-000F | Вентилятор в сборе | |
| 65 | 280.10-1330-000 | Вентилятор, в сборе | |
| 66 | 3.90330-0810 | Пробка | |
| 67 | 280.05-1333-0208 | Рычаг для натяжения ремня в частичном сборе | |
| 68 | 280.03-1330-021 | Вентилятор полный | |
| 69 | 280.10-1330-001 | Кольцо вентилятора полное | |
| 70 | 290.10-1330-002 | Шкив клиноременной передачи | |
| 71 | МSZ 2463-8.8 | Болт с шестигранной головкой М10х12 | |
| 72 | МSZ 2463-8.8 | Болт с шестигранной головкой М10х12 | |
| 73 | 280.11-1330-000 | Вентилятор | |
| 74 | VЕТ 80 Т/II | Электромагнитная муфта сцепления вентилятора | |
| 75 | LА 0.0.4.2 | Электромагнитная муфта сцепления вентилятора |
Содержащиеся в справочниках-каталогах запасные части и детали не предлагаются к продаже, а носят исключительно информационный характер