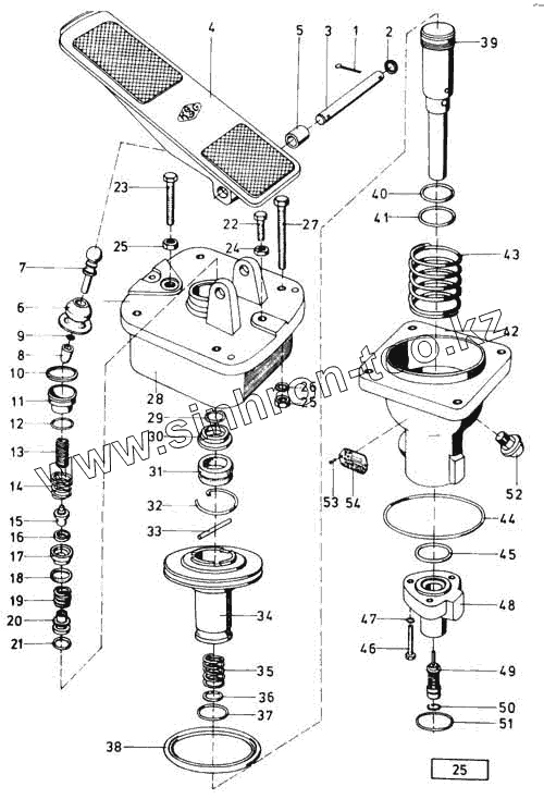
Каталог запасных частей к технике: Ikarus 260.50. Усилитель сцепления
1
2
3
4
5
6
7
8
9
10
11
12
13
14
15
16
17
18
19
21
22
23
24
25
25
26
27
28
29
30
31
32
33
34
35
36
37
38
39
40
41
42
43
43
44
45
46
47
48
49
50
51
52
53
54
| Позиция на иллюстрации | Заводской номер детали | Название детали | |
|---|---|---|---|
| 1 | МSZ 2224 | Шплинт 4х20 | |
| 2 | МSZ 2233 | Шайба для осей 8 | |
| 3 | 551-5006 | Штифт 12х92х81,5 | |
| 4 | 56-5110 | Педаль в сборе | |
| 5 | 570-5089 | Дистанционное кольцо | |
| 6 | 593-8516 | Чехол защитный | |
| 7 | 552-5001 | Нажимной стержень | |
| 8 | 967-3010 | Нажимной стержень | |
| 9 | 570-5110 | Шайба | |
| 10 | МSZ 231 | Пружинное стопорное кольцо 45 | |
| 11 | 563-5009 | Нажимная деталь | |
| 12 | 593-6307 | Кольцо "О" образное | |
| 13 | 590-5017 | Пружина нажимная | |
| 14 | 590-5081 | Пружина нажимная | |
| 15 | 593-9001 | Конус клапана | |
| 16 | 587-5023 | Тарелка пружины | |
| 17 | 365-5038 | Седло клапана | |
| 18 | 593-6020 | Резиновое кольцо | |
| 19 | 590-5040 | Пружина нажимная | |
| 21 | 393-6537 | Кольцо "О" образное | |
| 22 | МSZ 2463 | Болт М6х15 | |
| 23 | МSZ 2463 | Болт М6х15 | |
| 24 | МSZ 2261 | Гайка шестигранная М10 | |
| 25 | МSZ 2260 | Гайка шестигранная М6 | |
| 26 | МSZ 2210 | Шайба пружинная М8 | |
| 27 | МSZ 2463 | Болт М6х15 | |
| 28 | 56-5189 | Крышка в сборе | |
| 29 | МSZ 232 | Кольцо стопорное наружное 14 | |
| 30 | 563-5016 | Опорное кольцо | |
| 31 | 593-7020 | Резиновое кольцо с канавкой | |
| 32 | 590-3163 | Стопорное кольцо с крючком | |
| 33 | МSZ 2219 | Ось 3х40 | |
| 34 | 564-5033 | Поршень | |
| 35 | 590-5087 | Пружина нажимная | |
| 36 | 593-6539 | Кольцо "О" образное | |
| 37 | 593-6516 | Кольцо "О" образное | |
| 38 | 593-7519 | Кольцо "К" образное | |
| 39 | 538-5001 | Гидравлический поршень | |
| 40 | 593-6538 | Кольцо "О" образное | |
| 41 | 393-6535 | Кольцо "О" образное | |
| 42 | 596-5036 | Корпус со втулкой | |
| 43 | 590-5117 | Пружина нажимная | |
| 43 | 590-5517 | Пружина нажимная | |
| 44 | 593-6556 | Кольцо "О" образное | |
| 45 | 393-6540 | Кольцо "О" образное | |
| 46 | МSZ 2463 | Болт М6х15 | |
| 47 | МSZ 2210 | Шайба пружинная М8 | |
| 48 | 520-5013 | Фланец | |
| 49 | 56-565 | Клапан в сборе | |
| 50 | 593-9501 | Резиновый шнур | |
| 51 | 593-6536 | Кольцо "О" образное | |
| 52 | 596-5102 | Выпускной фильтр в сборе | |
| 53 | МSZ 2246 | Шплинт 3х4 | |
| 54 | 588-5126 | Доска типа | |
| 55 | 60225-111 | Усилитель сцепления | |
| 56 | 60910-037000 | Ремонтный набор для маленьких ремонтов | |
| 57 | 60910-038000 | Ремонтный набор для больших ремонтов | |
| 58 | 986-029 | Доска типа /для смены после больших ремонтов, синего цвета | |
| 80 | 365-5039 | Седло клапана |
Содержащиеся в справочниках-каталогах запасные части и детали не предлагаются к продаже, а носят исключительно информационный характер