Каталог запасных частей к технике: Ikarus 260.50. Тормозной кран автомобиля
1
3
4
5
6
6
7
8
9
10
11
12
12
14
14
15
15
16
16
18
19
20
20
21
21
22
23
24
25
26
28
29
29
30
30
31
32
33
34
35
36
37
38
39
40
41
42
43
45
47
48
49
50
53
54
55
57
58
59
60
61
62
63
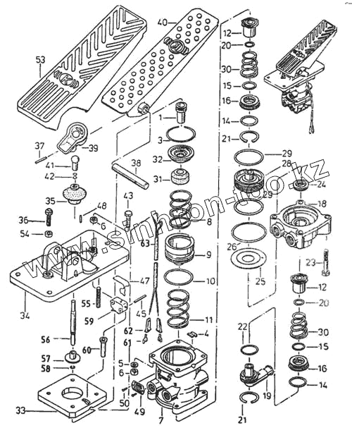
| Позиция на иллюстрации | Заводской номер детали | Название детали | |
|---|---|---|---|
| 1 | 4В 55818 | Нажимная деталь | |
| 3 | 484611 | Кольцо натяжное | |
| 4 | 4В 58089 | Колпак | |
| 5 | 450862 | Шайба | |
| 6 | 452174 | Гайка шестигранная | |
| 7 | 1В 67121/1 | Корпус верхный | |
| 8 | 4В 58223 | Пружина нажимная | |
| 9 | 2В 62142 | Поршень | |
| 10 | 4В 59915 | Кольцо "О"-образное | |
| 11 | 4В 59835 | Пружина нажимная | |
| 12 | 4В 56061 | Клапан | |
| 14 | 4В 44910 | Кольцо "О"-образное | |
| 15 | 4В 43723/4 | Кольцо "О"-образное | |
| 16 | 4В 69244 | Кольцо | |
| 18 | 2В 67122/1 | Корпус нижный | |
| 19 | 2В 57041 | Крышка | |
| 20 | 4В 48655 | Кольцо "О"-образное | |
| 21 | 4А 42048/6 | Кольцо стопорное | |
| 22 | 4А 91150 | Кольцо "О"-образное | |
| 23 | 451754 | Болт с шестигранной головкой | |
| 24 | 4В 44898 | Манжета | |
| 25 | 4В 53092 | Прокладка | |
| 26 | 4В 51744 | Кольцо "О"-образное | |
| 28 | 3В 78698 | Поршень | |
| 29 | 4В 44173 | Кольцо "О"-образное | |
| 30 | 4В 53222 | Поршень | |
| 31 | 4В 56329 | Пружина резиновая | |
| 32 | 4В 77594 | Тарелка клапана | |
| 33 | 4В 71103 | Пластинка | |
| 34 | 11 16474 | Крышка в сборе | |
| 35 | 4А 78979 | Чехол защитный | |
| 36 | 4В 70338/2 | Болт упорный | |
| 37 | 465473 | Распорный штифт | |
| 38 | 4В 44197 | Штифт | |
| 39 | 3В 69049 | Нажимная деталь | |
| 40 | 1 76966 | Педаль | |
| 41 | 4В 95338 | Штанга нажимная | |
| 42 | 450653 | Шайба | |
| 43 | 464729 | Винт самонарезающий | |
| 44 | 1116473 | Штанга нажимная в сборе | |
| 45 | 456786 | Распорный штифт | |
| 45 | 4В 95334 | Штанга нажимная | |
| 46 | 184081 | Микро-включатель, в сборе | |
| 47 | 4N 75547 | Пружина фигурная | |
| 48 | 460822 | Штифт с резьбовым концом | |
| 49 | 4В 21507 | Доска типа | |
| 50 | 463483 | Штифт с насечкой до половины | |
| 53 | 2В 91267 | Накладка педали резиновая | |
| 54 | 463626 | Гайка шестигранная | |
| 55 | 465472 | Шплинка с винчиваемьм концом длиной | |
| 57 | 4В 71105 | Кольцо | |
| 58 | 465202 | Кольцо натяжное | |
| 59 | 184080 | Микро-включатель | |
| 60 | 4В 33482 | Направляющая деталь | |
| 61 | 459018 | Штепселная розетка | |
| 62 | 4А 86602 | Изоляционная втулка | |
| 63 | 4В 84998/1 | Электрические провода |
Содержащиеся в справочниках-каталогах запасные части и детали не предлагаются к продаже, а носят исключительно информационный характер