Каталог запасных частей к технике: Ikarus 260.50. Тормозной кран автомобиля
1
1
2
2
3
3
4
5
5
6
7
8
9
9
10
10
11
11
12
13
14
15
16
17
18
19
20
21
22
23
24
25
26
27
28
29
30
31
32
33
34
35
36
37
38
39
40
41
42
43
44
45
52
53
54
54
55
56
57
58
59
60
61
62
63
63
64
65
66
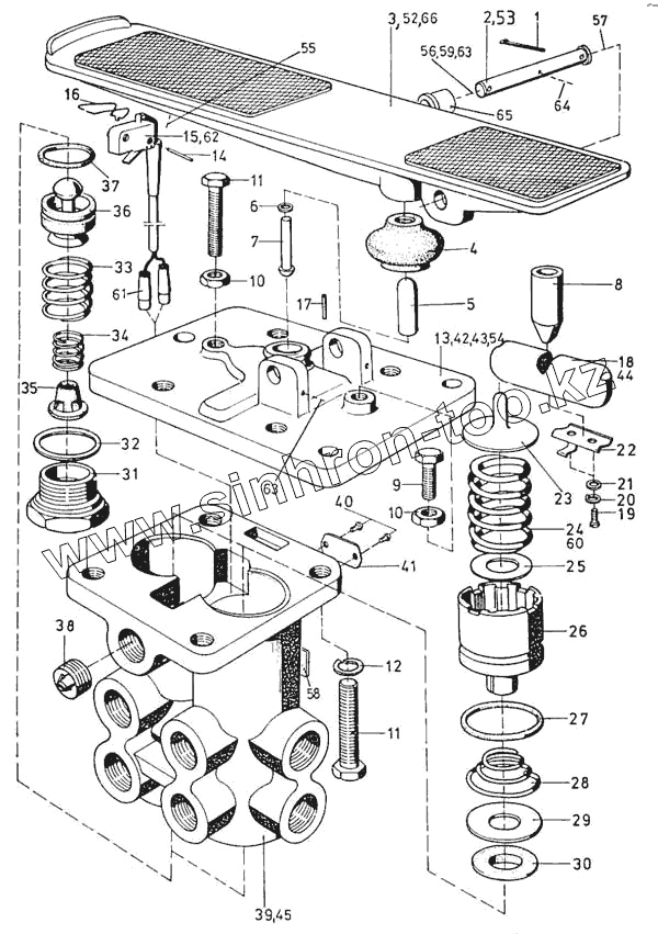
| Позиция на иллюстрации | Заводской номер детали | Название детали | |
|---|---|---|---|
| 1 | МSZ КGSТ 220 | Шплинт 2х16 | |
| 1 | МSZ 2224 | Шплинт 4х20 | |
| 2 | 551-5031 | Штифт | |
| 2 | 551-5007 | Штифт | |
| 3 | 56-5111 | Педаль в сборе | |
| 3 | 56-5200 | Педаль в сборе | |
| 4 | 593-8514 | Чехол защитный | |
| 5 | 567-5015 | Штанга нажимная верхняя | |
| 5 | 567-5053 | Штанга нажимная верхняя | |
| 6 | 570-5112 | Шайба | |
| 7 | 550-5003 | Стержень нажимной | |
| 8 | 567-5016 | Нажимная деталь | |
| 9 | МSZ 2463 8.8 | Болт М10х50 | |
| 9 | МSZ 2463 8.8 | Болт М10х50 | |
| 10 | МSZ 2261 | Гайка шестигранная М10 | |
| 11 | МSZ 2463 8.8 | Болт М10х50 | |
| 12 | МSZ 2210 | Шайба пружинная М8 | |
| 13 | 517-5025 | Крышка | |
| 14 | DIN 1481 | 8х16 | |
| 15 | 56-5136 | Микро-включатель | |
| 16 | 590-5167 | Пружина фигурная | |
| 17 | МSZ 2422 | Винт установычный с плоским концом М4х12 | |
| 18 | 576-5010 | Мост | |
| 19 | МSZ 2449 | Винт с цилиндрической головкой М3х12 | |
| 20 | МSZ 2210 | Шайба пружинная М8 | |
| 21 | МSZ 2201 | Шайба М3 | |
| 22 | 587-5041 | Рукоятка приводная | |
| 23 | 574-5002 | Тарелка пружины | |
| 24 | 590-5124 | Пружина нажимная | |
| 25 | 570-5113 | Шайба | |
| 26 | 593-5063 | Поршень | |
| 27 | 593-6541 | Кольцо "О"-образное | |
| 28 | 590-5166 | Пружина коническая | |
| 29 | 570-5117 | Шайба | |
| 30 | 593-9503 | Резиновое кольцо | |
| 31 | 536-5025 | Пробка | |
| 32 | МSZ 18716 | Уплотнителъное кольцо 33х39 | |
| 33 | 590-5065 | Пружина нажимная | |
| 34 | 590-5038 | Пружина нажимная | |
| 35 | 593-5096 | Направляющий клапан | |
| 36 | 56-5092 | Клапан в сборе | |
| 37 | 593-6506 | Кольцо "О"-образное | |
| 38 | 56-5090 | Выпускной клапан | |
| 39 | 502-5014 | Корпус | |
| 40 | МSZ 2246 | Шплинт 3х4 | |
| 41 | 588-5126 | Доска типа | |
| 42 | 517-5026 | Крышка | |
| 43 | 517-5027 | Крышка | |
| 44 | 576-5011 | Мост | |
| 45 | 502-5015 | Корпус | |
| 46 | 60222-131 | Тормозной кран автомобиля | |
| 47 | 60900-045000 | Ремонтный набор для маленьких ремонтов | |
| 48 | 60900-047000 | Ремонтный набор для маленьких ремонтов | |
| 49 | 60900-046000 | Ремонтный набор для больших ремонтов | |
| 50 | 60900-048000 | Ремонтный набор для больших ремонтов | |
| 51 | 588-5173 | Доска типа /для смены после больших ремонтов, синего цвета/ | |
| 52 | 593-9527 | Накладка педали резиновая | |
| 53 | 550-5018 | Штифт | |
| 54 | 517-5065 | Крышка | |
| 55 | 561-5031 | Шайба упорная | |
| 56 | 570-5137 | Шайба | |
| 57 | 587-5172 | Консоль | |
| 58 | 537-5173 | Консоль | |
| 59 | 590-5215 | Пружина | |
| 60 | 590-5274 | Пружина нажимная | |
| 61 | 593-5020 | Гильза | |
| 62 | 596-5121 | Микро-включатель | |
| 63 | DIN 1481 | 8х16 | |
| 64 | DIN 1481 | 8х16 | |
| 65 | 593-5118 | Втулка | |
| 66 | 56-5207 | Педаль в сборе |
Содержащиеся в справочниках-каталогах запасные части и детали не предлагаются к продаже, а носят исключительно информационный характер