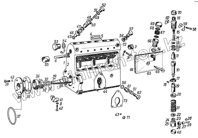
Каталог запасных частей к технике: Ikarus 260.50. Топливный насос
1
2
3
4
5
6
7
8
8
9
10
11
12
13
14
15
16
17
18
19
19
20
21
22
23
23
24
25
26
27
28
29
30
31
32
33
34
35
36
37
38
39
40
41
42
43
43
43
44
45
46
47
48
49
50
51
51
52
53
54
54
55
56
56
57
58
59
60
61
62
63
64
65
66
67
68
69
70
71
72
73
| Позиция на иллюстрации | Заводской номер детали | Название детали | |
|---|---|---|---|
| 1 | 385.01.00 | Корпус топливного насоса | |
| 2 | 360.01.01 | Направляющая | |
| 3 | 385.01.01 | Направляющая | |
| 4 | 385.00.01 | Фирменная табличка с указанием типа | |
| 5 | 380.00. 02 | Штифт надрезанный | |
| 6 | 385.00.14 | Штанга регулятора | |
| 7 | 380.00.16 | Болт | |
| 8 | 0.3.110.11 | Шайба уплотнительная | |
| 8 | 0.3.110.11 | Шайба уплотнительная | |
| 9 | 385.00.11 | Болт | |
| 10 | 301.19.00 | Секция насосная | |
| 11 | 302.16.00 | Клапан нагнетательнкй с держателем | |
| 12 | 0.7.115.20 | Кольцо уплотнительное | |
| 13 | 385.00.04 | Шайба тарельчатая | |
| 14 | 0.1.810.62 | Пружина спиральная | |
| 15 | 385.00.03 | Палец пружины клапана | |
| 16 | 385.00.13 | Кроншгейн нагнетательного клапана | |
| 17 | 330.02.02 | Зубчатый венец | |
| 18 | 380.02.03 | Болт крепления | |
| 19 | 380.02.01 | Гильза управляющая | |
| 19 | 385.02.01 | Гильза управляющая | |
| 20 | 380.00.17 | Шайба тарельчатая верхняя | |
| 21 | 0.1.810.40 | Пружина поршня | |
| 22 | 380.00.18 | Шайба тарельчатая | |
| 23 | 380.03.02 | Болт регулировочный | |
| 23 | 385.03.02 | Болт регулировочный | |
| 24 | 0.1.410.20 | Гайка стопорная | |
| 25 | 385.03.01 | Корпус роликового толкателя | |
| 26 | 380.03.03 | Ролик наружный | |
| 27 | 380.03.04 | Ролик внутренний | |
| 28 | 385.03.11 | Направляющая | |
| 29 | 385.03.05 | Палец | |
| 30 | 385.00.22 | Валик кулачковый | |
| 31 | 385.00.08 | Шайба компенсационная | |
| 32 | 385.00.09 | Шайба компенсационная | |
| 33 | 385.00.10 | Шайба компенсационная | |
| 34 | 0.9.612.02 | Роликоподшипник конический | |
| 35 | 385.00.15 | Шайба уплотнительная | |
| 36 | 385.00.16 | Крышка подшипника | |
| 37 | 0.7.115.15 | Шайба уплотнительная резиновая | |
| 38 | 0.1.220.08 | Болт | |
| 39 | 0.1.570.15 | Шпонка сегментная | |
| 40 | 380.00.29 | Пробка | |
| 41 | 385.00.07 | Подшипник скольжения | |
| 42 | 0.1.220.05 | Болт | |
| 43 | 01.150.12 | Шайба пружинная | |
| 44 | 360.00.06 | Щпилька | |
| 45 | 0.3.110.17 | Шайба уплотнительная | |
| 46 | 305.04.02 | Шайба специальная | |
| 47 | 0.3.110.15 | Шайба уплотнителъная | |
| 48 | 0.1.500.18 | Шарик стальной | |
| 49 | 0.1.810.63 | Пружина сливного клапана | |
| 50 | 385.04.03 | Корпус сливного клапана | |
| 51 | 0.3.110.14 | Шайба уплотнительная | |
| 52 | 385.04.04 | Болт | |
| 53 | 385.00.02 | Пробка | |
| 54 | 0.3.110.18 | Шайба уплотнительная | |
| 55 | 365.00.20 | Гильза упора регулятора | |
| 56 | 0.3.110.16 | Шайба уплотнительная | |
| 57 | 380.00.48 | Винт полый шестигранный | |
| 58 | 01.220.06 | Болт | |
| 59 | 385.00.06 | Кольцо стопорное | |
| 60 | 385.00.05 | Кольцо стопорное | |
| 61 | 385.00.18 | Штуцер редукционного клапана | |
| 62 | 385.00.19 | Полый винт с шестигранной головкой | |
| 63 | 335.06.01 | Крышка | |
| 64 | 380.06.03 | Прокладка крышки | |
| 65 | 330.06.02 | Болт крепления крышки | |
| 66 | 635.05.01 | Корпус воздушного фильтра | |
| 67 | 635.05.02 | Сетка воздушного фильтра | |
| 68 | 635.05.03 | Сетка | |
| 69 | 635.05.04 | Колпак воздушного фильтра | |
| 70 | 380.00.42 | Колпак защитный | |
| 71 | 0.1.410.12 | Гайка стопорная | |
| 72 | 385.01.03 | Вставка резьбовая | |
| 73 | 380.00.32 | Прокладка | |
| 74 | 0.1.111.44 | Шайба подкладочная | |
| 75 | 385.02.00 | Гильза управляющая с зубчатым венцом | |
| 76 | 380.03.00 | Толкатель с роликом полный | |
| 77 | 385.04.00 | Клапан сливной | |
| 78 | 635.05.00 | Фильтр воздушный, полный | |
| 79 | 167.11.00 | Корпус насоса, в частичном сборе | |
| 80 | 140.10.01 | Фирменная табличка | |
| 81 | 0.3.110.07 | Уплотнительная шайба | |
| 82 | 380.00.03 | Пробка с резьбой | |
| 83 | 140.16.04 | Распорное кольцо | |
| 84 | 140.10.11 | Болт | |
| 85 | 167.16.00 | Крышка контрольного окна, в оборе | |
| 86 | 635.05.00 | Фильтр воздушный, полный | |
| 87 | 0.1.210.19 | Болт | |
| 88 | 0.3.110.25 | Уплотнительная шайба | |
| 89 | 390.10.06 | Стопорная пластинка | |
| 90 | 390.10.05 | Стопорная пластинка | |
| 91 | 140.10.13 | Кронштейн нагнетательного клапана | |
| 92 | 301.38.00 | Насосная секция в сборе | |
| 93 | 140.13.00 | Роликовый рычаг в частичном сборе | |
| 94 | 380.03.02 | Болт регулировочный | |
| 95 | 140.13.01 | Долисратное тело | |
| 96 | 140.13.06 | Направляющий клин | |
| 97 | 140.13.03 | Ролик | |
| 98 | 140.13.04 | Ролик | |
| 99 | 0.1.150.17 | Пружинная шайба | |
| 100 | 167.10.22 | Кулачковый вал | |
| 101 | 0.9.850.40 | Маслоуловительное уплотнение | |
| 102 | 167.10.16 | Кронштейн подшипника | |
| 103 | 385.06.00 | Крышка, полная | |
| 104 | 170.11.00 | Кордус толивного насоса | |
| 105 | 170.10.13 | Кронштейн нагнетательного клапана | |
| 106 | 0.2.110.43 | Шайба подкладочная | |
| 107 | 0.7.115.14 | Кольцо уплотнительное | |
| 108 | 302.29.000 | Нагнетательного клапана | |
| 109 | 301.53.000 | Секцияя насосная | |
| 110 | 165.16.000 | Крышка | |
| 111 | 3.110.11 | Шайба уплотнительная | |
| 112 | 380.06.01 | Крышка | |
| 113 | 170.00.57 | Полый болт | |
| 114 | 130.00.00 | Полый болт | |
| 114 | 130.00.08 | Полый болт |
Содержащиеся в справочниках-каталогах запасные части и детали не предлагаются к продаже, а носят исключительно информационный характер