Каталог запасных частей к технике: Ikarus 260.50. Топливный насос
1
2
3
4
4
5
5
5
5
6
6
7
7
8
8
9
10
11
12
12
13
13
13
13
14
15
16
17
18
18
18
20
21
21
22
23
24
25
26
27
28
29
29
30
31
31
32
33
33
33
34
34
34
35
35
36
36
37
38
39
40
41
42
42
42
42
42
43
44
45
45
46
47
48
48
49
50
50
50
50
50
51
51
51
52
53
54
55
56
57
58
59
60
63
63
63
64
65
65
66
67
68
69
81
83
87
87
87
88
89
93
94
95
95
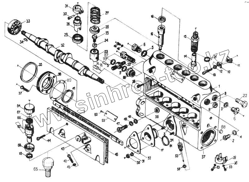
| Позиция на иллюстрации | Заводской номер детали | Название детали | |
|---|---|---|---|
| 1 | Р7.1.16.10 | Корnус | |
| 2 | Р.1.75.07 | Болт | |
| 3 | Р7.1.42.00 | Крышка запорная | |
| 4 | Н1.2.16.01 | Кольцо уплотнительное | |
| 4 | Н1.3.16.01 | Кольцо уплотнительное | |
| 5 | КN6-2 | Кольцо уплотнительное | |
| 6 | КN4-1 | Ниппель | |
| 6 | Р1. 1.84. М11 | Ниппель | |
| 7 | Р2.6.06.04 | Рейка регулятора | |
| 7 | Р2.6.06.М04 | Рейка регулятора | |
| 8 | Р2.6.14.03 | Втулка | |
| 8 | Р3.6.14.01 | Втулка | |
| 9 | Р1.1.84.11 | Ниппель | |
| 10 | Р2.7.01.00 | Деталь стопорная | |
| 11 | Р2. 7. 01. 02 | Деталь стопорная | |
| 12 | 5,1 РN-65/М-82029 | Шайба пружинная | |
| 12 | z 5,1 Fе/Zn Sс А РN-77/М-82009 | Шайба пружинная | |
| 13 | РN-74/М-82227 | Болт | |
| 13 | РN-85/М-8201 | Болт | |
| 13 | 5,8 I Zn-b-5с 6 с А | Болт М5х20 | |
| 13 | РN-60/М-82227 | Болт М5х20 | |
| 14 | Р1.7.26.60 | Клапан нагнетательный | |
| 15 | Р1. 7. 38. 10 | Ниппель | |
| 16 | КN6-34 | Кольцо уплотнительное | |
| 17 | V8. 1.02. 01 | Фланец промежуточный | |
| 18 | Р1.7.10.10 | Прокладка | |
| 18 | Р1.7.10.М10 | Прокладка | |
| 19 | FРЕ 3u-9 | Секция насосная | |
| 20 | Р1. 1.177. 00 | Угольник поворотный двойной | |
| 21 | Р1.7.38.00 | Прокладка | |
| 21 | Р1.7.39.00 | Прокладка | |
| 21 | Р1.7.39.РР | Прокладка | |
| 22 | КN4-2 | Винт полый | |
| 23 | Р7.300.01 | Штанга клапана полная | |
| 24 | Р7.3.05.00 | Прокладка 0,4 | |
| 25 | Р7.04.00 | Болт регулировочный | |
| 26 | Р7.5.05.00 | Тарелка, пружины, нижняя | |
| 27 | Р7.5.01.00 | Пружина | |
| 28 | Р7.6.11.00 | Втулка поворотная | |
| 29 | Р7.5.06.00 | Тарелка пружины, верхняя | |
| 29 | Р7.5.06.М02 | Тарелка пружины, верхняя | |
| 30 | Р1.6.13.03 | Болт стопорный | |
| 31 | Р2.6.12.03 Lub | Деталь регулирующая | |
| 31 | Р2.6.12.W1 | Деталь регулирующая | |
| 32 | Р7.2.62.00 | Вал кулачковый | |
| 33 | 30304 DIN 720 I SV 28 fm Stеуr | Роликоподшипник конический | |
| 33 | 30304 DIN 720 II SV 28 fm Stеуr | Роликоподшипник конический | |
| 33 | 30304 DIN 720 J SV 28 f-mу Stеуr | Роликоподшипник конический | |
| 34 | РN-73/М-85008 | Шпонка сегментная 4х6,4 | |
| 34 | РN-73/М-85008 | Шпонка сегментная 4х6,4 | |
| 34 | РN/М-85008 | Шпонка сегментная 4х6,5 | |
| 35 | КN6-32 | Кольцо уплотнительное | |
| 35 | КN6-32-1 | Кольцо уплотнительное | |
| 36 | КN.1.42.07 | Прокладка | |
| 36 | Р1.1.41.07 | Прокладка | |
| 36 | Р1.1.42.07 | Прокладка | |
| 37 | КN4-23 | Болт | |
| 38 | Р7.1.91.00 | Фланец центрирующий | |
| 39 | Р7.2.01.00 | Подшипник промежуточный | |
| 40 | Н1.3.13.00 | Прокладка 0,05 | |
| 41 | Р1.1.101.00 | Прокладка компенсационная 0,05 | |
| 42 | РN-74/М-82227 | Болт | |
| 42 | РN-85/М-82201 | Болт | |
| 42 | РN-6/М-82227 | Болт М6х25 | |
| 42 | РN-60/М-82227 | Болт М5х20 | |
| 42 | 5,8 I-Zn-b-50 Fе/Zn 6 с А | Болт М6Х28 | |
| 43 | Р1.1.42.11 | Прокладка | |
| 44 | КN4-24 | Болт | |
| 45 | Р2.1.36.08/М | Крышка | |
| 45 | Р2.1.36.83 | Крышка | |
| 46 | Р2.1.37.02 | Прокладка фланца | |
| 47 | КN4-4 | Винт полый | |
| 48 | КN6-4 | Кольцо уплотнительное | |
| 49 | DIN 84 | Винт с цилиндрической головкой М4х12 | |
| 50 | РN-75/М 82144 | Гайка | |
| 50 | РN-86М-82144 | Гайка | |
| 50 | Zn-b-5с РN-75/М-82144 | Гайка М-51 | |
| 50 | I.Fе/Zn 6с А | Гайка М6-5 | |
| 50 | РN-58 М-82146 | Гайка М6-5D | |
| 51 | 6,1 Fе/Zn 5с А РN-77М-82008 | Шайба пружинная | |
| 51 | 6,1 Zn-b 5с РN-65/М-82029 | Шайба пружинная | |
| 51 | РN-65/М-82029 | Шайба пружинная Z6,1 | |
| 52 | Р2,1.48.00 | Лист уплотнительный | |
| 53 | Р1.1.160.78 | Стержень указателя уровня масла в сборе | |
| 54 | Р7.1.41.00 | Щпилька | |
| 55 | Р1.1.162.00 | Кольцо уплотнительное | |
| 56 | Р2.1.70.01 | Болт регулировочный | |
| 57 | Р7.1.42.W1 | Крышка | |
| 58 | Р3.1.44.90 | Втулка резьбовая | |
| 59 | КN15-14/М | Табличка фирменная | |
| 60 | РN-61/М--82952 | Заклепка 2х8 А1 | |
| 61 | КN6-35 | Кольцо уплотнительное | |
| 62 | F2.3.00.00 | Клапан сливной в сборе | |
| 62 | F2.3.00.М00 | Клапан сливной в сборе | |
| 63 | Рn-74/М-82302 Fе/Zn 6с А | Болт с углублением в головке под ключ | |
| 63 | I Zn-b-5с | Болт с углублением в головке под ключ М6х10-8.8 | |
| 63 | РN-62/М-82302 | Болт с углублением в головке под ключ М6х10-8G | |
| 64 | Р2.1.114.00/М | Крышка фильтра | |
| 65 | Р2.1.120.70 | Головка фильтра в сборе | |
| 65 | Р2.1.121.70 | Головка фильтра в сборе | |
| 66 | Р2.1.123.00 | Кольцо фильтра | |
| 67 | Р2.1.124.00 | Стопор | |
| 68 | Р2.1.125.00 | Колпак пылезащитный | |
| 69 | РI. 1.84. 17 | Ниппель | |
| 70 | Р7.305.01 | Прокладка регулировочная 0,5 | |
| 71 | Р7.3.05.02 | Прокладка регулировочная 0,6 | |
| 72 | Р7.3.05.03 | Прокладка регулировочная 0,7 | |
| 73 | Р7.3.05.04 | Прокладка регулировочная 0,8 | |
| 74 | Р7.3.05.05 | Прокладка регулировочная 0,9 | |
| 75 | Р7.3.05.06 | Прокладка регулировочная 1,00 | |
| 76 | Р7.3.05.07 | Прокладка регулировочная 1,10 | |
| 77 | Р7.3.05.08 | Прокладка регулировочная 1,20 | |
| 78 | Р7.3.04.00 | Прокладка регулировочная 0,05 | |
| 78 | Р7.3.05.09/М | Прокладка регулировочная 0,05 | |
| 79 | Н1.3.14.00 | Прокладка 0,10 | |
| 80 | Н1.3.15.00 | Прокладка 0,2 | |
| 81 | Н1.3.15.01 | Прокладка 0,5 | |
| 82 | Р1.1.101.01 | Прокладка компенсационная 0,1 | |
| 83 | Р1.1.101.02 | Прокладка компенсационная 0,2 | |
| 84 | Р1.1.101.03 | Прокладка компенсационная 0,5 | |
| 86 | Р7.1.16.81 | Корпус топливного насоса в сборе | |
| 87 | Р7.3.00.М00 | Штанга клапана | |
| 87 | Р7.3.00.М01 | Штанга клапана | |
| 87 | Р7.3.01.М00 | Штанга клапана | |
| 88 | Р7.3.11.М01 | Направляющий элемент | |
| 89 | Р7.1.91.М20 | Кольцо уплотнительное | |
| 90 | Р7.2.62.М72 | Кулачковый вал полный | |
| 91 | Р7.6.11.М70 | Регулировачный рукав комплект | |
| 92 | Р7.3.00.М03 | Штифт | |
| 93 | Р7.3.02.00 | Штифт | |
| 94 | Р1 3 05 00 | Подшипник с сепаратором иголчатым | |
| 95 | К1 "0" ТG1 15518 | Иголчатых ролик | |
| 95 | I.РN-74/М-86456 | Иголчатых ролик 2,5х13,8 |
Содержащиеся в справочниках-каталогах запасные части и детали не предлагаются к продаже, а носят исключительно информационный характер