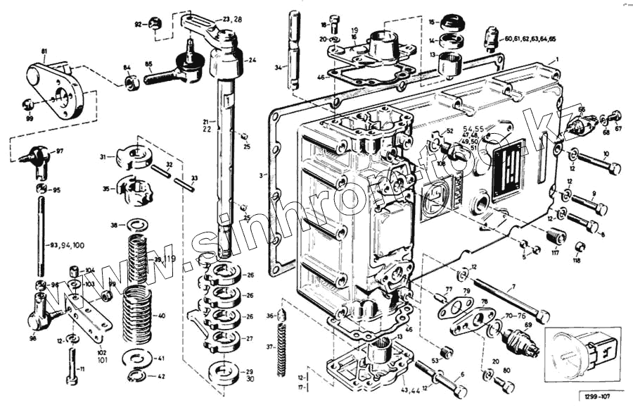
Каталог запасных частей к технике: Ikarus 260.50. Крышка механизма переключения
1
3
5
6
7
8
9
10
11
12
12
12
12
12
12
12
13
13
14
15
16
16
17
18
19
19
20
20
21
22
23
24
25
25
26
26
26
27
28
29
30
31
32
33
34
35
36
37
38
39
40
41
42
43
44
46
46
47
48
49
50
51
52
53
54
55
60
61
62
63
64
65
66
67
68
69
70
71
72
73
74
75
76
77
78
79
80
81
84
85
92
93
94
95
96
97
98
99
100
101
102
103
104
108
117
118
119
| Позиция на иллюстрации | Заводской номер детали | Название детали | |
|---|---|---|---|
| 1 | 1299-307-235 | Крышка механизма переключения | |
| 3 | 1299-306-233 | Уплотнение | |
| 5 | 1299-392-021 | Заглушка | |
| 6 | 1299-392-058 | Болт с шестигранной головкой | |
| 7 | 1299-392-059 | Болт с шестигранной головкой | |
| 8 | 1299-392-055 | Болт с шестигранной головкой | |
| 9 | 1299-392-057 | Болт с шестигранной головкой | |
| 10 | 1299-392-056 | Болт с шестигранной головкой | |
| 11 | 1299-392-060 | Болт с шестигранной головкой | |
| 12 | 1299-392-016 | Упругая шайба | |
| 13 | 1299-391-141 | Игольчатый роликоподшипник | |
| 14 | 1299-392-046 | Сальник | |
| 15 | 1299-392-049 | Пылезащитная крышка | |
| 16 | 1299-307-005 | Крышка | |
| 16 | 1299-307-234 | Крышка | |
| 17 | 1299-392-061 | Болт с шесгигрянной головкой | |
| 18 | 1299-392-063 | Бот с шестигранной головкой | |
| 19 | 1299-307-006 | Крышка | |
| 19 | 1299-307-236 | Крышка | |
| 20 | 1299-192-015 | Упругая шайба | |
| 21 | 1299-207-434 | Вал сцепления | |
| 22 | 1799-207-497 | Вал сцепления | |
| 23 | 1299-307-174 | Рычаг переключения передач | |
| 24 | 1299-307-176 | Пылезащитный колпак | |
| 25 | 1299-393-153 | Ролик | |
| 26 | 1299-307-188 | Тяга | |
| 27 | 1299-307-189 | Тяга | |
| 28 | 1299-307-175 | Рычаг переключения передач | |
| 29 | 1299-393-000 | Кольцо | |
| 30 | 1299-393-496 | Кольцо | |
| 31 | 1299-307-192 | Тяга | |
| 32 | 1299-392-042 | Шлицевая гильза | |
| 33 | 1299-392-043 | Шлицевая гильза | |
| 34 | 1299-307-191 | Вал | |
| 35 | 1299-307-381 | Стопорная колодка | |
| 36 | 1299-306-173 | Запорный палец | |
| 37 | 1299-393-134 | Нажимная пружина | |
| 38 | 1299-393-079 | Диск | |
| 39 | 1299-393-127 | Нажимная пружина | |
| 40 | 1299-393-131 | Нажимная пружина | |
| 41 | 1299-393-078 | Прокладка | |
| 42 | 1299-392-4413 | "V"-образное кольцо | |
| 43 | 1299-307-193 | Тара | |
| 44 | 1299-307-818 | Тара | |
| 46 | 1299-307-244 | Уплотнение | |
| 47 | 1299-207-490 | Ограничитель в сборе | |
| 48 | 1299-307-493 | Крышка | |
| 49 | 1299-393-494 | Нажимная пружина | |
| 50 | 1299-307-492 | Задвижка | |
| 51 | 1299-307-491 | Болт | |
| 52 | 1299-392-040 | Стопорная пластина с двумя усиками | |
| 53 | 1299-392-071 | Заглушка | |
| 54 | 1299-207-683 | Ограничитель в сборе | |
| 55 | 1299-393-686 | Нажимная пружина | |
| 60 | 1299-293-137 | Сапун в сборе | |
| 61 | 1299-307-321 | Крышка клапана | |
| 62 | 1299-307-322 | Стакан клапана | |
| 63 | 1299-307-323 | Седло клапана | |
| 64 | 1299-392-341 | Шарик | |
| 65 | 1299-307-324 | Корпус клапана | |
| 66 | 1299-293-158 | Электровыключатель | |
| 67 | 1299-192-062 | Болт с шестигранной головкой | |
| 68 | 1299-392-014 | Упругая шайба | |
| 69 | 1299-393-391 | Электровыключатель | |
| 70 | 1299-393-384 | Уплотнительное кольцо | |
| 71 | 1299-393-385 | Уплотнительное кольцо | |
| 72 | 1299-393-386 | Уплотнительное кольцо | |
| 73 | 1299-393-387 | Уплотнительное кольцо | |
| 74 | 1299-393-380 | Уплотнительное кольцо | |
| 75 | 1299-393-309 | Уплотнительное кольцо | |
| 76 | 1299-393-390 | Уплотнительное кольцо | |
| 77 | 1299-397-382 | Палец | |
| 78 | 1299-307-383 | Удерживающая пластина | |
| 79 | 1299-307-411 | Уплотнение | |
| 80 | 1299-392-412 | Полностью нарезной болт с шестигранной головкой | |
| 81 | 1299-207-499 | Соединительный узел | |
| 82 | 1299-207-816 | Соединительный узел | |
| 83 | 1299-307-443 | Соединительный узел | |
| 84 | 1299-392-074 | Шестигранная гайка | |
| 85 | 1299-203-770 | Шаровой шарнир | |
| 92 | 1299-392-753 | Корончатая гайка | |
| 93 | 1299-393-155 | Тяга | |
| 94 | 1299-393-156 | Тяга | |
| 95 | 1299-392-075 | Шестигранная гайка, левея | |
| 96 | 1299-392-071 | Заглушка | |
| 97 | 1299-393-775 | Шаровой шарнир, левый | |
| 98 | 1299-393-774 | Шаровой шарнир, правый | |
| 99 | 1299-392-754 | Корончатая гайка | |
| 100 | 1299-393-684 | Тяга | |
| 101 | 1299-307-177 | Удерживающая пластина | |
| 102 | 1299-307-243 | Удерживающая пластина | |
| 103 | 1299-392-013 | Прокладка | |
| 104 | 1299-307-163 | Втулка | |
| 108 | 1299-307-593 | Уплотнение | |
| 117 | 1299-300-005 | Загдушка | |
| 118 | 1299-301-172 | Крышка | |
| 119 | 1299-393-692 | Нажимная пружина |
Содержащиеся в справочниках-каталогах запасные части и детали не предлагаются к продаже, а носят исключительно информационный характер