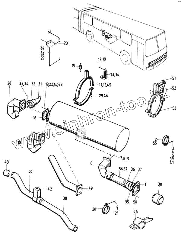
Каталог запасных частей к технике: Ikarus 260.50. Глушитель и его установка
1
2
3
4
4
5
5
6
7
7
8
9
10
11
12
13
14
15
16
17
17
18
18
19
20
21
22
23
24
25
26
27
28
29
29
30
31
32
33
34
35
36
37
38
39
40
41
42
43
44
45
46
47
48
49
50
52
53
54
55
56
57
| Позиция на иллюстрации | Заводской номер детали | Название детали | |
|---|---|---|---|
| 1 | 180.11-1401-012 | Воздухопровод | |
| 2 | 180.1101-019 | Хомут | |
| 3 | МSZ 2467 | Болт М8х25 | |
| 4 | МSZ 2255 | Гайка шестигранная М8 | |
| 4 | МSZ 2260-8 | Гайка шестигранная М6 | |
| 5 | МSZ КGSТ 2665 | Шайба пружинная 6К-2 | |
| 6 | 280.00-1401-001 | Соединительная труба в сборе | |
| 7 | МSZ 2461-8.8 | Болт с шестигранной головкой М10Х75А | |
| 7 | МSZ 2465 | Болт М10х40 | |
| 8 | МSZ 2257 | Шайба М10 | |
| 9 | МSZ КGSТ 2665 | Шайба пружинная 6К-2 | |
| 10 | 280.00-1401-006А | Выхлопная труба | |
| 11 | 280.00-1401-013 | Хомут глушителя верхний | |
| 12 | 250.00-1401-024 | Хомут глушителя нижний | |
| 13 | 280.00-1401-015А | Кронштейн | |
| 14 | 280.00-1401-019В | Кронштейн | |
| 15 | 910.01-1401-000 | Цилиндр резиновый упругий | |
| 16 | 180.07-1401-031 | Прокладка | |
| 17 | МSZ 2463 | Болт М6х15 | |
| 17 | МSZ 2467 | Болт М8х25 | |
| 18 | МSZ 2255 | Гайка шестигранная М8 | |
| 18 | МSZ 2260-8 | Гайка шестигранная М6 | |
| 19 | МSZ-2260 | Гайка шестигранная М10 | |
| 20 | 190.00-1401-058В | Хомут | |
| 21 | МSZ 2467 | Болт М8х25 | |
| 22 | МSZ 2461-8.8 | Болт с шестигранной головкой М10Х75А | |
| 23 | 280.00-1406-001 | Теплоотражатель | |
| 24 | МSZ 2463 | Болт М6х15 | |
| 25 | МSZ 2260 | Гайка шестигранная М6 | |
| 26 | МSZ 2200 | Шайба М8 | |
| 27 | МSZ КGSТ 2665 | Шайба пружинная 6К-2 | |
| 28 | 280.00-1401-006В | Выхлопная труба | |
| 29 | МSZ 2467-8.8 | Болт М10х35В | |
| 29 | МSZ 2463-8.8 | Болт с шестигранной головкой М10х12 | |
| 30 | 280.00-1401-019 | Рукав | |
| 31 | 280.00-1403-001 | Труба | |
| 32 | 180.03-1401-007 | Хомут | |
| 33 | МSZ 2463-8.8 | Болт с шестигранной головкой М10х12 | |
| 34 | МSZ 2260-8 | Гайка шестигранная М6 | |
| 35 | 280.00-1401-021 | Уплотнитель | |
| 36 | 280.02-1401-011 | Шланг | |
| 37 | МSZ 2461-8.8 | Болт с шестигранной головкой М10Х75А | |
| 38 | 260.01-1401-001 | Выхлопная труба I | |
| 39 | МSZ 2461-8.8 | Болт с шестигранной головкой М10Х75А | |
| 40 | 260.01-1401-006 | Выхлопная труба II | |
| 41 | МSZ 2461 8.8 | Болт М6х30 | |
| 42 | 260.01-1401-013 | Кронштейн фиксирующий | |
| 43 | 260.02-1401-001 | Выхлопная труба I | |
| 44 | 260.02-1401-009 | Зажим шланга | |
| 45 | 260.01-1401-015 | Хомут глушителя верхний | |
| 46 | МSZ 2453-8.8 | Шайба М10х30 | |
| 47 | МSZ 2461-8.8 | Болт с шестигранной головкой М10Х75А | |
| 48 | МSZ 2262-5.8 | Гайка шестигранная М10 | |
| 49 | 260.02-1401-006 | Выхлопная труба | |
| 50 | МSZ КGSТ 280 | Шайба М3 | |
| 51 | МSZ 2463-8.8 | Болт с шестигранной головкой М10х12 | |
| 52 | 280.01-1401-001 | Хомут глушителя верхний | |
| 53 | 250.00-1401-025 | Хомут глушителя нижний | |
| 54 | 380 054.83 | Цилиндр резтновый упругий | |
| 55 | 190.00-1401-0580 | Хомут | |
| 56 | 910.03-1401-900В | Шланг | |
| 57 | 910.03-1401-9000 | Шланг |
Содержащиеся в справочниках-каталогах запасные части и детали не предлагаются к продаже, а носят исключительно информационный характер