Каталог запасных частей к технике: Ikarus 260.50. Детали компрессора
2
3
4
4
5
6
7
8
9
11
12
12
13
14
15
16
17
18
19
20
21
22
23
24
25
26
27
28
29
30
31
31
32
34
35
36
37
38
39
40
41
42
43
44
45
46
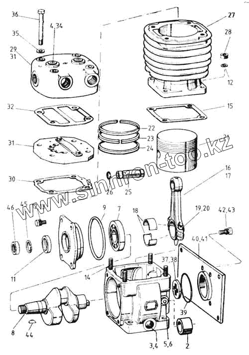
| Позиция на иллюстрации | Заводской номер детали | Название детали | |
|---|---|---|---|
| 2 | RD 411 042 340 А | Подшипник | |
| 3 | JUSМ.С4 500 | Кольцо стопорное А 22х37 | |
| 4 | DIN 908 | Заглушка М10х1 | |
| 5 | JUSМ.С4.500 | Кольцо стопорное А10х14 | |
| 6 | DIN 908 | Заглушка М10х1 | |
| 7 | НUР 206 ЕJРIС 4DIN 5412 | Цилиндрический роликоподшипник | |
| 8 | RD 411 043 6914 | Кривошипный вал | |
| 9 | Кольцо "О" | Кольцо "О" | |
| 11 | DIN 3760 | Упругая шайба А28х40х7 | |
| 12 | В8 JUS М. В2.110 | Кольцо стопорное | |
| 13 | JUS М. 81. 054 | Болт шестигранной головкой М6х1,5 | |
| 14 | JUS М.81. 261 | Штифт с резьбовым концом М8х22 | |
| 15 | Уплотнение | Уплотнение | |
| 16 | RD 411 042 730 2 | Шатун поршня в сборе | |
| 17 | RD 411 042 731 2 | Шатун поршня | |
| 18 | RD 411 042 341 2 | Втулка | |
| 19 | SСНNОRR | Шайба М8 | |
| 20 | JUSМ. В1.054 | Болт шестигранной головкой М8х35 | |
| 21 | RD 411 043 570 2 | Поршень и цилиндр в сборе | |
| 22 | DIN 70911 | Кольцо "М" 90х2,5 | |
| 23 | DIN 70930 | Кольцо "М" 90х2,5 | |
| 24 | Кольцо "М" | Кольцо "М" | |
| 25 | Палец поршня | Палец поршня | |
| 26 | 20 JUS М. С2.400 | Стопорная шайба | |
| 27 | Цилиндр | Цилиндр | |
| 28 | JUS М. В1.601 | Гайка шестигранная М8 | |
| 29 | RD 411 042 6552 | Головка цилиндра, в сборе | |
| 30 | Уплотнение | Уплотнение | |
| 31 | RD 411 034 500 2 | Плита клапана | |
| 32 | Уплотнение | Уплотнение | |
| 33 | Головке цилиндра | Головке цилиндра | |
| 34 | JUS М.С4.500 | Кольцо стопорное А22х27 | |
| 35 | 10,5 JUS М. 82.011 | Шайба | |
| 36 | JUS М. 81. 052 | Болт шестигранной головкой М10х65 | |
| 37 | RD 416 102 640 4 | Поводковая шайба | |
| 38 | RD 206-89442 | Поводковая шайба | |
| 39 | FS1. 0002 | Кольцо "О" 57,2х3 | |
| 40 | RD 411 011 600 4 | Фланец | |
| 41 | RD 206-89441 | Фланец | |
| 42 | JUS М. 82. 151 | Пружинная шайба А 8,4 | |
| 43 | JUS М. В1. 124 | Болт шестигранной головкой М 8х16 | |
| 44 | JUS М. С2.050 | Щиток 5х7,5 | |
| 45 | JUS М. 82. 110 | Пружинная шайба 8 18 | |
| 46 | JUS М. 81.605 | Гайка шестигранная М18х1,5 | |
| 48 | RZ 411 042 0002 | Ремонтный набор | |
| 49 | RD 411 042 001 2 | Ремонтный набор | |
| 50 | RZ 411 041 001 2 | Ремонтный набор |
Содержащиеся в справочниках-каталогах запасные части и детали не предлагаются к продаже, а носят исключительно информационный характер