Вернуться на главную
Поиск
Каталоги запчастей к технике
Автобусы
Golden Dragon
XML6845CN-3150236
REAR BRAKE
Каталог запасных частей к технике: Golden Dragon XML6845CN-3150236. REAR BRAKE
zoom-in
zoom-out
enlarge
shrink
circle-right
circle-left
file-text2
info
cart
Тип техники
Не выбрано
Легковые автомобили
Грузовые автомобили и прицепы
Автобусы
Сельхозтехника
Спецтехника
Двигатели
Мототехника
Марка
Не выбрано
Golden Dragon
Hyundai
Ikarus
Karosa
King Long
Neoplan
Yutong
ZF
АМАЗ
Богдан
ЗИЛ
КАВЗ
Камский автозавод
ЛАЗ
ЛЗГМП
ЛиАЗ
Нефтекамский автозавод
ПАЗ
УралАЗ
Модель
Не выбрано
XML6105CN-7150227 (2015)
XML6125CN-3150244 (2015)
XML6127CNG-3141495 (2015)
XML6139JR-3141082 (2015)
XML6845CN-3150236 (2015)
Схема
>
Не выбрано
FRONT PANEL
6925E01-3735160-R0 FRONT WIPER
SIDE PANEL
SIDE COMPARTMENT
BATTERY COMPARTMENT
PASSENGER DOOR INSTALLATION ASSEMBLY
REAR PANEL
DRIVER COMPARTMENT
ELECTRICAL APPARATUS, FRONT INSTRUMENTS PANEL
6125Y07-3700100-R0 ELECTRIC BOX
TOP COVER & SIDE PANEL
ARMREST & SEAT
FLOOR COVERING & REPAIR HATCH
STEERING SYSTEM
STEERING OPERATION BOOSTING PIPELINE
TRANSMISSION OPERATING MECHANISM
CLUTCH ASSEMBLY
CLUTCH OPERATION SYSTEM
SCHEMATIC DIAGRAM, BRAKE
ARRANGEMENT DIAGRAM, BRAKE
CONTROL AND FRONT BRAKE
AIR CYLINDER AND 4-WAY PROTECTIVE VALVE
AIR SUPPLY
REAR BRAKE AND PARKING BRAKE
ANTI-LOCK BRAKING SYSTEM (ABS)
FRONT AXLE ASSEMBLY
FRONT AXLE SYSTEM
WHEEL HUB WITH BRAKE DISC ASSEMBLY
BRAKE ASSY
STEERING TIE ROD
REAR AXLE ASSEMBLY
REAR AXLE ASSY
DIFFERENTIAL CARRIER ASSY
WHEEL HUB WITH BRAKE DISC ASSEMBLY
REAR BRAKE
FRONT SUSPENSION ASSEMBLY
REAR SUSPENSION ASSEMBLY
WHEEL INSTALLTION
DRIVE SHAFT INSTALLATION
6930S02-2201010 DRIVE SHAFT
GEARBOX ASSEMBLY
HOUSING, TRANSMISSION
HOUSING, CLUTCH
CONNECTION PLATE INPUT LAYSHFT-REVE ASSY
SHAFT, OUTPUT
GEAR SHIFT MECHANISM
GEAR SHAFT COVER ASSY
GEARSHAFT COVER AND ROTRY SELECTOR MECHANISM
REAR COVER
ENGINE & AROUND PARTS
ENGINE MOUNTING SYSTEM
GAS SYSTEM
THROTTLE CONTROL MECHANISM
AIR INTAKE SYSTEM
6112E32-1109210-HY AIR FILTER
EXHAUST SYSTEM
COOLING SYSTEM
6100A1-1025010 INTERMEDIATE PULLEY ASSY, ADJUSTING LEVER
6937A32-1311010-JS EXPENSION WATER TANK
HEATING PIPELINE
NAME PLATE, COMPLETE SET
LOCK, COMPLETE SET
TOOLS SUPPLIED WITH THE BUS
HZKG-3900 TOOLS SUPPLIED WITH THE BUS
HARNESS, COMPLETE SET
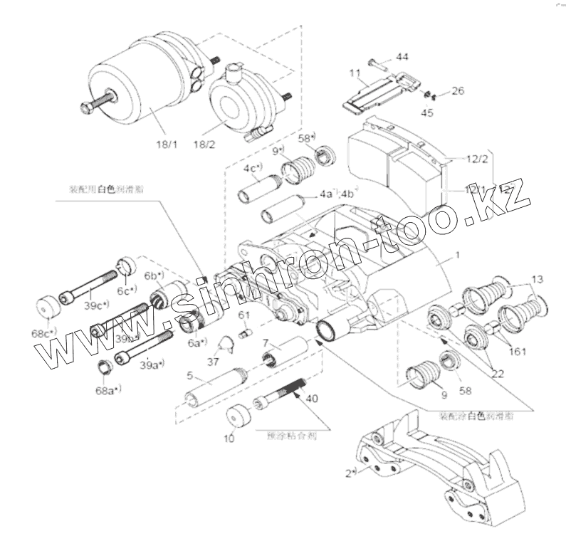
2
4
12
13
37
Позиция на иллюстрации
Заводской номер детали
Название детали
K112846K50
K112846K50
Alarm line assy
3501010-JQ01N
3501010-JQ01N
Left disc brake assy
3501015-JQ01N
3501015-JQ01N
Right disc brake assy
2
K004676
Bracket
4
K113545K50
Guide pin
12
II376580062
Brake pad assy
13
K112847K50
Push plate assy
37
K113633K50
Brake clearance adjusting
Содержащиеся в справочниках-каталогах запасные части и детали не предлагаются к продаже, а носят исключительно информационный характер
Дополнительная информация
×
Название:
Номер:
Примечание: