Вернуться на главную
Поиск
Каталоги запчастей к технике
Автобусы
Golden Dragon
XML6105CN-7150227
REAR BRAKE
Каталог запасных частей к технике: Golden Dragon XML6105CN-7150227. REAR BRAKE
zoom-in
zoom-out
enlarge
shrink
circle-right
circle-left
file-text2
info
cart
Тип техники
Не выбрано
Легковые автомобили
Грузовые автомобили и прицепы
Автобусы
Сельхозтехника
Спецтехника
Двигатели
Мототехника
Марка
Не выбрано
Golden Dragon
Hyundai
Ikarus
Karosa
King Long
Neoplan
Yutong
ZF
АМАЗ
Богдан
ЗИЛ
КАВЗ
Камский автозавод
ЛАЗ
ЛЗГМП
ЛиАЗ
Нефтекамский автозавод
ПАЗ
УралАЗ
Модель
Не выбрано
XML6105CN-7150227 (2015)
XML6125CN-3150244 (2015)
XML6127CNG-3141495 (2015)
XML6139JR-3141082 (2015)
XML6845CN-3150236 (2015)
Схема
>
Не выбрано
FRONT PANEL
FRONT WIPER
SIDE PANEL
SIDE COMPARTMENT
BATTERY COMPARTMENT
PASSENGER DOOR INSTALLATION ASSEMBLY
REAR PANEL
DRIVER COMPARTMENT
ELECTRICAL APPARATUS, FRONT INSTRUMENTS PANEL
ELECTRIC BOX
TOP COVER&SIDE PANEL
ARMREST & SEAT
FLOOR COVERING & REPAIR HATCH
STEERING SYSTEM
STEERING OPERATION BOOSTING PIPELINE
SCHEMATIC DIAGRAM, BRAKE
ARRANGEMENT DIAGRAM, BRAKE
CONTROL AND FRONT BRAKE
AIR CYLINDER AND 4-WAY PROTECTIVE VALVE
AIR SUPPLY
REAR BRAKE AND PARKING BRAKE
ANTI-LOCK BRAKING SYSTEM (ABS)
FRONT AXLE ASSEMBLY
FRONT AXLE ASSY
STEERING TIE ROD
FRONT BRAKE SYSTEM
REAR AXLE ASSEMBLY
REAR AXLE ASSY
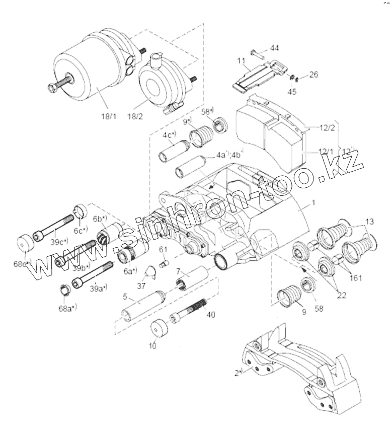
REAR BRAKE
FINAL DRIVE
FRONT SUSPENSION ASSEMBLY
FRONT AIR SUSPENSION ASSY
FRONT STABILIZER INSTALL ASSEMBLY
REAR SUSPENSION ASSEMBLY
AIR LEVELING
WHEEL INSTALLTION
DRIVE SHAFT INSTALLATION
6112X01-2201010 DRIVE SHAFT
GEARBOX ASSEMBLY
ENGINE& AROUND PARTS
ENGINE MOUNTING SYSTEM
CHASSIS LUBRICATION SYSTEM
GAS SYSTEM
THROTTLE CONTROL MECHANISM
AIR INTAKE SYSTEM
AH24196 AIR FILTER
EXHAUST SYSTEM
COOLING SYSTEM
6100A1-1025010-JZ INTERMEDIATE PULLEY ASSY., ADJUSTING LEVER
6125G04-1311010-JS EXPENSION WATER TANK
HEATING PIPELINE
THE HEATER ASSEMBLY
CS-7DL-25 DEFROSTER
NAME PLATE, COMPLETE SET
LOCK, COMPLETE SET
TOOLS SUPPLIED WITH THE BUS
HZKG-3900 TOOLS SUPPLIED WITH THE BUS
HARNESS,COMPLETE SET
2
4
12
13
37
Позиция на иллюстрации
Заводской номер детали
Название детали
K112846K50
K112846K50
Alarm line assy
3502010-ZQ99A
3502010-ZQ99A
Disc brake assembly, left
3502015-ZQ99A
3502015-ZQ99A
Disc brake assembly, right
2
K057695K50
Bracket
4
K112835K50
Guide pin
12
K067131K50
Brake pad assy
13
K112847K50
Push plate assy
37
K113633K50
Brake clearance adjusting
Содержащиеся в справочниках-каталогах запасные части и детали не предлагаются к продаже, а носят исключительно информационный характер
Дополнительная информация
×
Название:
Номер:
Примечание: