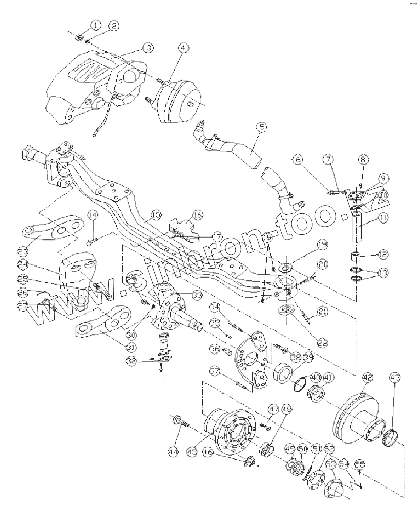
Каталог запасных частей к технике: Golden Dragon XML6105CN-7150227. FRONT AXLE ASSY
1
2
3
3
4
4
5
6
7
8
9
10
11
12
12
13
14
15
16
17
18
19
20
21
22
23
24
25
26
27
29
30
31
32
33
33
34
35
36
38
39
40
41
42
43
44
45
46
47
48
49
49
49
50
51
52
53
54
55
| Позиция на иллюстрации | Заводской номер детали | Название детали | |
|---|---|---|---|
| 3501ZDS04M-125 | 3501ZDS04M-125 | Right brake plate | |
| 3501ZDS04M-025 | 3501ZDS04M-025 | Left brake plate | |
| 1 | Q341B16 | Hexagonal nut | |
| 2 | Q40316 | Spring washer | |
| 3 | SN7146 | Right disc brake assy | |
| 3 | SN7156 | Left disc brake assy | |
| 4 | 3519NP15-010 | Front left brake chamber | |
| 4 | 3519NP15-015 | Front right brake chamber | |
| 5 | 33ZDS01C-03050 | Tie rod assy | |
| 6 | G-107-MSZ-374-4 | Grease fitting | |
| 7 | 700.51-3102-046 | Grease fitting | |
| 8 | Q150B0820-0H1 | Hexagonal bolt-grease tubing | |
| 9 | 702.20-3102-041 | Upper dust cover | |
| 10 | 840.00-3102-042 | Sealing gasket | |
| 11 | 3001021-ZD01K | Kingpin | |
| 12 | 5050-KX03 | Lower bushing | |
| 12 | 832.05-3102-004 | Bushing | |
| 13 | 840.00-3102-023 | Oil seal | |
| 14 | Q151B20150-0H1-J1 | Bolt-thrust lever seat | |
| 15 | 702.20-3101-002 | I beam | |
| 16 | 702.20-3101-015 | Thrust lever seat | |
| 17 | Q5222045 | Positioning pin | |
| 18 | 832.00-3101-005 | Locking nut | |
| 19 | 702.01-3102-024-027 | Adjust shim | |
| 20 | 832.45-3101-008 | Wedge lock pin | |
| 21 | 832.45-3101-007 | Wedge lock pin | |
| 22 | BFSB-353323/HA3 | Thrust tapered roller bearings | |
| 23 | 30ZDS01A-01041 | Left steering knuckle arm | |
| 24 | 702.20-3102-053 | Drag rod arm | |
| 25 | 701.02-3197-004 | Locking bolt | |
| 26 | Q50512375 | Locking wire | |
| 27 | 932.00-3102-054 | Locking bolt | |
| 29 | 702.20-3102-032 | Locking bolt | |
| 30 | Q351B16 | Thin nut | |
| 31 | 30ZDS01A-01042 | Left steering knuckle arm | |
| 32 | 840.00-3102-041 | Lower dust cover | |
| 33 | 702.20-3102-06 | Left steering knuckle | |
| 33 | 702.20-3102-03 | Right steering knuckle | |
| 34 | 30ZDS04M-01045 | Bolt, used to fixing brake assy | |
| 35 | 3001013-ZD99A | Positioning pin | |
| 36 | 832.05-3102-004 | Bushing | |
| 38 | 470.00-3141-067 | Hex flange bolt | |
| 39 | 3103080-ZD03M | Front hub oil seal | |
| 40 | 832.00-3140-024 | Spacer | |
| 41 | 3103020-ZD99A | Front hub inner bearing | |
| 42 | 35NP2-01075 | Brake disc | |
| 43 | 832.06-3140-009 | Abs sensor ring | |
| 44 | 932.00-3140-004 | Wheel bolt | |
| 45 | 31ZDS04M-03015 | Front hub | |
| 46 | 582.90-3140-005 | Wheel nut | |
| 47 | 932.00-3140-007 | Hex flange bolt | |
| 48 | 3103030-ZD99A | Front hub outer bearing | |
| 49 | 832.00-3102-013 | Nose type shim | |
| 49 | 832.00-3102-014 | Nose type shim | |
| 49 | 832.00-3102-015 | Nose type shim | |
| 50 | 832.00-3102-017 | Slotted nut | |
| 51 | Q500B6365 | Cotter pin | |
| 52 | 832.00-3140-016 | Sealing gasket | |
| 53 | 832.00-3140-015 | Front hub cup | |
| 54 | Q150B0816 | Hexagonal bolt | |
| 55 | Q40308 | Spring washer |
Содержащиеся в справочниках-каталогах запасные части и детали не предлагаются к продаже, а носят исключительно информационный характер