Каталог запасных частей к технике: Богдан А-092. Задняя подвеска
1
2
3
4
5
6
7
8
9
9
10
11
12
13
14
15
16
17
18
19
20
21
22
23
24
25
25
26
26
27
28
29
30
31
32
33
34
49
50
50
51
51
51
52
52
53
53
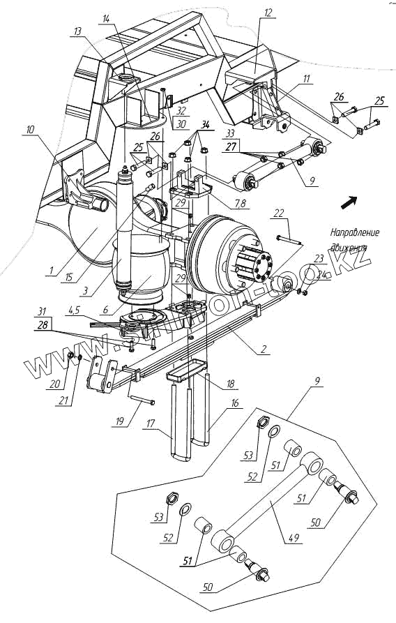
| Позиция на иллюстрации | Заводской номер детали | Название детали | |
|---|---|---|---|
| 1 | 8973664690 | Задний мост в сборе | |
| 2 | А091-2912012 | Рессора задняя в сборе | |
| 3 | DS1.041.00 | Амортизатор задний в сборе | |
| 4 | А091-2919572 | Рычаг пневмобаллона правый | |
| 5 | А091-2919573 | Рычаг пневмобаллона левый | |
| 6 | 1Е18 | Пневмопружина РНОЕNIХ | |
| 7 | А091-2909080 | Кронштейн левый | |
| 8 | А091-2909081 | Кронштейн правый | |
| 9 | А091-2919014-20 | Штанга задней подвески в сборе | |
| 10 | 8941820981 | Кронштейн задней рессоры задний левый в сборе | |
| 11 | 8972059120 | Кронштейн задней рессоры передний | |
| 12 | А091-2919080 СБ | Кронштейн верхней штанги | |
| 13 | А092-2915020 СБ | Кронштейн амортизатора задний | |
| 14 | А091-2934062 СБ | Упор пневмобалона задний правый | |
| 15 | 8944166111 | Сапун заднего моста | |
| 16 | А091-2912414 | Стремянка заднего моста передняя | |
| 17 | А091-2912415 | Стремянка заднего моста задняя | |
| 18 | 1513720590 | Прокладка | |
| 19 | 9513616022 | Болт | |
| 20 | 9991105160 | Гайка | |
| 21 | 8970709251 | Шайба | |
| 22 | 8970339670 | Болт рессоры передний | |
| 23 | 8970734351 | Шайба рессоры передняя | |
| 24 | 9991105180 | Гайка рессоры передняя | |
| 25 | А091-2909060 | Болт М16х1,5 | |
| 26 | А091-2909125 | Регулировочная пластина | |
| 27 | А091-2909066-20 | Гайка специальная | |
| 28 | М12-6gх40.58.019 | Болт М12-6gх40.58.019 ГОСТ 7798-70 | |
| 29 | А091-2919136 | Штифт | |
| 30 | М10-6Н.5.019 | Гайка М10-6Н.5.019 ГОСТ 5915-70 | |
| 31 | 12.65Г.019 | Шайба 12.65Г.019 ГОСТ 6402-70 | |
| 32 | 10.65Г.019 | Шайба 10.65Г.019 ГОСТ 6402-70 | |
| 33 | 16.65Г.019 | Шайба 16.65Г.019 ГОСТ 6402-70 | |
| 34 | 1094400391 | Гайка | |
| 49 | А091-2919118-20 | Штанга | |
| 50 | А091-2904520-20 | Палец в сборе | |
| 51 | А091-2904500 | Вкладыш резиновый | |
| 52 | А091-2904535-20 | Шайба | |
| 53 | А091-2904533-20 | Гайка |
Содержащиеся в справочниках-каталогах запасные части и детали не предлагаются к продаже, а носят исключительно информационный характер