Вернуться на главную
Поиск
Каталоги запчастей к технике
Автобусы
Богдан
Богдан А-092
Установка КПП
Каталог запасных частей к технике: Богдан А-092. Установка КПП
zoom-in
zoom-out
enlarge
shrink
circle-right
circle-left
file-text2
info
cart
Тип техники
Не выбрано
Легковые автомобили
Грузовые автомобили и прицепы
Автобусы
Сельхозтехника
Спецтехника
Двигатели
Мототехника
Марка
Не выбрано
Golden Dragon
Hyundai
Ikarus
Karosa
King Long
Neoplan
Yutong
ZF
АМАЗ
Богдан
ЗИЛ
КАВЗ
Камский автозавод
ЛАЗ
ЛЗГМП
ЛиАЗ
Нефтекамский автозавод
ПАЗ
УралАЗ
Модель
Не выбрано
Богдан А-092
Схема
>
Не выбрано
Каркас кузова
Приварные кронштейны рамы
Внешняя обшивка кузова
Внутренняя обшивка боковин, задка, потолка
Внутренняя обшивка боковин, задка, потолка
Твердый настил пола
Мягкий настил пола
Крышки монтажных люков
Крышки монтажных люков
Настил ступеней
Установка окон
Стеклоочистители ветрового стекла
Стеклоочистители ветрового стекла
Установка панели приборов
Обшивка мотоотсека
Обшивка мотоотсека
Установка окон
Багажные отсеки
Багажные отсеки
Багажные отсеки
Указатели маршрута
Указатели маршрута
Аварийно-вентиляционный люк
Расположение дверей служебных, кнопка аварийного открывания дверей, обшивка дверных проемов
Установка служебных дверей
Установка служебных дверей
Дверь служебная в сборе
Привод дверного механизма
Дверь водителя
Дверь водителя
Дверь водителя
Установка сидений СТ-12
Система вентиляции, обогрева ветрового стекла и водительского места
Отопитель салона
Отопитель салона
Отопитель салона
Солнцезащитная шторка, зеркало салона
Солнцезащитная шторка, зеркало салона
Зеркала заднего вида
Перегородка водителя
Установка поручней
Установка поручней
Установка поручней
Капельники, молдинги, таблички, заводские знаки
Брызговики, накладки арки колес
Двигатель 4HG1-T (внешний вид)
Установка двигателя на раму
Шумоизоляция
Масляные и вакуумные трубки
Органы управления выпускной системы
Топливные трубопроводы
Педаль акселератора, ручка холостого хода
Установка топливного бака
Установка воздушного фильтра
Механизм глушения двигателя
Кожух топливного насоса высокого давления
Система управления подачи топлива
Топливные трубопроводы
Система выпуска отработанных газов
Система охлаждения воздуха
Установка радиатора
Патрубки системы охлаждения
Расширительный бачок охлаждающей жидкости
Установка вентилятора
Диски сцепления, рабочий цилиндр сцепления
Гидравлические трубопроводы системы сцепления
Вакуумные трубопроводы системы сцепления
Органы управления сцепления
Установка КПП
Рычаг управления КПП
Карданный вал
Передняя и задняя маски, буфера
Передняя подвеска
Передняя подвеска
Задняя подвеска
Задняя подвеска
Установка колес
Установка запасного колеса
Рулевой механизм с гидроусилителем
Колонка рулевого управления
Трубопроводы гидроусилителя рулевого управления
Главный тормозной цилиндр, педаль тормоза
Гидроусилитель тормозов и его трубопроводы
Гидроусилитель тормозов и его трубопроводы
Трубопроводы тормозной системы, антиблокировочная система
Трубопроводы тормозной системы, антиблокировочная система
Ручной стояночный тормоз
Вакуумные трубопроводы
Пневмосистема
Пневмосистема
Пневмосистема
Пневмосистема
Установка компрессора
Установка компрессора
Установка компрессора
Элементы крепления тормозных, вакуумных, топливных трубок и трубок сцепления к раме
Элементы крепления тормозных, вакуумных, топливных трубок и трубок сцепления к раме
Установка стартера и генератора
Фонари освещения салона
Внешняя светотехника
Жгуты потолочные и дверных механизмов
Жгуты панели управления, блок переключателей
Рамные жгуты
Рамные жгуты
Блок управления двигателя, реле
Приборы, выключатели, датчики
Резиновые профили
Алюминиевые профили
Комплект ключей, замок зажигания, крышка топливного бака
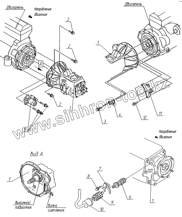
1
1
1
1
2
2
2
3
4
5
5
6
7
8
9
10
11
12
Позиция на иллюстрации
Заводской номер детали
Название детали
1
8973602320
Коробка переключения передач в сборе
2
281810300
Болт крепления КПП к двигателю
3
8943938631
Болт
4
8943700464
Кронштейн крепления выпускной трубы
5
8973238350
Стартер
5
8972126020
Шпилька
6
8973291170
Привод спидометра
7
8972526792
Зажим привода спидометра
8
286808200
Болт
9
8972565250
Датчик спидометра
10
8973596870
Жгут рамный ISUZU доработанный
11
8973114421
Кронштейн крепления тросов КПП
12
281810350
Болт
Содержащиеся в справочниках-каталогах запасные части и детали не предлагаются к продаже, а носят исключительно информационный характер
Дополнительная информация
×
Название:
Номер:
Примечание: