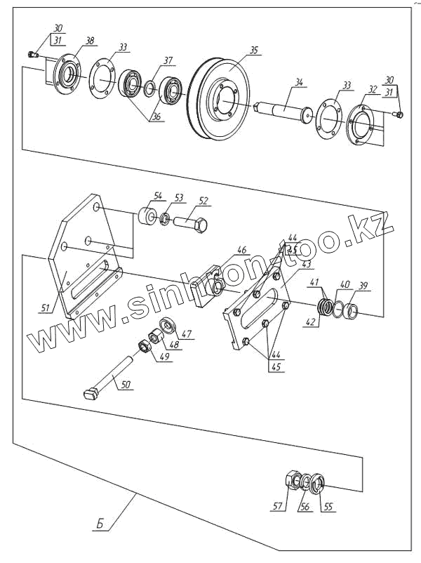
Каталог запасных частей к технике: Богдан А-092. Установка компрессора
30
30
31
31
32
33
33
34
35
36
37
38
39
40
41
42
43
44
44
45
45
46
47
48
49
50
51
52
53
54
55
56
57
| Позиция на иллюстрации | Заводской номер детали | Название детали | |
|---|---|---|---|
| 30 | М5-6gх12.58.019 | Болт М5-6gх12.58.019 ГОСТ 7798-70 | |
| 31 | 5.65Г.019 | Шайба 5.65Г.019 ГОСТ 6402-70 | |
| 32 | А092-3509027 | Крышка | |
| 33 | А092-3509033 | Прокладка | |
| 34 | А092-3509031 | Ось | |
| 35 | А092-3509032 | Шкив | |
| 36 | В6-203 | Подшипник В6-203 ГОСТ 8338-75 | |
| 37 | А092-3509026 | Шайба | |
| 38 | А092-3509028 | Крышка | |
| 39 | А092-3509029 | Втулка | |
| 40 | СТ 32-21-3,5 | Кольцо СТ 32-21-3,5 ГОСТ 288-72 | |
| 41 | А092-3509016-01 | Шайба | |
| 42 | А092-3509016 | Шайба | |
| 43 | А092-3509015 | Крышка | |
| 44 | М6-6gх20.58.019 | Болт М6-6gх20.58.019 ГОСТ 7796-70 | |
| 45 | 6.65Г.019 | Шайба 6.65Г.019 ГОСТ 6402-70 | |
| 46 | А092-3509013 | Ползун | |
| 47 | А092-3509011 | Шайба | |
| 48 | А092-3509009 | Гайка | |
| 49 | Гайка М10-6Н.8.019 | Гайка М10-6Н.8.019 ГОСТ 5915-70 | |
| 50 | А092-3509008 | Болт | |
| 51 | А092-3509017 | Плита | |
| 52 | М12-6gх45.58.019 | Болт М12-6gх45.58.019 ГОСТ 7798-70 | |
| 53 | 12.65Г.019 | Шайба 12.65Г.019 ГОСТ 6402-70 | |
| 54 | А092-3509014 | Втулка | |
| 55 | А092-3509012 | Шайба | |
| 56 | 16.65Г.019 | Шайба 16.65Г.019 ГОСТ 6402-70 | |
| 57 | М16-6Н.8.019 | Гайка М16-6Н.8.019 ГОСТ 5915-70 |
Содержащиеся в справочниках-каталогах запасные части и детали не предлагаются к продаже, а носят исключительно информационный характер