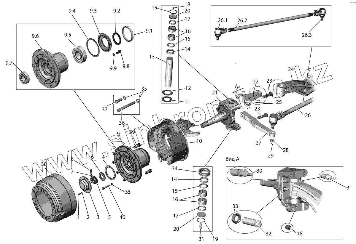
Каталог запасных частей к технике: АМАЗ МАЗ-152 (2011). Ось передняя 152-3000015
1
2
3
4
5
6
7
8
9
9.1
9.2
9.3
9.4
9.5
9.6
9.7
9.8
9.9
10
10
11
12
12
12
12
12
12
12
12
13
14
14
15
15
16
16
17
17
18
18
19
19
20
20
21
21
22
23
23
24
25
26
26.1
26.2
26.3
27
27
28
29
30
30
31
31
32
33
34
35
35
36
37
38
39
40
| Позиция на иллюстрации | Заводской номер детали | Название детали | |
|---|---|---|---|
| 1 | 201476 | Болт М8х1-6gх20 | |
| 2 | 252135 | Шайба 8 Т | |
| 3 | 64221-3103065-010 | Крышка | |
| 4 | 64221-3103067 | Прокладка | |
| 5 | 64221-3103076-010 | Гайка | |
| 6 | 64221-3103074 | Шайба | |
| 7 | 252157 | Шайба 12Л | |
| 8 | 64221-3103085 | Болт М12х1-6gх40 | |
| 9 | 6430-3103006-010 | Ступица переднего колеса в сборе | |
| 9.1 | 101-3538222 | Индуктор ротора | |
| 9.2 | Манжета2.2-92х120х3 | Манжета 2.2-92х120х3 | |
| 9.3 | 54326-3103034 | Крышка | |
| 9.4 | 500А-3103047А | Прокладка | |
| 9.5 | 6-7610А | Подшипник | |
| 9.6 | 54321-3103015-10 | Ступица | |
| 9.7 | 6-7614А | Подшипник | |
| 9.8 | 201476 | Болт М8х1-6gх20 | |
| 9.9 | 252135 | Шайба 8 Т | |
| 10 | 152-3501005 | Тормоз передний | |
| 10 | 152-3501004 | Тормоз передний | |
| 11 | 64221-3001024 | Шайба регулировочная | |
| 12 | 64221-3001020 | Шайба регулировочная | |
| 12 | 64221-3001021 | Шайба регулировочная | |
| 12 | 64221-3001022 | Шайба регулировочная | |
| 12 | 64221-3001023 | Шайба регулировочная | |
| 12 | 64221-3001072 | Шайба регулировочная | |
| 12 | 64221-3001073 | Шайба регулировочная | |
| 12 | 64221-3001074 | Шайба регулировочная | |
| 12 | 64221-3001075 | Шайба регулировочная | |
| 13 | 6430-3001019-10 | Шкворень | |
| 14 | 6430-3001029 | Втулка | |
| 15 | 050-054-25-2-3 | Кольцо | |
| 16 | НК5025 | Подшипник | |
| 17 | 054-058-25-2-3 | Кольцо | |
| 18 | 6422-3515006 | Клапан предохранительный | |
| 19 | 400443 | Кольцо В58 | |
| 20 | 64221-3001036 | Заглушка | |
| 21 | 152-3001008 | Кулак поворотный | |
| 21 | 152-3001009 | Кулак поворотный | |
| 22 | 64221-3001035 | Рычаг | |
| 23 | 371035 | Болт М24х2-6gх90 | |
| 24 | 6430-3001010 | Балка | |
| 25 | 258290 | Шплинт 1,6х400 | |
| 26 | 105-3003052 | Тяга поперечная | |
| 26.1 | 6422-3003057 | Наконечник левый | |
| 26.2 | 105-3003054 | Тяга | |
| 26.3 | 6422-3003056 | Наконечник правый | |
| 27 | 104-3001030 | Рычаг трапеции | |
| 27 | 104-3001031 | Рычаг трапеции | |
| 28 | 251035 | Гайка М24х2-6Н | |
| 29 | 258071 | Шплинт 5х45 | |
| 30 | 486000128 | Датчик ABS | |
| 30 | 4410328090 | Датчик ABS | |
| 31 | 264030 | Масленка 2.3.45Ц6Хр | |
| 32 | 64221-3001011 | Упор | |
| 33 | 250563 | Гайка М18х1,5-6Н | |
| 34 | Подшипник | Подшипник ШС 15 | |
| 35 | 252138 | Шайба 14 ОТ | |
| 36 | 371321 | Болт М14-6gх132 | |
| 37 | 371835 | Болт М14-6gх50 | |
| 38 | 54321-3104051 | Болт | |
| 39 | 6430-3501070 | Барабан | |
| 40 | 372245 | Болт М14х1,5-6gх85 |
Содержащиеся в справочниках-каталогах запасные части и детали не предлагаются к продаже, а носят исключительно информационный характер